- 易迪拓培训,专注于微波、射频、天线设计工程师的培养
智能电网市场趋势及安森美半导体智能电表解决方案
录入:edatop.com 点击:
智能电网建立在集成的、高速双向通信网络基础之上,旨在利用先进传感和测量技术、先进设备技术、先进控制方法,以及先进决策支持系统技术,实现电网可靠、安全、经济、高效、环境友好和使用安全的高效运行。本文将谈及智能电网及智能电表市场,并介绍作为应用于绿色电子产品的首要高性能、高能效硅方案供应商安森美半导体的智能电网及智能电表解决方案。 高速发展的智能电网及智能电表市场 在绿色节能意识的推动下,以智能电表为核心的智能电网成为世界各国竞相发展的一个重点领域。发展智能电网也能让公用事业机构及用户受益。如智能电网可帮助电力机构降低运营支出、减少窃电、优化运营及即时响应用户需求等。用户也有机会享受到更灵活的定价,因网络计量节省成本及帮助实现家庭自动化等。此外,智能电网的发展还面临其它一些有利因素,如管制放松加剧竞争、各种无线标准(ZigBee、PLC、Wi-Fi、WiMax和蜂窝移动通信等)争相涌现等。 在这些有利因素的推动下,智能电网的发展前景颇受看好。以智能电表为例,预计全球出货将从2008年的仅数百万部增长至2014年的约5,000万部,年复合增长率(CAGR)高达48%。而从技术趋势来看,未来将超向双向实时通信、开放式平台/模块化服务。系统集成也将是重要的未来趋势,预计可更新、插电式混合动力汽车(PHEV)以及家庭自动化等将集成到智能电网系统之中。智能电表也将超向采用先进计量体系(AMI),并成为未来家庭区域网络(HAN)的组成部分。 安森美半导体基于AMIS-49587和NCS5650的智能电表解决方案 用于电能输送的中低压交流配电线也可作为数据通信的传输介质。电力线载波 (PLC) 通信技术就是通过载波方式在配电线上高速传输模拟或数字信号的技术。利用已有的电力配电网络进行通信不需要重新布线,信号不会因为通过建筑物墙壁被衰减和屏蔽,成本更为低廉,这使该技术在电表自动抄表系统、灯光控制等诸多领域备受青睐。 安森美半导体针对低/中压电力线数据通信开发了扩频型移频键控(S-FSK) PLC调制解调器(Modem)——AMIS-49587。它是一个高集成度、符合IEC61334标准的低功率PLC方案,适用于智能电网自动读表及管理、街道照明控制、智能电力插头(power plug)和建筑物自动化等。这是安森美半导体既早期的AMIS-30585之后发展到第二代PLC调制解调器产品,其核心是一个32位ARM处理器,完成物理层和MAC层的处理,运行S-FSK调制解调的算法,同时也管理与外部MCU的通信。该器件包含了所有S-FSK信号处理、MCU接口管理等模拟、数字部分。AMIS-49587支持先进计量体系(AMI),用于公用事业机构与电表之间的双向通信,支持远程读表、断开开关连接及负载控制。目前全球26.5亿部电表中仅有约8%是自动化电表,故AMIS-49587这样的支持智能电表应用的调制解调器芯片应用前景非常广阔。 AMIS-49587是采用S-FSK调制方式及精确滤波的窄带PLC收发器,可实现长距离电力线的强固低数据率通信,以及2,400 bps的半双工可调节速率通信。不到20 kHz的低工作频率及自动中继器(repeater)功能,令通信更加可靠,通信误差比现有方案更低。该器件是目前唯一在工业现场有超过8年的成功应用验证的器件。 AMIS-49587利用安森美半导体的混合信号技术,在一个集成电路中集成了模拟调制解调器前端和数字后处理功能。其最突出的特点在于,作为PLC收发器,除了完成物理层S-FSK信号的收发、调制解调外,它还包含了媒体访问控制器(MAC)子层的处理,使设计人员无需涉及PHY和MAC协议传输细节问题,把更多精力放在应用层的开发,而大多数竞争方案需要复杂的嵌入式软件来执行与AMIS-49587相同的功能。 通过AMIS-49587进行逻辑链路层(LLC Layer)数据包的交换,底层的帧头、帧校验等都会自动添加。这在很大程度上减少了客户软件开发工作量,简化了设计,降低了开发及应用成本,并加速上市进程。这些优势使AMIS-49587成为完全满足智能电网技术要求的PLC通信核心器件。 此外,安森美半导体也为智能电表PLC线路驱动应用推出一款高能效的A/B类低失真线路驱动器——NCS5650。这器件的电源电压(VCC)为单端6至12 V或双平衡±3.0至6.0 V。NCS5650的设计经过了优化,接收PLC调制解调器输送的信号,输出段设计成能够驱动高达2 A的电流,经隔离变压器或简单的线圈耦合至交流主电源。 NCS5650符合PLC线路驱动器的应用要求,提供重要的应用优势。如这器件针对欧洲电工标准化委员会(CENELEC)用于智能电表的A、B、C和D频段进行了优化,符合EN-50065规范,可用于直接耦合或按1:1、2:1变压比耦合。NCS5650独特的2 A驱动能力确保在很低电力线阻抗时也可保持有效的通信。 NCS5650在电气性能上也颇具优势。两级运算放大可以实现700 kHz的全功率带宽,谐波失真也很低,仅为0.015 % @ 1 kHz。这器件的功耗也很低,轨到轨压差仅为0.5 V,静态电流仅为20 mA,关断模式下的电流仅为150 µA。 图1是采用AMIS-49587的PLC解决方案框图。该方案主要由PLC Modem、AMIS-49587、驱动放大器NCS5650及耦合变压器组成。 
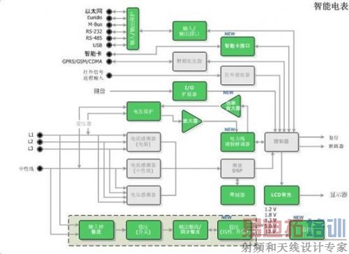
图2:由安森美半导体的多种产品构成的智能电表应用 如图2所示,构成智能电表应用的安森美半导体产品很多,除了上述AMIS-49587 PLC调制解调器和NCS5650 PLC线路驱动器,还包括:输入/输出保护(用于电磁干扰(EMI)和射频干扰(RFI)滤波的数据滤波器、ESD保护二极管及阵列、用于电流和电压管理的电压监测器)、输入/输出接口(数据滤波器、PLL时钟产生器)、智能卡和SIM卡接口、I/O扩展器、电压保护器件(二极管及整流器、瞬态电压抑制器)、运算放大器和比较器、功率放大器、电力线调制解调器、EEPROM和SRAM存储器、LCD背光驱动器及图像/环境光传感器、输入桥整流器、稳压开关(交流-直流控制器和稳压器)、输出整流/同步整流(肖特基二极管及整流器)、线性稳压开关(电压参考、显示驱动器、控制器、线性稳压器、转换器、电荷泵)等。 其中,用于输入/输出保护的数据滤波器NUF2042XV6是专为需要线路终端、EMI滤波和ESD保护的应用开发的单芯片器件,其双向EMI可防止进/出系统的噪声,并节约元件成本。用于电压保护的瞬态电压抑制器(TVS)P6KE6系列可以防止电压敏感元件受到高电压、高能量瞬变的影响,具有良好的钳位能力、高浪涌能力、低阻抗齐纳和快速响应时间等特点。NOA1302是集成了16位ADC和2线I2C数字接口的宽动态范围环境光传感器(ALS),采用可编程集成优化噪声性能,可在近0 lux至超过100,000 lux的范围内提供线性响应;该传感器采用安森美半导体专有的CMOS图像传感技术,提供低噪声和高动态范围输出信号和类似人眼反应的光响应。 总结 在开发智能电网和智能电表时,设计人员需要选择适用的解决方案。安森美半导体为智能电网及智能电表应用提供的各种解决方案均符合各种标准及客户规范,具备简化设计、降低成本、降低耗电、提供可靠通信及加快上市进程等诸多优势。 安森美半导体供稿

图2:由安森美半导体的多种产品构成的智能电表应用 如图2所示,构成智能电表应用的安森美半导体产品很多,除了上述AMIS-49587 PLC调制解调器和NCS5650 PLC线路驱动器,还包括:输入/输出保护(用于电磁干扰(EMI)和射频干扰(RFI)滤波的数据滤波器、ESD保护二极管及阵列、用于电流和电压管理的电压监测器)、输入/输出接口(数据滤波器、PLL时钟产生器)、智能卡和SIM卡接口、I/O扩展器、电压保护器件(二极管及整流器、瞬态电压抑制器)、运算放大器和比较器、功率放大器、电力线调制解调器、EEPROM和SRAM存储器、LCD背光驱动器及图像/环境光传感器、输入桥整流器、稳压开关(交流-直流控制器和稳压器)、输出整流/同步整流(肖特基二极管及整流器)、线性稳压开关(电压参考、显示驱动器、控制器、线性稳压器、转换器、电荷泵)等。 其中,用于输入/输出保护的数据滤波器NUF2042XV6是专为需要线路终端、EMI滤波和ESD保护的应用开发的单芯片器件,其双向EMI可防止进/出系统的噪声,并节约元件成本。用于电压保护的瞬态电压抑制器(TVS)P6KE6系列可以防止电压敏感元件受到高电压、高能量瞬变的影响,具有良好的钳位能力、高浪涌能力、低阻抗齐纳和快速响应时间等特点。NOA1302是集成了16位ADC和2线I2C数字接口的宽动态范围环境光传感器(ALS),采用可编程集成优化噪声性能,可在近0 lux至超过100,000 lux的范围内提供线性响应;该传感器采用安森美半导体专有的CMOS图像传感技术,提供低噪声和高动态范围输出信号和类似人眼反应的光响应。 总结 在开发智能电网和智能电表时,设计人员需要选择适用的解决方案。安森美半导体为智能电网及智能电表应用提供的各种解决方案均符合各种标准及客户规范,具备简化设计、降低成本、降低耗电、提供可靠通信及加快上市进程等诸多优势。 安森美半导体供稿射频工程师养成培训教程套装,助您快速成为一名优秀射频工程师...
天线设计工程师培训课程套装,资深专家授课,让天线设计不再难...
上一篇:基于微带和DGS耦合的谐振器及带通滤波器设计
下一篇:采用缓冲正向转换器消除振铃
射频和天线工程师培训课程详情>>

