- 易迪拓培训,专注于微波、射频、天线设计工程师的培养
高性能、多通道、同时采样ADC在数据采集系统(DAS)中的设计
引言
很多先进的工业应用需要使用高性能、多通道、同时采样ADC,例如先进的电力线监控系统(图1)或现代三相电机控制系统(图2)。这些应用需要在大约70dB至90dB (取决于具体应用)较宽的动态范围内实现精确的多通道同时测量。通常要求16ksps甚至更高的采样速率。
MAX1308、MAX1320和MAX11046 DAS器件在一个封装内集成了8个独立的同时采样输入通道和高速逐次逼近ADC。为了达到器件提供的规格并优化其性能,设计人员必须合理设计系统、选择元器件并提供合理的PCB布局。
DAS架构的典型示例
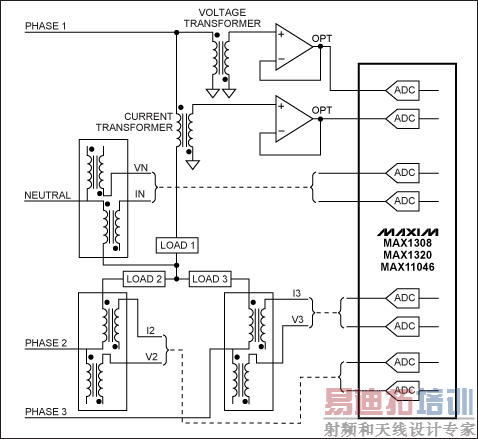
图1中每相电源通过一个电流变压器(CT)和一个电压变压器(PT)进行检测。整个系统包括四对此类结构(三相中的每相对应一对、零线对应一对)。

图1. 典型的电网监控应用
通过对同时采样并经过量化的数据进行数字处理计算,可以获取瞬时和平均有功功率、无功功率、视在功率以及功率因数。
图2中每个ADC同时采样输入信号,无需复杂的DSP计算,传统算法需要重新调整采样数据,将这些数据组合到同时采样数组。

图2. 典型的电机控制系统
影响工业数据采集系统(DAS)的主要噪声和干扰源
DAS定义了两类噪声/干扰。
第一类噪声源于内部电子元件,噪声源包括ADC的转换处理噪声和谐波失真、缓冲放大器的噪声和失真,以及基准噪声和稳定性。
第二类干扰来自于系统外部,包括外部电磁噪声、电源噪声/纹波、I/O口串扰以及数字系统噪声和干扰。
图3列出了不同的噪声源。

图3. 典型的电力线监控板级框图,图中显示了影响系统分辨率和精度的不同噪声源和干扰源。
电力线DAS信号处理链路包含CT、PT测量变压器、抗混叠低通滤波器(LPF)、缓冲放大器、同时采样ADC和中央处理单元(CPU)。
同时采样ADC是系统的核心电路,用于测量调整在标准工业输入动态范围(如+5V、±5V或±10V)的电压和电流信号。MAX130x、MAX132x和MAX1104x及其衍生产品支持这些扩展测量范围,无需增加任何信号调理电路。
表1列出了这些器件的1 LSB数值和量化噪声,这些数值按照ADC的分辨率为设计人员提供了DAS能够容许的总噪声和干扰。
表1. 对应于ADC分辨率的量化值和量化噪声
ADC 通道数 分辨率 VREF (V) LSB (mV) 量化噪声(mV) SNR (dB)
MAX1308 8 12 2.5 0.6104 0.1762 71
MAX1320 8 14 2.5 0.1526 0.0440 76
MAX11046 8 16 4.096 0.0625 0.0180 85
ADC输入的总噪声和纹波应小于½ LSB,同时,量化噪声决定了系统的基本噪底。
注意:有些设计中,仅1mVRMS的总体噪声即可导致整个设计不达标,参考表2。
表2. 例:未经"校准"的整体噪声导致ADC精度下降
ADC 通道数 分辨率 输入噪声造成的分辨率损失(1mV) 下降后的分辨率
MAX1308 8 12 0.71 11.3
MAX1320 8 14 2.71 11.3
MAX11046 8 16 4.00 12.0
元器件选择:DAS信号处理链路
选择正确的输入缓冲放大器
MAX130x和MAX132x系列ADC的输入电路具有相当低的阻抗,如图4所示。相应地,大多数应用中,这些器件需要一个输入缓冲器以便达到12位和14位精度。

图4. MAX130x和MAX132x系列ADC的典型输入电路
为了达到12位至16位精度,选择放大器时需要考虑的关键因素是:适当的带宽、摆率、VP-P输出、低噪声、低失真和低失调。应保持尽可能低的缓冲放大器噪声—远远低于ADC的SNR。放大器的整体失调误差,包括漂移,在整个温度范围内都应小于所要求的精度误差。每个缓冲放大器应根据具体应用精心选择。
表3给出了几款推荐的高精度运算放大器。对于高精度ADC,不建议使用通用运放,请参考表4。
表3. 针对不同精度的ADC所推荐的高精度运放
型号 电源 单位增益 带宽(MHz) 摆率(V/µs) VP-P (V) 失调 (mV,最大值) 噪声密度(nV/√Hz) 说明
MAX410–MAX412 ±5V 28 4.5 7.2 0.25 2.4 适用于12位至16位分辨率
MAX4250 +5V 3 0.3 5 0.75 7.9 适用于12位至14位分辨率
表4. 对于高精度ADC,不推荐使用通用运放 型号 电源 单位增益带宽(MHz) 摆率(V/µs) VP-P (V) 失调(mV,最大值) 噪声密度(nV/√Hz) 说明
LF411 ±15V 4 15 20 2.0 25 适用于12位以下分辨率
LM124 ±15V 1.2 0.5 20 3.0 35 适用于11位以下分辨率
输入滤波电路的要求:MAX11046系列
MAX11046系列器件采用差分输入结构,这种结构通常不需要输入缓冲放大器(图5)。MAX11046的有效输入阻抗ZIN与输入电容、采样频率有关:
ZIN = 1/(CIN × FSAMPLE)
式中,FSAMPLE为采样频率,CIN = 15pF。
随着采样频率的降低,输入阻抗将增大:
250ksps时为266kΩ25ksps时为2.66MΩ
MAX11046系列产品具有极高的输入阻抗,可以直接与低阻传感器连接,例如,CT和PT测量变压器阻抗相对较低(10Ω至50Ω),因此,可以直接通过简单的低通滤波器连接到MAX11046输入级。
表5给出了低频应用,如电网监控或电机控制,所要求的最大RSOURCE设计值。
表5. 不同CEXTERNAL和FSAMPLE下的RSOURCE设计值
CEXTERNAL (pF) FSAMPLE(ksps) 0 100 300 1000 3000 RSOURCE (Ω)
1000 1.0E+06 3.3E+05 1.4E+05 4.7E+04 1.6E+04
2500 4.0E+05 1.3E+05 5.7E+04 1.9E+04 6.5E+03
5000 2.0E+05 6.6E+04 2.8E+04 9.4E+03 3.2E+03
10000 9.7E+04 3.2E+04 1.4E+04 4.6E+03 1.6E+03
25000 3.7E+04 1.2E+04 5.3E+03 1.8E+03 6.1E+02
[p]为了保持DAS的精度,选择正确的RSOURCE和CEXTERNAL非常关键。
RSOURCE电阻必须为金属膜电阻,精度为1%或更高精度,还应具有较低的温度系数。建议选择一些知名厂商(如Panasonic®、ROHM®或Vishay®)提供的元件。
为了达到最佳效果,CEXTERNAL电容应选择陶瓷电容,推荐电介质类型为COG (NPO)。这些电容能够在较宽的温度和电压范围内保持其标称值,Kemet®、AVX®或Samsung®等公司可提供高性价比的SMT器件。
ADC基准选择
基准的选择对于整个DAS的性能非常重要,并且与ADC的分辨率和精度要求密切相关,如上述表1所示。在整个温度范围内保持合理的温漂和初始精度非常关键。
以MAX11046为例,1 LSB = 62.5µV。MAX11046内部基准的温漂为±10ppm/°C。在整个50°C温度范围内,基准漂移可达±500ppm或约±2.048mV (±33 LSB)。
在对温漂要求比较严格的应用中,最好使用外部低温漂基准,如MAX6341 (1ppm/°C)。1ppm/°C的电压基准在整个50°C范围内的漂移只有0.2mV (或±3 LSB)。MAX6341基准的初始精度为4.096 ±0.001,远远优于MAX11046的内部基准(4.096 ±0.0016),大大提高了DAS精度和温度稳定性。
使用外部基准时,MAX11046的基准输入电流仅为±10µA。串联型基准(如MAX6341)的输出电流可达10mA,因此,单个基准器件可以为多个高性能ADC提供参考,从而消除了不同器件之间的基准差异。
PCB设计和布板考虑
多通道、同时采样ADC设计所面临的挑战将在电力线监控应用中详细讨论,该部分将参考上述板级框图和图3所示的主要噪声/干扰源进行讨论。
噪声抑制—采用低通滤波器(LPF)
任何时候电力线上都会存在相当客观的噪声/干扰,噪声主要来自线缆/传输系统,是电容/电感将外部噪声源耦合到了传输线上。噪声和干扰还与电力线的动态特性有关。
如图3所示,每个CT和PT隔离/测量变压器的工作频率为50Hz/60Hz。实际上,这些变压器具有很宽(100kHz)的带宽,仅对100kHz或更高频率的信号提供衰减/滤波。
另外一个重要的噪声/干扰源来自PCB上DAS系统的电子元件。这些元件包括CPU和电源子系统(特别是在使用开关电源的情况下),这意味着ADC的每个输入通道都需要一个抗混叠滤波器和噪声抑制低通滤波器。滤波元件应该尽可能靠近ADC输入放置,上述表5提供了配合MAX11046使用的推荐元件。
图6给出了在考虑上述因素的情况下MAX11046的一个设计实例。该原理图部分参考了MAX11046评估(EV)板的设计。通道2至通道7的输入电路显示为直连连接通道,可将信号直接连接到ADC输入,无需缓冲器。表5给出了10ksps采样速率下的最佳电阻、电容值。R = 4.6kΩ、C = 1000pF是电力线监控系统的最佳组合,评估板的通道0和通道1可以配置使用外部缓冲器,以满足100ksps或更高采样率的应用需求。可以从Maxim®的ADC产品事业部订购该评估板,加速DAS的开发。

图6. MAX11046典型电路
利用接地和屏蔽措施保持信号完整性
从连接器到ADC输入的承载敏感模拟信号的PCB引线会受噪声、干扰以及通道间串扰的影响,对这些模拟信号线采取特殊的接地和信号屏蔽措施对于保持输入信号完整性至关重要。图7给出了一个保护模拟信号的PCB布线示例。

图7. 从连接器到MAX11046的模拟输入路径
注意,MAX11046具有极高的通道间隔离度,为了获得高隔离度,采用了共面微带线结构。
PCB布线通用规则
在多通道、同时采样DAS应用中为了获得最佳性能,需要遵循几项重要的PCB布线规则。
使用有地层的PCB板。
确保模拟、数字线路相互分离。
不要将数字信号线和模拟信号线并行布线。
避免在ADC封装的下方铺设数字信号线。
采用独立的GND层,数字信号分布在一侧,模拟信号分布在另一侧。
保持电源的地回路具有较低阻抗并保持尽可能短的引线,以便达到无噪声工作。
在AVDD和DVDD的引脚与地之间连接一个0.1µF陶瓷电容,电容须靠近器件放置,以便降低寄生电感。
每个PCB板的AVDD和DVDD引脚至少增加一个10µF去耦电容。
采用两个电源平面分别连接所有AVDD和DVDD。
MAX11046模拟接口侧的AVDD电源平面和DVDD电源平面最好远离器件的数字接口引线。
图8给出了一个基于8通道MAX11046的DAS典型应用的优化布局和PCB布局示例。按照器件的评估板,该设计采用6层PCB,包含独立的地层和电源层。

点击看原图
图8. 基于8通道MAX11046的DAS应用电路板的元件布局示例,评估板采用该布局,该图为丝网印刷图,顶层。
来自传感器或信号发生器的高精度模拟信号可以通过BNC1至BNC8屏蔽同轴连接器连接到电路板。BNC1和BNC2输入可以配置成直接连接或当采样速率为100ksps甚至更高时通过外部缓冲器连接。BNC3至BNC8输入只能配置成直接连接;外部信号可以直接作用到ADC,不需要缓冲器。不使用缓冲器时有助于简化设计,但信号线需采用屏蔽措施,请参考图9、图10和图11。

点击看原图
图9. 基于8通道MAX11046的DAS系统电路板布局的第2层,电源平面分区。

点击看原图
图10. 基于8通道MAX11046的DAS系统电路板布局的第3层,信号屏蔽示例。

点击看原图
图11. 基于8通道MAX11046的DAS系统电路板布局的第4层,电源平面分区。
图9和图11给出了独立的模拟电源和数字电源平面,采用这样的电源平面可以大大降低电源线的分布电阻、电容和电感,从而改善电源的噪声特性。
图12显示了独立的地层,数字信号在一侧布线,模拟信号在另一侧布线。

点击看原图
图12. 独立的地层,第5层,数字信号和模拟信号分别在两侧布线。
测试结果
图13、图14和图15提供了基于MAX11046多芯片、多通道、同时采样DAS工业原型机的一些测试结果。精密的2.048V直流基准(由MAX6126电压基准提供)作用在DAS的MAX11046输入端。ADC输出转换结果的范围为±32768。图13是对用户提供的一个PCB原型进行测试的结果,该设计违反了电源布局和输入信号完整性的布板原则。测试数据和直方图显示:噪声/干扰使DAS的有效位降至大约11.5。由于直方图测试模板不稳定,也反映了测量的不可预期性。

图13. 对用户的PCB布板不合理的DAS进行测试得到的输出直方图
图14是对用户的PCB布局进行改进后的测试结果,采取了本文介绍的电源/地布局规则和保持输入信号完整性的处理方案。从测试结果和直方图可以看出显著的性能改善,DAS系统的有效位达到约13.5。在此测试期间,直方图模板变得具有可重复性,反映了测量的稳定性得到了改善。

图14. 对用户的PCB进行改进后测试得到的DAS输出直方图,改善了原电路板的电源/地布局,并采取了保持信号完整性的措施。
图15是在相同测试条件下,在同一实验室对Maxim DAS的测试结果。测试结果和直方图显示,DAS的有效位达到大约14。该测试中,直方图模板具有非常好的可重复性,反映了测试的稳定性和Maxim布板、设计配置的优势。

图15. Maxim DAS的输出直方图
结论
MAX1308、MAX1320、MAX11046等高性能、多通道、同时采样ADC在新型DAS中尤其有用,能够达到或超出"智能"电网监控系统的要求(参见应用笔记4281:"Advanced Power-Line Monitoring Requires a High-PeRFormance, Simultaneous-Sampling ADC")或三相电机控制系统的要求。
为了达到DAS设计指标以及这些ADC数据资料发布的指标,需要遵循严格的设计原则。这些设计考虑包括:LPF滤波器、低噪声缓冲器和基准选择、元件布局、PCB布局以及电源噪声/纹波的滤波。注意了这些设计原则,即可获得新一代高性能ADC的优异结果。
射频工程师养成培训教程套装,助您快速成为一名优秀射频工程师...
天线设计工程师培训课程套装,资深专家授课,让天线设计不再难...
上一篇:对放大器补偿的实际考虑
下一篇:开关电源的干扰及其抑制

