- 易迪拓培训,专注于微波、射频、天线设计工程师的培养
模拟电路设计使HDTV体现出差异性
随着高清电视(HDTV)显示器技术的成熟,模拟视频和音频处理的质量将最终使电视机之间产生差异性。HDTV中的数字处理(包括图像扩缩、解交错和MPEG解调)继续发挥着重要的作用,但这些功能将很快变成标准化。HDTV中视频和音频信号的模拟处理直接影响用户的"电视观看体验",然而HDTV制造商正在快速寻求其电视机模拟电路设计的改进以提高销量和利润。本文将讨论HDTV中高性能模拟信号处理的一些问题和设计考虑。
在液晶(LCD)电视和等离子(PDP)电视中,平板显示器本身过去在HDTV电视的主要性能方面一直存在差异。第七代和第八代LCD平板显示器开发成本竟然达到几十亿美元,但最近在PDP显示器方面的加强已经迫使一些公司形成合资以共享他们的资金资源和技术。目前,几乎所有的LCD 电视和PDP 电视领先制造商都在与其它主要生产显示屏设计的电视制造商合资。这已经引起有关LCD和PDP显示屏性能的"公平竞争"。目前在几种来自不同电视制造商的具有竞争力的HDTV型号采用了这些合资企业生产的显示屏。
为支持老设备需要模拟接口
即使在高清晰度数字广播新兴阶段,HDTV仍然需要模拟接口和数字接口。我们需要复合、分量和RGB信号模拟接口支持老的标准清晰度(SD)设备,例如录像机(VCR)、便携式摄像机、DVD播放器和个人计算机(PC)。由于用户期望其SD电视节目具有与高清晰度(HD)电视节目同样的质量,因此必须设计高性能模拟接口。集成的多格式视频解码器(例如ADI公司的ADV7403)包含用于复合视频信号的高性能视频解码器以及用于数字分量模拟视频和RGB的三通道模数转换器(ADC)。
当设计模拟接口时,重要的是提供干净的低噪声电源并且从连接器到器件输入端之间采用短的印制电路板(PCB)连线。我们也推荐使用一种完整接地层的PCB设计以最大程度减小总PCB噪声和反射。缩短数字输出端(包括数据和时钟)印制线长度有助于减小高频信号反射的可能性,这种反射作用能破坏信号的完整性。
由于DVD电影中记录的模拟YUV信号具有10 bit分辨率(可表示十亿多种不同的颜色),因此选择使用10 bit(或更高)分辨率的ADC精确再现颜色的模拟接口非常重要。例如,ADI公司的ADV7403多格式视频解码器集成了12 bit,140 MHz ADC以最大可能改善图像质量。

ADV7403 12 bite格式视频解码器框图
音频对HDTV提出更多的挑战性
HDTV中的音频处理具有几个有趣的设计难题。趋于窄小的电视机壳必然导致在减小放大器散热所需要的空间的同时减小扬声器的尺寸。由于HDTV通常用作家庭影院,因此电视机里的音频电路必须支持最新的环绕立体声和低音增强算法。HDTV必须完成这些SD音频方面的重大改进同时达到低成本和早日投放市场的宏伟目标。阴极射线管(CRT)显示器SD电视只能再现立体声(2.0音频)并且拥有易于放置适当尺寸扬声器的宽大的电视机壳。采用LCD或等离子显示器的HDTV具有窄小的电视机壳,只能采用较小尺寸的扬声器,因而限制了声学性能。HDTV电视节目采用环绕立体声(5.1音频)播放,因此音频设计工程师必须设计出高品质音响产品,以使HDTV在这些限制条件下工作的同时仍然能够满足严格的成本要求。目前,设计工程师使用可编程音频处理器能够开发一种单扬声器音频平台,能够将它整合到可以使用各种尺寸的扬声器的不同型号HDTV产品。设计工程师利用最新的心理声学研究成果已经开发出新的音频处理器算法,这种算法在HDTV中使用两个或三个扬声器为听众提供声音是来自完整多扬声器环绕立体声系统的体验。

ADAV400可编程音频处理器框图
为了适当支持流行的第三方虚拟环绕和环绕立体声算法,音频处理器必须包含音频编解码器和具有优良模拟性能的数模转换器(DAC)。例如,ADI公司采用有源均衡技术的ADAV400(用于补偿窄小扬声器)支持流行的第三方算法和产生丰满、浑厚声音所需的模拟性能。图形化软件工具(例如SigmaStudio)允许完全控制整个声音环境。

扩展的音频算法库
最后,D类音频放大器可以最大程度减小散热片以及其它外部器件的尺寸,从而使它们适合于新型HDTV产品的狭小空间。CRT 电视中使用大的显象管为音频设计工程师留下了宽大的机箱空间,从而允许CRT电视音频设计工程师使用AB类放大器,这类放大器效率低并且通常需要尺寸很大的散热片。设计工程师通过使用ADI公司AD1991(在全功率下具有>85%的效率)等高效的D类音频放大器能够使其音频放大电路适合其窄小的空间,无需折衷音频质量或功率输出。
[p]HDMI是观看最新高清晰度DVD的接口
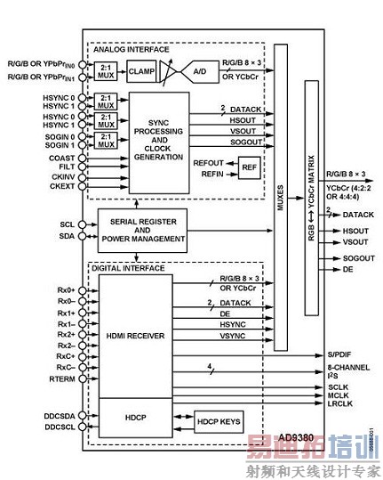
高清晰度多媒体接口(HDMI)迅速成为连接HDTV和机顶盒、DVD播放器或录像机、音频和视频(A/V)接收器和个人媒体播放器的首选数字接口。由于预计从模拟接口(复合、分量和RGB信号)向数字接口(例如HDMI)过渡需要花费几年的时间,因此HDTV对这两种接口提供支持是非常必要的。双接口产品(例如ADI公司的AD9380)是支持老设备模拟接口和未来HDMI接口的一种节省成本的解决方案。

AD9380 8 bit双模拟接口和HDMI显示器接口框图
HDMI接口以吉赫兹数据速率工作,因此系统设计工程师必须采用高速模拟设计技术。为了满足HDMI兼容性测试规范的要求,必精心控制HDMI连接器与接收器输入端之间的PCB印制线以便使差分输入电容小于限定值。HDMI连接器与器件输入端之间的PCB印制线长度应该尽可能短以保持T_MDS信号的完整性。我们推荐使用适合任何具有HDMI接口的PCB板的一个接地层。使用多个接地层可能有害,因为小的独立的接地层会产生长的接地环路。用于数字输出的印制线也应该尽可能短,因为短的印制通常会减小反射的可能性。
使用高性能模拟器件设计在设计HDTV中发挥着重要作用,因为在图像和声音质量方面超越了相近解决方案。用户期望在下一代HDTV装置中具有以下所有的功能:生动的画面、洪亮的声音以及合理的价格。使用最新模拟接口和HDMI接口、D类音频放大器和可编程音频处理器设计的HDTV将满足用户对功能和性能的期望。请继续关注你所青睐的零售电子产品商场并且留意所有的最新壁挂显示HDTV装置。您将看到并且听到高性能模拟设计能够带给您的电视观看体验与众不同!
射频工程师养成培训教程套装,助您快速成为一名优秀射频工程师...
天线设计工程师培训课程套装,资深专家授课,让天线设计不再难...
上一篇:估算热插拔
MOSFET
的瞬态温升
下一篇:电源设计小贴士
29:估算热插拔MOSFET的瞬态温升——第2部分

