- 易迪拓培训,专注于微波、射频、天线设计工程师的培养
开关制式的DC-DC转换器的简易EMI方案
录入:edatop.com 点击:
所有的 DC-DC 开关转换器由于要尽量提高开关频率和传送功率,都会产生潜在的干扰信号,在输入端的传导噪声,会以差模或共模形式出现。差模噪声是当电流通过输入导体的基频及其谐波时产生的,通常都处于低频的。共模噪声大多是高频的,于转换器的输入导体及地线中间形成。同样地,开关 DC-DC 转换器会于输出端产生噪声以及纹波。适当的设计和设置 EMI 滤波会将噪声减少至可接受程度。
在欧洲和美国,例如,传导噪声是按 FCC 和 VDE标准 A 级和 B 级 限制严格管理的。在欧洲,所有国家均要求家用电器和工业设备的传导噪声辐射应满足 VDE 标准 B 级要求。在美国,工业设备的传导噪声辐射应满足 FCC 标准 A 级要求,家用电器的传导噪声辐射应满足更严格的 FCC 标准 B 级要求。
减少输入端噪声的 EMI 滤波方案
现时多数的开关电源的开关频率在 100 kHz 至1 MHz 之间。通常反射到电网之传导噪声频谱上的主要尖峰来自开关频率之基频及其谐波分量。
一些传导排放标准,如 EN55011 及 EN55022 设定转换器及电源系统反射到电网的准峰值及平均值;反射传导噪声需要在限制 150 kHz 至 30 MHz间。要符合这些要求,所有高峰频谱上的传导噪声,必须低于规定的限度。
滤波方案的组件及封装
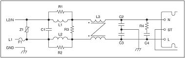
EMI 滤波器经常被设置在一个单独封装内(如图1 的配置)。一般的 EMI 滤波器是穿孔式的,带上共模扼流圈和 Y电容 (线到地),再加两个电感器和 X电容 (线到线)。瞬变保护由 Z1 负责。这结构的输入损耗足以符合级别B 传导排放标准。
在欧洲和美国,例如,传导噪声是按 FCC 和 VDE标准 A 级和 B 级 限制严格管理的。在欧洲,所有国家均要求家用电器和工业设备的传导噪声辐射应满足 VDE 标准 B 级要求。在美国,工业设备的传导噪声辐射应满足 FCC 标准 A 级要求,家用电器的传导噪声辐射应满足更严格的 FCC 标准 B 级要求。
减少输入端噪声的 EMI 滤波方案
现时多数的开关电源的开关频率在 100 kHz 至1 MHz 之间。通常反射到电网之传导噪声频谱上的主要尖峰来自开关频率之基频及其谐波分量。
一些传导排放标准,如 EN55011 及 EN55022 设定转换器及电源系统反射到电网的准峰值及平均值;反射传导噪声需要在限制 150 kHz 至 30 MHz间。要符合这些要求,所有高峰频谱上的传导噪声,必须低于规定的限度。
滤波方案的组件及封装
EMI 滤波器经常被设置在一个单独封装内(如图1 的配置)。一般的 EMI 滤波器是穿孔式的,带上共模扼流圈和 Y电容 (线到地),再加两个电感器和 X电容 (线到线)。瞬变保护由 Z1 负责。这结构的输入损耗足以符合级别B 传导排放标准。
![]() 图1 – 符合EN55022级别B标准的EMI滤波器 然而,一般的电源设计都加上电容、电感及滤波器来减少或衰减共模和常模传导噪声。首先,加上个别组件或滤波器对噪声谱的影响,显示了一个全共模滤波器导致的结果。它们的效果可以在噪声频谱上显示出来。 图2a 的左边显示一个 48 V 输入 DC-DC 转换器,在输入端接上一个差模电容 C1 (120 F,100 V)。用以保持低输入阻抗,稳定电压和提升瞬变反应。它为模块储能。愈靠近输入端,其效果更佳。 现在,以一个模块加一个电容器作为开始的基础。图2a 右边的图谱;显示了一个 48 V 输入,150 W满载工作的 DC-DC 转换器连接差模电容后的噪声谐波含量,及按级别 A 和 B 要求的 EMI 和谐波标准。如果只加上差模电容;转换器明显不能满足要求。因为电源元件不是为配合任何指定的 EMI标准而设计的。 图2b 显示加上旁路电容及差模电容的情形。注意每个接在输入端上旁路电容是与基板接地的,而每个接在输出端上旁路电容是与基板连接的。通常的电解电容值是 4700 pF,100 V 的 Y电容。噪声水平虽仍未能达到标准,但已有很明显的改善。 相对于 3.3 V、半载,48 V 输入、满载应用所产生的噪声较高,但从图2b 的图谱显示,已经有明显的改善。 就算加上一个 27 H 的差模电感 L1 (图2c),低频噪声仍达不到级别B 的标准。 图2d 显示加上共模扼流圈后的情况。由于共模扼流圈也具差模电感,可取代差模扼流圈。共模电感加强了 Y电容的能量。这是由于共模扼流圈对转换器产生之共模噪声形成高阻抗,使噪声沿着较低阻抗之路径,经 Y电容传到地。
|






