- 易迪拓培训,专注于微波、射频、天线设计工程师的培养
基于TPS54350的红外热像仪电源设计
录入:edatop.com 点击:
红外热像仪是一种利用红外探测器将看不见的红外辐射转换成可见图像的被动成像仪器,其对红外图像实时处理的特点要求配套DSP有很高的处理速度。而且,红外设备热敏性高,易受温度等环境因素的影响,在不同的应用场合需要不同的处理方法。因此,一个稳定而可靠的电源系统是至关重要的。本系统采用了TMS320DM6437来实现电源系统,可根据环境的变化而采用不同的算法和参数。
根据TMS320DM6437的数据手册,其需要VCORE (1.2V)、VDDR(1.8V)和VI/O(3.3V)三种电源,内核电源的最大电流为597mA,而I/O电源的最大工作电流是25mA。另外,还需考虑上电顺序。同时,热像仪的调焦电机需12V电源,其他IC选用3.3V器件,因此,整个系统需12V,3.3V,1.8V及1.2V四种电压。
电源系统设计
TPS54350是具有内部MOSFET的高效 DC/DC转换器,连续输出电流为3 A时,支持输入电压范围为4.5~20V,可使设计人员直接通过中压总线(而非依赖额外的低电压总线)为DSP、FPGA和微处理器供电。TPS54350构成的DC/DC转换器效率高达90%以上,非常适用于低功耗的液晶显示屏、监视器、液晶电视机、硬盘驱动器、视频图像卡以及9V或12V墙式适配器的负载稳压装置。TPS54350的输出电压可调低至0.891V(精确度为1%);PWM 频率固定为250kHz、500kHz或250~700kHz的可调节范围,还具有完善的保护功能。因此,TPS54350符合系统设计要求。
1 TPS54350引脚功能
VIN:电压输入引脚,范围为4.5~20V,必须旁路连接一个低等效串联电阻(ESR)的10μF陶瓷电容器。
UVLO:欠压闭锁输出。
PWRGD:开漏输出。该引脚为低电平时,表示输出低于期望的输出电压值。
RT:频率设置引脚。在RT引脚与模拟地(AGND)之间接一个电阻器来设置转换频率。将RT引脚与地连接或是悬空,可以来得到一个内部的备选频率。
SYNC:双向I/O同步引脚,当RT引脚悬空或置低时,SYNC为输出;当它与一个下降沿信号连接时,亦可作为一个输入端口来同步系统时钟。
ENA:使能引脚,低于0.5V时,芯片停止工作;悬空时被使能。
COMP:误差放大器输出。
VSENSE:误差放大器转换节点,基准电压值。
AGND:模拟地,内部与感应模拟地电路连接。与PGND和POWERPAD连接。
PGND:电源地,与AGND和POWERPAD连接。
VBIAS:内部8.0V偏置电压,引脚要接一个0.1μF的陶瓷电容。
PH:相位,与外部LC滤波器连接;
BOOT:在BOOT引脚与PH引脚之间连接一个0.1μF的陶瓷电容。
2 电路分析
① 输出电压可调
TPS54350的输出电压是可调的,如图1所示,通过改变电阻R2 的值来得到期望的输出电压值。R2的计算公式为:
R2=(R1×0.891)/(V0-0.891) (1)
图1中的输入电压为12V,为得到3.3V的输出电压,将R1取一定值1kΩ,此时根据公式(1)计算可得,R2=374Ω。
根据TMS320DM6437的数据手册,其需要VCORE (1.2V)、VDDR(1.8V)和VI/O(3.3V)三种电源,内核电源的最大电流为597mA,而I/O电源的最大工作电流是25mA。另外,还需考虑上电顺序。同时,热像仪的调焦电机需12V电源,其他IC选用3.3V器件,因此,整个系统需12V,3.3V,1.8V及1.2V四种电压。
电源系统设计
TPS54350是具有内部MOSFET的高效 DC/DC转换器,连续输出电流为3 A时,支持输入电压范围为4.5~20V,可使设计人员直接通过中压总线(而非依赖额外的低电压总线)为DSP、FPGA和微处理器供电。TPS54350构成的DC/DC转换器效率高达90%以上,非常适用于低功耗的液晶显示屏、监视器、液晶电视机、硬盘驱动器、视频图像卡以及9V或12V墙式适配器的负载稳压装置。TPS54350的输出电压可调低至0.891V(精确度为1%);PWM 频率固定为250kHz、500kHz或250~700kHz的可调节范围,还具有完善的保护功能。因此,TPS54350符合系统设计要求。
1 TPS54350引脚功能
VIN:电压输入引脚,范围为4.5~20V,必须旁路连接一个低等效串联电阻(ESR)的10μF陶瓷电容器。
UVLO:欠压闭锁输出。
PWRGD:开漏输出。该引脚为低电平时,表示输出低于期望的输出电压值。
RT:频率设置引脚。在RT引脚与模拟地(AGND)之间接一个电阻器来设置转换频率。将RT引脚与地连接或是悬空,可以来得到一个内部的备选频率。
SYNC:双向I/O同步引脚,当RT引脚悬空或置低时,SYNC为输出;当它与一个下降沿信号连接时,亦可作为一个输入端口来同步系统时钟。
ENA:使能引脚,低于0.5V时,芯片停止工作;悬空时被使能。
COMP:误差放大器输出。
VSENSE:误差放大器转换节点,基准电压值。
AGND:模拟地,内部与感应模拟地电路连接。与PGND和POWERPAD连接。
PGND:电源地,与AGND和POWERPAD连接。
VBIAS:内部8.0V偏置电压,引脚要接一个0.1μF的陶瓷电容。
PH:相位,与外部LC滤波器连接;
BOOT:在BOOT引脚与PH引脚之间连接一个0.1μF的陶瓷电容。
2 电路分析
① 输出电压可调
TPS54350的输出电压是可调的,如图1所示,通过改变电阻R2 的值来得到期望的输出电压值。R2的计算公式为:
R2=(R1×0.891)/(V0-0.891) (1)
图1中的输入电压为12V,为得到3.3V的输出电压,将R1取一定值1kΩ,此时根据公式(1)计算可得,R2=374Ω。
![]() 图1 12V转3.3V/1.8V典型电路
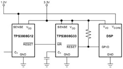
1.2 28.7 1.5 14.7 1.8 9.76 2.5 5.49 3.3 3.74 同理,要得到1.8V的输出电压,将R12取1kΩ,则R7应为976Ω。 ② 设置上电顺序 如图1所示,产生3.3V电压的U1的PWRGD引脚接至产生1.8V电压的U2的SS/EN引脚。这样,即使电容击穿,在开始上电时,产生3.3V电压的U1输出未达到阈值,PWRGD输出低电平,产生1.8V电压的U2处于关闭状态,直至3.3V电压稳定,这样可确保3.3V先上电;掉电时,U1的输出低于阈值,PWRGD引脚输出低电平,U2的输出关断,保证1.8V先断电。根据上述原理,在红外热像仪中采用一片TPS54350给DSP内核供1.2V电压,另两片54350分别给DSP外围I/O提供3.3V电压及1.8V的DDR电压,设置上电顺序为1.2V→3.3V→1.8V。 电压监控与复位电路 在红外成像仪系统中,由于视频电路的高频特性,开关的电磁辐射和线路噪声都将干扰电路的器件工作电压。且DSP对工作电压要求较高,偏差不能超过 5%,一旦工作电压超出该偏差,长时间工作容易缩短器件寿命甚至烧毁。因此,系统设计需要通过电压监控电路实时监控器件工作电压,确保系统提供稳定正常的电压。 电压监控电路工作原理:系统上电期间,监控器件的复位信号保持有效,使DSP始终处于复位状态,一旦监控的电压值达到规定的门限电压,则释放复位,DSP即可正常工作。在工作中,如果监控电压低于门限值,监控器件再次发送复位信号使系统复位。 TPS3808是TI公司的一款具有低静态电流、可编程延迟的监控电路。主要参数包括:输入电压范围1.8~6.5V,上电复位可调整延迟时间1.25ms~10s,典型静态电流2.4μA,高精度门限0.5%。 当TPS3808的SENSE引脚电压低于门限电压或MR有效时,复位引脚输出复位信号,CT引脚用来设定复位延迟时间,若悬空延迟时间为20ms,通过电阻连接至VDD则延迟时间为300ms,也可通过电容接地,根据电容值的不同可将延迟时间设定为1.25ms~10s,电容值的计算公式如下: CT(nF)=[tD(s)-0.5×10-3(s)]×175 (2) 本系统采用TPS3808G12、TPS3808G18和TPS3808G33分别对1.2V,1.8V和3.3V电压进行监控,三者的门限电压分别为1.12V、1.67V和3.07V,当输入电压低于门限电压时,DSP就会收到复位信号,从而对电路进行了保护。另外,TPS3808还具有一个手动复位信号MR,可通过复位按钮手动复位。
|




