- 易迪拓培训,专注于微波、射频、天线设计工程师的培养
便携式B超电源的设计
录入:edatop.com 点击:
便携式B超系统内部使用的电源比较复杂,外部适配器和电池的电源必须经过DC/DC转换,以转换成系统需要的电压。为了降低电源上的无用消耗,提高电池使用效率,系统主板、B超控制板、液晶显示器以及键盘的电源采用开关电源供电。
便携B超电源的整体设计
图1为便携B超电源的整体设计方框图。便携B超电源输入电压有两种:一是电源适配器输入,电压为18V,二是电池输入,电压为14.4V。要求实现两种电压之间的热切换,并在切换电压时不影响系统工作,即提供外电和电池供电无延时热切换功能。需要输出±12V、5V、3.3V、±48V等几种电压,具体指标为12V/2.5A、-12V/0.5A、5V/4A、3.3V/3A、+48V/80mA、-48V/80mA。具有单键开关机功能,即无电时,按电源键打开电源;在有电时,按电源键向控制面板发送关机信号,上位机还可以通过软件关机(即支持ATX关机指令)。电源输出接口采用标准计算机ATX接口。
便携B超电源的整体设计
图1为便携B超电源的整体设计方框图。便携B超电源输入电压有两种:一是电源适配器输入,电压为18V,二是电池输入,电压为14.4V。要求实现两种电压之间的热切换,并在切换电压时不影响系统工作,即提供外电和电池供电无延时热切换功能。需要输出±12V、5V、3.3V、±48V等几种电压,具体指标为12V/2.5A、-12V/0.5A、5V/4A、3.3V/3A、+48V/80mA、-48V/80mA。具有单键开关机功能,即无电时,按电源键打开电源;在有电时,按电源键向控制面板发送关机信号,上位机还可以通过软件关机(即支持ATX关机指令)。电源输出接口采用标准计算机ATX接口。
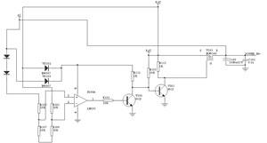
![]() 图1 便携B超电源整体设计方框图 电源切换电路的设计便携B超电源切换电路如图2所示,在外接电源适配器时,电压输入交流18V,经VD100、VD101二极管后,再经R100、R107分压加到N100A(LM193)电压比较器的3脚(同相端)。电池输入电压是14.4V,经R101、R108分压后加到N100A(LM193)电压比较器2脚(反相端)。由于3脚电压高于2脚,因此N100A(LM193)1脚输出高电平,使三极管V100导通,V101截至,场效应管V105截至,Power_IN+端得到的是外接电源适配器的18V电压。当没有外接电源适配器时,或便携B超机在使用过程中,外部交流电突然停电造成无法使用外接电源适配器时, N100A(LM193)的3脚电压低于2脚,N100A(LM193)1脚输出低电平,使三极管V100截至,V101导通,场效应管V105导通。电池电压经过导通的场效应管V105的源、漏极,POWER_IN+端得到的是电池的14.4V电压,实现了两种电压之间的热切换。VD102、VD103在电路中起隔离作用,隔离外接电源适配器和电池供电。
|






