- 易迪拓培训,专注于微波、射频、天线设计工程师的培养
一种新型不间断电源
录入:edatop.com 点击:
0 引言
在冶金、石化、制药等行业中,有一些重要的生产设备,如冶金企业的炼钢转炉和铜冶炼转炉的传动装置、炼钢转炉氧枪提升传动装置、连铸机大包转台传动装置、石化系统的重要泵类和制药厂的搅拌罐设备、化纤抽丝工艺等,当交流电网出现电压瞬变、停电等故障时,不允许设备中断运转,应当继续运行至完成当前的生产工艺或运转到安全位置再停车,否则会造成很大的经济损失。一般情况下这些设备都是由变频器驱动的,如果采用在线式工业UPS不仅造价昂贵、而且电源的利用效率会下降很多。多数企业因没有后备电源而不得不承受电网故障造成的损失。因此,对一种投资小、效率高的不间断电源系统需求非常旺盛。
1 系统工作原理
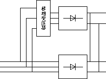
该新型不间断电源在工业应用中有两种型式,即共直流母线不间断电源,和非共直流母线不间断电源。其原理图分别如图1与图2所示。
在冶金、石化、制药等行业中,有一些重要的生产设备,如冶金企业的炼钢转炉和铜冶炼转炉的传动装置、炼钢转炉氧枪提升传动装置、连铸机大包转台传动装置、石化系统的重要泵类和制药厂的搅拌罐设备、化纤抽丝工艺等,当交流电网出现电压瞬变、停电等故障时,不允许设备中断运转,应当继续运行至完成当前的生产工艺或运转到安全位置再停车,否则会造成很大的经济损失。一般情况下这些设备都是由变频器驱动的,如果采用在线式工业UPS不仅造价昂贵、而且电源的利用效率会下降很多。多数企业因没有后备电源而不得不承受电网故障造成的损失。因此,对一种投资小、效率高的不间断电源系统需求非常旺盛。
1 系统工作原理
该新型不间断电源在工业应用中有两种型式,即共直流母线不间断电源,和非共直流母线不间断电源。其原理图分别如图1与图2所示。
![]() 图1 共直流母线不间断电源原理图
|








