- 易迪拓培训,专注于微波、射频、天线设计工程师的培养
谈白光 LED 的家用照明
录入:edatop.com 点击:
在全球能源短缺、环保要求不断提高的情况下,举世瞩目的 2008 年北京奥运会和 12010 年上海世博会都不约而同地以围绕绿色节能为主题,这给中国 LED 照明产业的发展带来了巨大的历史机遇。 2008 年的北京奥运会是奥运历史上首次大规模使用半导体 LED 照明技术,为我们创造了空前的视觉盛宴。在奥运、世博的强力带动下,必将迎来中国 LED 照明市场飞速增长。
天津越秀路、工大的 LED 路灯也已创造了良好的照明效果。
笔者采用 4 . 8mm 、散光、 1200mcd 的白光 LED 制作了几只 LED 灯,这里对其详细的分析:
一、 1 . 8W LED 灯和 VS 8 瓦节能台灯 38 头的 LED 灯实测功率 1 . 8W ; 8 瓦节能灯实测功率 8 . 5W 。
目测其亮度及照明范围相当,用太阳能电池及光敏电阻测试, 1 . 8W LED 灯优于 8 瓦节能台灯。
就现阶段而言,白光 LED 灯的每瓦流明数大致与节能灯相当 ( 当然每瓦高达 80-90 流明的超高亮 LED 也已开发出来.但成本过于昂贵,现阶段难以进入寻常百姓家 ) ,那为啥 LED 灯显得更节能呢 这主要可从两方面加以考虑。
1 .发光角度常规光源大多 360 。全方位的发光,采用反光罩进行定向反射,光的利用率较低。散光的白光 LED 其发光角度在 120 。左右,不需要反光罩,在层高 2 . 8 米 的房间内吸顶安装,其有效的照射直径达 9 . 6 米 ,在主照明区域,有较好的照明效果。 1200 上方的空间主要依靠漫反射光,亮度低。
一个 360 °全方位发光的常规光源与 1200 左右 LED 灯,其等距离照明面积之比约为 3 . 7 ,若在空旷地不使用反光罩的常规光源与等瓦数和等每瓦流明数的 LED 灯相比,在主照明区域内, LED 灯的亮度是常规光源的 3 . 7 倍 ! 使用反光罩的常规光源亮度有所增加,但要低于 LED 灯。
2 .光的显色性有报道,根据人眼的明暗视觉解释.在同等照度 ( 仪器测量值 ) 下, LED 路灯比高压钠灯亮 2 . 5 倍。笔者认为在常规生活活动中不存在暗视觉 ( 暗视觉只有在低于 O . 01cd/m2 才存在 ) ,也就无明暗视觉之说了,但人限及数码相机等确实发现 LED 灯有更好的照明效果,这又如何解释呢 看过 LED 灯照明效果的人都会发现,大多数 LED 灯的灯光看上去比节能灯的灯光显得更白,具有更好的显色性。
二、电容降压电路的设计
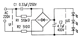
成本是制作 LED 灯推广普及的一大因素,现在市场上的 LED 灯,大都采用电容降压电路作为电源 ( 见附图 ) 。电容降压电路具有体积小、价格低、安装方便等优点,有较好的应用前景。但在设计时往往采用简单的容抗计算确定其降压电容 ( 即全波整流是 1186 谈 -1.jpg 造成使用的降压电容偏小, LED 灯亮度过低。为追求较高的亮度,往往盲目提高降压电容容量,这种情况下常会损坏 LED 。
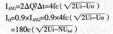
事实上,在正常工作时, LED 两端的电压变化很小,相当于稳压电路,即 UO .基本不变,在 Ui 高于 Uo 时,降压电容 C1 才有充放电流流过。我们考虑在输入电压的上升过程中,为 C1 的主充电过程,输入电压的下降过程,为 C1 的主放电过程,在一个半波周期内,降压电容 C1 充放的电荷变化量均为:

可以得出,平均电流值为: ( △ t 为半波周期 )

式中: N 为 LED 数量, Uled 为单只 LED 工作电压。单只 LED 工作电压为 3 . 1 ~ 3 . 4V .应根据实际情况选取。

从实测 UC 可以看出,电容 C1 两端电压并不符合纯阻容电路的分压原理 ( 事实上 C1 两端电压并非简单的正弦波 ) ,若采用简单的容抗计算输出电流,其计算值将达 15 . 3mA 。
同时。不少文章认为附图的 R2 作为防浪涌电阻必不可少。而笔者认为,附图真起防浪涌的是滤波电容 C2 。 R2 的存在与否对防浪涌不起关键性作用,反而白白消耗电能,可以省略。 C2 具有滤波、防浪涌双重作用,可更有效地提高对电流的利用率及电路稳定性。当滤波电容 C2 较大时,对降压电容 C1 充放电过程电荷的增减牵制作用更大,降压电容 C1 容量的实际值偏差对线路的影响减少。
三、实际照明效果白光 LED 灯具有很强的方向性,可广泛应用于直射照明的场合。在家庭环境下,大多数照明灯均为吸顶或角边安装.这正符合白光 LED 灯的安装需求,对于朝上安装的壁灯、床头灯等不太适合。笔者在客厅、卫生间、楼梯间等安装了多盏 LED 灯,取得了较好的照明效果,总结出如下的结论:
楼梯间每层: 0 . 5 瓦的 LED 灯,可在夜间常开使用,以减少上下楼梯时的开关灯烦恼。
卫生间、厨房约 7 ~ 8 平方米,采用 2 瓦的 LED 灯,其墙面的反光较好,亮度较高,比原来采用的 40 瓦白炽灯显得更自更亮。
客厅 22 平方米 采用 2 瓦× l0 的 LED 灯.多点均布,双路控制,与原来的 2 盏 40 瓦目光灯大致相当,略偏暗。平时开一路 (5 盏 ) ,需要较亮时双路同开。
卧室 14 平方米 ,采用 2 瓦× 4 的 LED 灯.安装在房屋中心,采用原来的吸顶灯玻璃罩.双路控制。
台灯,近距离看书用,采用带玻璃散光罩的 2 瓦 LED 灯,防止高亮眩目。
天津越秀路、工大的 LED 路灯也已创造了良好的照明效果。
笔者采用 4 . 8mm 、散光、 1200mcd 的白光 LED 制作了几只 LED 灯,这里对其详细的分析:
一、 1 . 8W LED 灯和 VS 8 瓦节能台灯 38 头的 LED 灯实测功率 1 . 8W ; 8 瓦节能灯实测功率 8 . 5W 。
目测其亮度及照明范围相当,用太阳能电池及光敏电阻测试, 1 . 8W LED 灯优于 8 瓦节能台灯。
就现阶段而言,白光 LED 灯的每瓦流明数大致与节能灯相当 ( 当然每瓦高达 80-90 流明的超高亮 LED 也已开发出来.但成本过于昂贵,现阶段难以进入寻常百姓家 ) ,那为啥 LED 灯显得更节能呢 这主要可从两方面加以考虑。
1 .发光角度常规光源大多 360 。全方位的发光,采用反光罩进行定向反射,光的利用率较低。散光的白光 LED 其发光角度在 120 。左右,不需要反光罩,在层高 2 . 8 米 的房间内吸顶安装,其有效的照射直径达 9 . 6 米 ,在主照明区域,有较好的照明效果。 1200 上方的空间主要依靠漫反射光,亮度低。
一个 360 °全方位发光的常规光源与 1200 左右 LED 灯,其等距离照明面积之比约为 3 . 7 ,若在空旷地不使用反光罩的常规光源与等瓦数和等每瓦流明数的 LED 灯相比,在主照明区域内, LED 灯的亮度是常规光源的 3 . 7 倍 ! 使用反光罩的常规光源亮度有所增加,但要低于 LED 灯。
2 .光的显色性有报道,根据人眼的明暗视觉解释.在同等照度 ( 仪器测量值 ) 下, LED 路灯比高压钠灯亮 2 . 5 倍。笔者认为在常规生活活动中不存在暗视觉 ( 暗视觉只有在低于 O . 01cd/m2 才存在 ) ,也就无明暗视觉之说了,但人限及数码相机等确实发现 LED 灯有更好的照明效果,这又如何解释呢 看过 LED 灯照明效果的人都会发现,大多数 LED 灯的灯光看上去比节能灯的灯光显得更白,具有更好的显色性。
二、电容降压电路的设计
成本是制作 LED 灯推广普及的一大因素,现在市场上的 LED 灯,大都采用电容降压电路作为电源 ( 见附图 ) 。电容降压电路具有体积小、价格低、安装方便等优点,有较好的应用前景。但在设计时往往采用简单的容抗计算确定其降压电容 ( 即全波整流是 1186 谈 -1.jpg 造成使用的降压电容偏小, LED 灯亮度过低。为追求较高的亮度,往往盲目提高降压电容容量,这种情况下常会损坏 LED 。
事实上,在正常工作时, LED 两端的电压变化很小,相当于稳压电路,即 UO .基本不变,在 Ui 高于 Uo 时,降压电容 C1 才有充放电流流过。我们考虑在输入电压的上升过程中,为 C1 的主充电过程,输入电压的下降过程,为 C1 的主放电过程,在一个半波周期内,降压电容 C1 充放的电荷变化量均为:
可以得出,平均电流值为: ( △ t 为半波周期 )

式中: N 为 LED 数量, Uled 为单只 LED 工作电压。单只 LED 工作电压为 3 . 1 ~ 3 . 4V .应根据实际情况选取。

从实测 UC 可以看出,电容 C1 两端电压并不符合纯阻容电路的分压原理 ( 事实上 C1 两端电压并非简单的正弦波 ) ,若采用简单的容抗计算输出电流,其计算值将达 15 . 3mA 。
同时。不少文章认为附图的 R2 作为防浪涌电阻必不可少。而笔者认为,附图真起防浪涌的是滤波电容 C2 。 R2 的存在与否对防浪涌不起关键性作用,反而白白消耗电能,可以省略。 C2 具有滤波、防浪涌双重作用,可更有效地提高对电流的利用率及电路稳定性。当滤波电容 C2 较大时,对降压电容 C1 充放电过程电荷的增减牵制作用更大,降压电容 C1 容量的实际值偏差对线路的影响减少。
三、实际照明效果白光 LED 灯具有很强的方向性,可广泛应用于直射照明的场合。在家庭环境下,大多数照明灯均为吸顶或角边安装.这正符合白光 LED 灯的安装需求,对于朝上安装的壁灯、床头灯等不太适合。笔者在客厅、卫生间、楼梯间等安装了多盏 LED 灯,取得了较好的照明效果,总结出如下的结论:
楼梯间每层: 0 . 5 瓦的 LED 灯,可在夜间常开使用,以减少上下楼梯时的开关灯烦恼。
卫生间、厨房约 7 ~ 8 平方米,采用 2 瓦的 LED 灯,其墙面的反光较好,亮度较高,比原来采用的 40 瓦白炽灯显得更自更亮。
客厅 22 平方米 采用 2 瓦× l0 的 LED 灯.多点均布,双路控制,与原来的 2 盏 40 瓦目光灯大致相当,略偏暗。平时开一路 (5 盏 ) ,需要较亮时双路同开。
卧室 14 平方米 ,采用 2 瓦× 4 的 LED 灯.安装在房屋中心,采用原来的吸顶灯玻璃罩.双路控制。
台灯,近距离看书用,采用带玻璃散光罩的 2 瓦 LED 灯,防止高亮眩目。

射频工程师养成培训教程套装,助您快速成为一名优秀射频工程师...
天线设计工程师培训课程套装,资深专家授课,让天线设计不再难...
上一篇:Silicon
Labs扩充多脚数、触摸感应装置单片机产品线
下一篇:用于大型地震勘探网的高精度低功耗自检测数据采集系统
射频和天线工程师培训课程详情>>

