- 易迪拓培训,专注于微波、射频、天线设计工程师的培养
使用栅极电阻控制IGBT的开关
1 前言
用于控制、调节和开关目的的功率半导体器件需要更高的电压和更大的电流。功率半导体器件的开关动作受栅极电容的充放电控制。而栅极电容的充放电通常又受栅极电阻的控制。通过使用典型的+15V控制电压(VG(on)),IGBT导通,负输出电压为-5V~-15V时,IGBT关断。IGBT的动态性能可通过栅极电阻值来调节。栅极电阻影响IGBT的开关时间、开关损耗及各种其他参数,从电磁干扰EMI到电压和电流的变化率。因此,栅极电阻必须根据具体应用的参数非常仔细地选择和优化。
2 栅极电阻RG对IGBT开关特性的影响
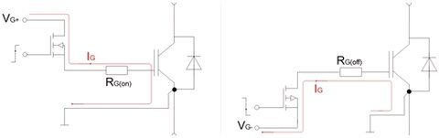
IGBT开关特性的设定可受外部电阻RG的影响。由于IGBT的输入电容在开关期间是变化的,必须被充放电,栅极电阻通过限制导通和关断期间栅极电流(IG)脉冲的幅值来决定充放电时间(见图1)。由于栅极峰值电流的增加,导通和关断的时间将会缩短且开关损耗也会减少。减小RG(on)和RG(off)的阻值会增大栅极峰值电流。当减小栅极电阻的阻值时,需要考虑的是当大电流被过快地切换时所产生的电流上升率di/dt。电路中存在杂散电感在IGBT上产生大的电压尖峰,这一效果可在图2所示的IGBT关断时波形图中观察到。图中的阴影部分显示了关断损耗的相对值。集电极-发射极电压上的瞬间电压尖峰可能会损坏IGBT,特别是在短路关断操作的情况下,因为di/dt比较大。可通过增加栅极电阻的值来减小Vstray。因此,消除了由于过电压而带来的IGBT被损毁的风险。快速的导通和关断会分别带来较高的dv/dt和di/dt,因此会产生更多的电磁干扰(EMI),从而可能导致电路故障。表1显示不同的栅极电阻值对di/dt的影响。
| |
| 图1 导通、关断/栅极电流 |
| |
| 图2 IGBT关断 |
| |
| 表1 变化率/特性 |
3 对续流二极管开关特性的影响
续流二极管的开关特性也受栅极电阻的影响,并限制栅极阻抗的最小值。这意味着IGBT的导通开关速度只能提高到一个与所用续流二极管反向恢复特性相兼容的水平。栅极电阻的减小不仅增大了IGBT的过电压应力,而且由于IGBT模块中diC/dt的增大,也增大了续流二极管的过压极限。通过使用特殊设计和优化的带软恢复功能的CAL(可控轴向寿命)二极管,使得反向峰值电流减小,从而使桥路中IGBT的导通电流减小。
4 驱动器输出级的设计
栅极驱动电路的驱动器输出级是一种典型的设计,采用了两个按图腾柱形式配置的MOSFET,如图3所示。两个MOSFET的栅极由相同的信号驱动。当信号为高电平时,N通道MOSFET导通,当信号为低电平时,P通道MOSFET导通,从而产生了两个器件推挽输出的配置。MOSFET的输出级可有一路或两路输出。据此可实现具有一个或两个栅极电阻(导通,关断)的用于对称或不对称栅极控制的解决方案。
| |
| 图3 RG(on)/RG(off)的连接 |
5 栅极电阻的计算
对于低开关损耗,无IGBT模块振荡,低二极管反向恢复峰值电流和最大dv/dt限制,栅极电阻必须体现出最佳的开关特性。通常在应用中,额定电流大的IGBT模块将采用较小的栅极电阻驱动;同样的,额定电流小的IGBT模块,将需要较大的栅极电阻。也就是说,IGBT数据手册中所给的电阻值必须为每个设计而优化。IGBT数据手册指定了栅极电阻值。然而,最优的栅极电阻值一般介于数据手册所列值和其两倍之间。IGBT数据手册中所指定的值是最小值。在指定条件下,两倍于额定电流可被安全地关断。在实际中,由于测试电路和各个应用参数的差异,IGBT数据手册中的栅极电阻值往往不一定是最佳值。上面提到的大概的电阻值(即两倍的数据表值)可被作为优化的起点,以相应地减少栅级电阻值。确定最优值的唯一途径是测试和衡量最终系统,使应用中的寄生电感最小很重要。这对于保持IGBT的关断过电压在数据手册的指定范围内是必要的,特别是在短路情况下。栅极电阻决定栅极峰值电流IGM。增大栅极峰值电流将减少导通和关断时间,以及开关损耗。栅极峰值电流的最大值和栅极电阻的最小值分别由驱动器输出级的性能决定。
6 设计、布局和疑难解答
为了能够经受住应用中出现的大负载,栅极电阻必须满足一定的性能要求并具有一定的特性。由于栅极电阻上的大负载,建议使用电阻并联的形式。这将产生一个冗余,如果一个栅极电阻损坏,系统可临时运行,但开关损耗较大。选择错误的栅极电阻,可能会导致问题和不希望的结果。所选的栅极电阻值太大,将导致损耗过大,应减小栅极电阻值。过高的栅极电阻值可能会导致IGBT在开关期间长时间运行在线性模式下,最终导致栅极振荡。然而,万一电阻的功耗和峰值功率能力不够,或者使用了非防浪涌电阻,都会导致栅极电阻过热或烧毁。运行期间,栅极电阻不得不承受连续的脉冲电流,因此,栅极电阻必须具有一定的峰值功率能力。使用非常小的栅极电阻,会带来更高的dv/dt 或di/dt,但也可能会导致EMI噪声。
应用(直流环节)中的电感过大或者使用的栅极电阻小,将导致更大的di/dt,从而产生过大的IGBT电压尖峰。因此,应尽量减小电感或者增大栅极电阻值。为减小短路时的电压尖峰,可使用软关断电路,它可以更缓慢地关断IGBT。栅极电阻和IGBT模块之间的距离应尽可能短。如果栅极电阻和IGBT模块之间的连线过长,将会在栅极-发射极的通道上产生较大的电感。结合IGBT的输入电容,该线路电感将形成一个LC振荡电路。可简单地通过缩短连线或者用比最小栅极电阻值RG(min)≥2√Lwire/Cies大的栅极电阻来衰减这种振荡。
射频工程师养成培训教程套装,助您快速成为一名优秀射频工程师...





