- 易迪拓培训,专注于微波、射频、天线设计工程师的培养
开关电源多路输出技术控制方法综述
录入:edatop.com 点击:
0 引言
多路输出技术中一个重要性能指标就是负载交叉调整率的问题,我们通常采用变压器副边多个绕组的方法来实现多路输出。但是这种方法一般只采样一路主输出进行反馈调节控制,因此交叉调整性能较差。改善多路输出开关电源交叉调整率的方法可分为无源和有源两类。本文首先介绍了几种传统的多路输出技术,并对其进行了简单的分析和总结。重点介绍了两种新的多路输出技术:恒流源实现多路输出和PWM—PD多路输出技术。结合典型拓扑探讨了PWM—PD技术的应用前景。
l 传统的多路输出方法
1)无源调节
无源调节通过在次级增加一些简单的无源器件可以使负载交叉调整率得到一定的改善。无源调节包括耦合电感调节控制和加权电压反馈调节控制两种,如图1所示。前者通过将输出电感L1、L2绕在同一磁芯上,相当于增大了滤波电感,使辅输出稳压,从而使负载交错性能得到一定改善。加权电压反馈调节同时检测反馈几路输出电压加权和到控制电路中,通过合理设计各路输出反馈电压的加权因子,调整各路输出电压。这两种方法都存在调节误差。但它们实现起来比较简单,不增加电路的复杂性,适用于对输出电压精度要求较低的场合。
有源调节也可称为次级后置装置调节,即通过在变压器副边加入一级有源调节装置对次级整流电路进行调整来实现对辅输出电压的调整。以正激电路为例,图2给出了五种不同类型的次级后置装置调节方式,他们具有各自的优缺点。表l给出了不同类型调节方式在电路结构、效率、性价比、调整率以及应用场合等方面的特性比较。
1)恒流源实现多路输出技术
传统的多路输出技术存在交叉调整率较差或者电路过于复杂等问题,恒流源多路输出技术通过对几个控制开关的简单控制可很好的实现对不同负载的供电。
(1)工作原理
图3给出了恒流源实现多路输出的基本工作原理。如图所示,多个平行负载分别通过一个输出控制开关接在恒流源的后级,采用分时复用(TM)的方法,每个输出开关在一个开关周期内只有一段间隔时间与电流源连接,通过控制开关的开通和关断时间可以控制每路输出电容上的电压值,实现多路输出电压。该恒流源可以用平均电流控制型Buck,Buck—Boost,SEPIC,反激等单电感PWM DC—DC变换器来实现,如果输入输出需要电气隔离则可用正激变换器拓扑。根据不同的电路拓扑,电路可工作在断续(DCM)模式,也可工作在连续(CCM)模式,还能实现输出的双极性。
输出开关S1、S2、S3的占空比控制有几种控制方法。一种是滞后控制,如图4所示。t1时间内第一路输出电压Uo1低于其下限值时,S1导通,电流源对输出电容C1充电,输出电压逐渐升高,当达到它的上限电压值时,S1关断。当S1、S2、S3都关断,没有任何负载与恒流源接通时,Sr导通,恒流源通过Sr续流。每路输出与恒流源的导通时间在一定范围内取决于它的滞后带宽。采用滞后控制的功率开关管开关频率是不断变化的,不利于电路参数的设计。
[p] 2)PWM—PD(Pulse width modulation—pulsedelay control)多路输出技术
(1)工作原理
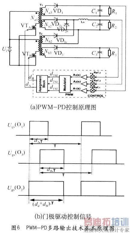
PWM—PD多路输出技术基于脉宽调制一脉宽延迟控制技术之上研究出新的多路输出变换器拓扑。利用PWM—PD多路输出技术获得的独立控制参数个数多于拓扑中可控器件的个数。它的基本工作原理如图6(a)所示,以正反激变换器为例。电路有三路输出,两个功率开关管,中间为功率级。要实现三路精确输出则需要三个独立控制参数对电路进行控制。占空比dA、dB分别为VTA、VTB的同频控制信号,控制第一路和第三路的输出电压。另外一个控制信号取决于dA、dB之间的延时dA、dd+dB控制第二路输出电压。这样三个控制信号dA、dB、dd+dB就可实现三路输出的精确调节。电路只需控制两个开关功率器件就能获得三路输出电压。该控制电路可以通过模拟集成芯片实现,亦可采用数字控制,控制信号dA、dB、dd应满足下面条件,如图6(b)所示。
PWM—PD多路输出技术适用于很多DC/DC拓扑。根据中间的DC/DC变换器功率模块的不同拓扑结构可分为以下三类:
①无隔离变压器的变换器,如图7(a);
②有变压器并接有后置调节装置的变换器,其中又包括变压器多副边及单副边绕组两种情况,如图7(b);
③有变压器但不接后置调节装置的变换器,如图6(a)。
此外,通过扩展桥臂还可以实现2N一1路输出(N为桥臂数),每一路都能获得精确控制。利用变压器漏感还可以实现四个开关管的ZVS运行,使变换器可以工作在更高的开关频率。该方法较之传统的后置装置调节控制电路更为简单,所需元器件少,成本低,效率高,交叉调整率好,输出电压精确,对输出电压调整率要求高的大功率场合如通信电源、工业电源等具有实际意义。
3 结束语
交叉调整率是评估多路输出开关电源的重要性能指标之一。本文对传统的多路输出控制技术进行了简单介绍和总结,对于输出精度不高的场合,低成本的无源调节方式可以满足设计要求。随着通信、数字处理技术的发展,输出调整率好的大功率多路输出变换器越来越受到业界的欢迎。基于PWM—PD控制技术的多路输出变换器控制简单,所需元件少,效率高,交叉调整率好,其研究对未来多路输出技术的发展具有很好的参考价值。
多路输出技术中一个重要性能指标就是负载交叉调整率的问题,我们通常采用变压器副边多个绕组的方法来实现多路输出。但是这种方法一般只采样一路主输出进行反馈调节控制,因此交叉调整性能较差。改善多路输出开关电源交叉调整率的方法可分为无源和有源两类。本文首先介绍了几种传统的多路输出技术,并对其进行了简单的分析和总结。重点介绍了两种新的多路输出技术:恒流源实现多路输出和PWM—PD多路输出技术。结合典型拓扑探讨了PWM—PD技术的应用前景。
l 传统的多路输出方法
1)无源调节
无源调节通过在次级增加一些简单的无源器件可以使负载交叉调整率得到一定的改善。无源调节包括耦合电感调节控制和加权电压反馈调节控制两种,如图1所示。前者通过将输出电感L1、L2绕在同一磁芯上,相当于增大了滤波电感,使辅输出稳压,从而使负载交错性能得到一定改善。加权电压反馈调节同时检测反馈几路输出电压加权和到控制电路中,通过合理设计各路输出反馈电压的加权因子,调整各路输出电压。这两种方法都存在调节误差。但它们实现起来比较简单,不增加电路的复杂性,适用于对输出电压精度要求较低的场合。

有源调节也可称为次级后置装置调节,即通过在变压器副边加入一级有源调节装置对次级整流电路进行调整来实现对辅输出电压的调整。以正激电路为例,图2给出了五种不同类型的次级后置装置调节方式,他们具有各自的优缺点。表l给出了不同类型调节方式在电路结构、效率、性价比、调整率以及应用场合等方面的特性比较。


1)恒流源实现多路输出技术
传统的多路输出技术存在交叉调整率较差或者电路过于复杂等问题,恒流源多路输出技术通过对几个控制开关的简单控制可很好的实现对不同负载的供电。
(1)工作原理
图3给出了恒流源实现多路输出的基本工作原理。如图所示,多个平行负载分别通过一个输出控制开关接在恒流源的后级,采用分时复用(TM)的方法,每个输出开关在一个开关周期内只有一段间隔时间与电流源连接,通过控制开关的开通和关断时间可以控制每路输出电容上的电压值,实现多路输出电压。该恒流源可以用平均电流控制型Buck,Buck—Boost,SEPIC,反激等单电感PWM DC—DC变换器来实现,如果输入输出需要电气隔离则可用正激变换器拓扑。根据不同的电路拓扑,电路可工作在断续(DCM)模式,也可工作在连续(CCM)模式,还能实现输出的双极性。

输出开关S1、S2、S3的占空比控制有几种控制方法。一种是滞后控制,如图4所示。t1时间内第一路输出电压Uo1低于其下限值时,S1导通,电流源对输出电容C1充电,输出电压逐渐升高,当达到它的上限电压值时,S1关断。当S1、S2、S3都关断,没有任何负载与恒流源接通时,Sr导通,恒流源通过Sr续流。每路输出与恒流源的导通时间在一定范围内取决于它的滞后带宽。采用滞后控制的功率开关管开关频率是不断变化的,不利于电路参数的设计。


[p] 2)PWM—PD(Pulse width modulation—pulsedelay control)多路输出技术
(1)工作原理
PWM—PD多路输出技术基于脉宽调制一脉宽延迟控制技术之上研究出新的多路输出变换器拓扑。利用PWM—PD多路输出技术获得的独立控制参数个数多于拓扑中可控器件的个数。它的基本工作原理如图6(a)所示,以正反激变换器为例。电路有三路输出,两个功率开关管,中间为功率级。要实现三路精确输出则需要三个独立控制参数对电路进行控制。占空比dA、dB分别为VTA、VTB的同频控制信号,控制第一路和第三路的输出电压。另外一个控制信号取决于dA、dB之间的延时dA、dd+dB控制第二路输出电压。这样三个控制信号dA、dB、dd+dB就可实现三路输出的精确调节。电路只需控制两个开关功率器件就能获得三路输出电压。该控制电路可以通过模拟集成芯片实现,亦可采用数字控制,控制信号dA、dB、dd应满足下面条件,如图6(b)所示。


PWM—PD多路输出技术适用于很多DC/DC拓扑。根据中间的DC/DC变换器功率模块的不同拓扑结构可分为以下三类:
①无隔离变压器的变换器,如图7(a);
②有变压器并接有后置调节装置的变换器,其中又包括变压器多副边及单副边绕组两种情况,如图7(b);
③有变压器但不接后置调节装置的变换器,如图6(a)。


此外,通过扩展桥臂还可以实现2N一1路输出(N为桥臂数),每一路都能获得精确控制。利用变压器漏感还可以实现四个开关管的ZVS运行,使变换器可以工作在更高的开关频率。该方法较之传统的后置装置调节控制电路更为简单,所需元器件少,成本低,效率高,交叉调整率好,输出电压精确,对输出电压调整率要求高的大功率场合如通信电源、工业电源等具有实际意义。
3 结束语
交叉调整率是评估多路输出开关电源的重要性能指标之一。本文对传统的多路输出控制技术进行了简单介绍和总结,对于输出精度不高的场合,低成本的无源调节方式可以满足设计要求。随着通信、数字处理技术的发展,输出调整率好的大功率多路输出变换器越来越受到业界的欢迎。基于PWM—PD控制技术的多路输出变换器控制简单,所需元件少,效率高,交叉调整率好,其研究对未来多路输出技术的发展具有很好的参考价值。
射频工程师养成培训教程套装,助您快速成为一名优秀射频工程师...
天线设计工程师培训课程套装,资深专家授课,让天线设计不再难...
上一篇:安森美半导体80
PLUS银级能效255
W
ATX电源参考设计概览
下一篇:合理选择DC/DC转换器的外部元件
射频和天线工程师培训课程详情>>

