- 易迪拓培训,专注于微波、射频、天线设计工程师的培养
UPS常用技术介绍
由于IT技术的不断发展,用户对重要信息负载保护的重视,UPS的使用范围也越来越广,渗透到各行各业(如:金融,通信,证券,化工,医疗等),并起着电源保护神的角色,于是国内出现了一个庞大的UPS用户市场。国内外品牌厂商都看好这个市场,竞争也愈来愈激烈。为了适应市场,各厂家不断推出新产品.
在推出新产品的同时,市场上UPS采用的新技术也层出不穷,各厂家采用的技术也不尽相同,比如:模块冗余技术,同步控制技术,高频技术等.采用的技术不同,宣传的角度不同,给用户选择UPS带来很大的困扰,现针对市场上UPS采用的一些技术进行汇总介绍。
2.目前市场上UPS采用的技术介绍
Ø 并机冗余技术
并机的发展
从并机柜、并机模块、并机板、无须并机板、无线并机到数码控制自动并机(并机之UPS采用电流控制均分,完全独立控制)的发展过程 ,但目前市场各个过程的并机技术还都存在,主流厂家比如台达UPS就是采用直接并机技术无须增加并机板、并机模块的技术,同时可达8台并机,实现大容量UPS在线经济扩容与冗余.
并联的控制方式
并联运行控制方式一般分为集中控制、主从控制、分散逻辑控制和无互联线独立控制 4 种方案 .台达UPS采用高速的微处理器运算为基础的数字化设计,独特的热补偿分布逻辑控制并机技术,在UPS单机之间无需外加并机卡或并机柜,采用环路通讯电缆连接来传递实时信号,实现并机的"均流"控制。对于并机系统中的各台UPS,均都处于完全"平等"的调控状态之中。并采用独特的同步相位调制法。每台UPS能"智能"地将位于并机系统中的各台UPS的同步跟踪调到最佳状态(各台之间的相位差几乎为零)和实时动态地调节所带的负载百分比,实现高精度的负载均分。在并机系统使用中,有其中一台UPS发生故障时,该故障的UPS会迅速、可靠地从并机系统中脱机,从而确保并机系统继续提供用户高质量的逆变电源。
Ø 同步控制技术
同步控制技术
主要是市电与旁路同步、双路电源输入的同步、并机系统再组成双母线的同步,针对双母线系统同步有外同步控制和内同步控制之分,市场上有根据此技术专门生产的外置同步模块、外置负载同步控制器等,并机(N+X)冗余时多采用内同步控制技术.无线并机也采用内同步控制技术.
台达UPS采用同步控制技术
在分布冗余UPS系统方案(双母线冗余方案)中,台达UPS采用内同步控制技术,在主控制板中内置了同步侦测线路,及相应的控制软体.实现系统同步,确保STS稳步可靠切换电源.
实现原理图如下:

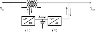
Delta变换式UPS,也是在UPS设计技术中的一种,现对它工作原理做一简单介绍: 1.当市电存在时,逆变器(Ⅰ)和(Ⅱ)只对输入电压与输出电压的差值进行调整和补偿,输出电压稳定度高的电源给用户负载供电.
2. 市电掉电时,切换到电池供电,当负载电流发生畸变时,也由逆变器(Ⅱ)调整补偿掉。
3.正常工作时,负载所获电源中85%的电源是直接取自于市电电网,15%以下 "逆变器(Ⅰ)"所提供。
4.输出频率取决于输入频率,较难改善输入频率的跳变问题,目前市场上多数UPS采用双变换纯在线式设计.而不是Delta变换式.

Delta变换式原理框图
从原理框图及工作原理来看, Delta变换式具有以下特点:
1. 输入功率因数高,输入电流谐波小.
2. 逆变器只提供15%能量, 过载能力强,逆变器余量充足.
3. 主要能量由市电提供,效率较高.
4. 抗输入频率瞬变较差。
Ø 模块化冗余技术
在传统高端UPS产品中,一直存在着单台UPS容易出现单点故障的问题,以往用户对此的安全保障措施是采用传统的"1+1"或"N+1"的并联冗余方式,这不仅增加了采购、安装及维护成本,而且一般情况下只能容错一次。而在模块化UPS系统中,用户只需要购买相应的功率模块,即可实现"N+X"的故障冗余及扩容升级.任何一个模块出现故障,都可自动脱离系统,确保系统正常运行,台达UPS的模块化设计不仅模块实现冗余,内部的辅助电源,PCB板也实现冗余.真正实现各功能模块独立,损坏任何一功能模块都互不干扰.同时还可以实现1+1并机冗余,大大提高系统的可靠度、可用性.
因此最近几年模块化UPS不断推出,更显示了用户对模块化技术的认可,体现了市场一种趋势。
Ø 功能一体化技术
所谓功能一体化,即从传统的单一化系统转到新型一体化的整体解决方案,采用系统集成方式,比如一体化机房,即从空调、输入配电柜、ATS柜、电池开关柜、UPS、电池、输出配电柜、监控等多种功能有机结合,实现互相兼容,使原来整体设备更加协调,安装更加方便(类似堆积木的方式),实现整体大于单个的功效,获得超值的整体解决方案,再如台达室内/室外一体化UPS,把UPS、电池、防水、定时器、干接点、维修旁路开关、门禁告警等集合,有效的增加了UPS整体性及附加价值功能,有如装修好的房子一样,购买了就可以入住,减少用户对各种装修材料的选择。
Ø 高智能化技术
高智能技术体现在UPS实现网络化、远程监控控制能力、故障预测能力,首先可查看UPS是否标配有RS232、RS485、干接点、SNMP卡插槽等基本通讯接口。现在还有一些适应不同场合的USB卡,MODBUS转化器卡。通过通讯接口可以实现UPS故障告警发短信、发E-mail、广播等形式通知用户,现在市场已经有开始尝试用手机实时了解UPS运行信息及控制开关UPS等功能。同时可以预测未来趋势,UPS监控实行一个大的网络,然后可开放UPS运行状态信息给UPS厂家,通过厂家技术力量对数据分析,提前发现需要保养的UPS使用地,这样大大的提高了防患于未然的能力,使UPS有一个良性循环的使用过程。
Ø 12整流技术
为了降低输入电流谐波,可选择安装12pulse整流器。一般内置于主机内,其原理为将输入电压经由变压器,产生两组相位相差30度之电压源分别送至两组整流器,主要功能消除输入端之第五次及第七次电流谐波,而达到降低输入电流总谐波之目的。其输入电流总谐波失真率可降至10~14%之下。12-pulse 整流器其基本架构如图

Ø 高频绿色节能技术
国家对绿色产品鼓励越来越明显,其中财政部、国家发展和改革委员会顺应目前国家大力发展节能环保产品政策,制定颁布了《节能产品政府采购实施意见》。根据此《意见》,各级国家机关、事业单位和团体组织用财政性资金进行采购时,在技术、服务等指标相同条件下,应优先采购节能清单所列的节能产品。
UPS做为高新技术的产品同样也应响应国家的号召,采用了以下技术:
输入整流器采用高频技术
可使输入功率因数>0.99,输入电流谐波<3%,达到真正绿色电源标准,同时可以减小UPS输入端的线缆,保险,空开等容量,减少发电机匹配的容量,降低用户的投资成本.不须因增加额外的滤波器,而增加UPS的损耗.
高整机效率
台达C系列UPS将整机效率大幅提高至94%以上,且风扇可根据负载及温度进行多段调速,输入电流谐波小,减少线缆的损耗,减少输入空开容量等,从细节能够更好的满足客户的省电需求。
3.总结
本文通过对目前市场上常见的UPS技术做总结介绍,希望能够通过本文的介绍能让大家多了解UPS采用的技术,在选型UPS时做一个参考,一般各个厂家某系列产品会采用以上某部分的技术,当然UPS的技术不断的推陈出新,一种新的技术能否取代传统的技术,只有能通过市场考验的才是值得推广的技术,台达做为电力电子行业一个领导级的公司,已经投入巨资开始研究下一代UPS,让我们期待新的变革到来。
射频工程师养成培训教程套装,助您快速成为一名优秀射频工程师...
天线设计工程师培训课程套装,资深专家授课,让天线设计不再难...
上一篇:电子线路的电磁兼容性分析
下一篇:电阻器基本常识

