- 易迪拓培训,专注于微波、射频、天线设计工程师的培养
浅谈多种测电阻方法
• 欧姆表测电阻
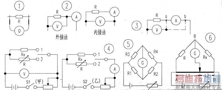
1. 方法:把欧姆表选择好倍率挡位并调零后,将红黑表笔直接接在待测电阻的两端,其表盘上的指示读数即为测电阻值 ( 如图 1 所示 ) 。
2. 使用注意事项:
(1) 使用前要选择恰当的倍率档位——使指针处在整个表盘刻度的 1 , 3 至 2 / 3 的范围内,则测电阻数值较为准确和方便读数; (2) 测量前及换挡后必须调零; (3) 测量时不要用手接触电阻和表笔的金属部分,以免测量不准确; (4) 数据零刻度在右边,且刻度不均匀;读数时,由表盘数据乘以所选倍率即为测量结果;使用后,应将旋钮开关置于 OFF 、空挡或交流电压最高挡。
3. 特点:方法简单,但测量精度不高。
4. 高考考点:在考该部分知识时,主要考万用电表的使用和读数。
• 伏安法测电阻
1. 原理:由 R=U / I ,只要测出电阻中流过的电流和两端的电压,代入公式就可算出电阻的值。
2. 伏安法测电阻电路的两种连接方法及误差:用伏安法测电阻时,电路有两种连接方法,即安培表外接法和安培表内接法,如图 2 所示:对于外接法,由于安培表所测电流既包括待测电阻 R 上的电流,又包括流过伏特表的电流,故测量值比流过 R 上的电流真实值大.所以由 R=U / I 算出的结果比 R 的真实值小;而内接法,安培表虽然测得的是 R 上的真实电流,但伏特表测得的电压既包括 R 两端的电压,也包括安培表两端的电压,所以由公式 R=U/I 算出的电阻值又大于 R 的真实值。这两种情况下的误差都称为系统误莘,故应选择合适的接法。尽量减少误差。
3. 测量电阻电路的两种连接方法的选择: (1) 数值比较法:在安培表、伏特表的内阻 RARv 及待测电阻的值可以大概估计的情况下,可以采用此方法。即若 Rv / R>R / RA 时,采用外接法;若 Rv / R<R / RA 时,采用内接法。
(2) 试探比较法:在实验时,让伏特表先后接在点和 b 点 ( 如图 3 所示 ) ,并分别观察两次实验时伏特表和安培表读数的变化情况;若伏特表示数变化较明显,就采用外接法;若安培表示数变化较明显,就采用内接法.即让示数变化较明显的一只表测流过 R 的电流真实值。
4. 高考考点:高考中主要考仪器仪表的选择、电路的设计 ( 安培表的接法 ) 、连接、数据处理等。
• 替换法测电阻
1. 原理:按图 4 所示连接好电路。先将待测电阻接入电路,并用伏特表测出待测电阻 Rx 两端的电压见甲图 ) 或用安培表测出待测电阻 Rx 中流过的电流见乙图 ) ,然后用变阻箱 R 替换待测电阻,通过调整变阻箱 R 的值,使伏特表或安培表的读数与替换前相等.则此时读出变阻箱 R 的值即为待测电阻的值。
2. 测量步骤: (1) 将实验器材按图 4 连接好,然后滑动变阻器调到最大值后,闭合 S1 ;双掷开关置于后,调节滑动变阻器 R 使伏特表 ( 甲图 ) 或安培表 ( 乙图 ) 指到某一值 ;(2) 再将双掷开关黄于 2 位置,调节变阻箱 R 的值 , 使伏特表或安培表重新达到原来的指示值: (3) 读出变阻箱 R 的值即为待测电阻的值。
3. 高考考点:要求根据给定的有限器材,设计测量电阻 Rx 的实验原理图,并根据设计的电路图连接成实验电路。
• 电桥法测电阻
1. 原理:如图 5 所示,当电桥平衡时 ( 即灵敏电流计 G 中的电流为零 ) ,即 R1 / R2=R3 / R4 ;只要知道四个电阻中的三个.就可求出剩下的那一个。
2. 测量方法:在实际测量中,为了方便调整电桥平衡。其中一个桥臂采用变阻箱或采用如图 6 所示的可读出长度的滑线电阻丝,通过调节灵敏电流计 G 的滑动头 D ,使电流计中的电流为零,则电桥达到平衡,即可测出 AD 段和 DB 段的长度 L1 、 L2 由公式: Rx=(L1 /,求出待测电阻 Rx 的值。
3. 特点:利用电桥法测电阻,结果比较精确,只取决于已知电阻、灵敏电流计的精确度 , 与电源的电动势没有关系,因此在要求精确测电阻时采用此方法。
总之,测电阻的方法较多,在确定了测量方法时,要合理选用和配置器材,并采用合适的连接方法;在测量方法不确定的情况下,要根据所给器材和题目要求,合理设计测量电路及实验方法。

射频工程师养成培训教程套装,助您快速成为一名优秀射频工程师...
天线设计工程师培训课程套装,资深专家授课,让天线设计不再难...
上一篇:马达驱动设计不可不知
下一篇:用单电位器控制双声道的音量

