- 易迪拓培训,专注于微波、射频、天线设计工程师的培养
基于单片机与TC787芯片的三相半控整流电路设计
录入:edatop.com 点击:
整流电路广泛应用在直流电机调速,直流稳压电压等场合。而三相半控整流桥电路结构是一种常见的整流电路,其容易控制,成本较低。本文中介绍了一种基于 PIC690单片机与专用集成触发芯片TC787的三相半控整流电路,它结合专用集成触发芯片和数字触发器的优点 ,获得了高性能和高度对称的触发脉冲。它充分利用单片机内部资源 ,集相序自适应、系统参数在线调节和各种保护功能于一体,可用于对负载的恒电压控制。主电路采用了三相半控桥结构,直流侧采用LC滤波结构来提高输出的电压质量。
系统总体设计
本系统通过PIC690单片机作为主控制芯片,用晶闸管作为主要开关器件。设计的目标是保持输出的直流电压稳定,输出电压纹波小,交流输出测电流THD较低,性能可靠。
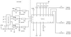
系统主要电路包括:三相桥式半控整流电路、同步信号取样电路、单片机控制电路、晶闸管触发电路。首先,由同步信号取样电路得到同步信号并送集成触发芯片TC787,经过零检测,再进行相应的延时以实现移相。单片机中的ADC负责采集直流母线电压,根据电压的设定值与实际值的偏差经过PI运算来调节给定输出。PIC单片机将电压的参考值输出到TC787,由TC787实现对晶闸管的移相触发,以实现整流调压。硬件电路的整体框图如图1所示。
系统总体设计
本系统通过PIC690单片机作为主控制芯片,用晶闸管作为主要开关器件。设计的目标是保持输出的直流电压稳定,输出电压纹波小,交流输出测电流THD较低,性能可靠。
系统主要电路包括:三相桥式半控整流电路、同步信号取样电路、单片机控制电路、晶闸管触发电路。首先,由同步信号取样电路得到同步信号并送集成触发芯片TC787,经过零检测,再进行相应的延时以实现移相。单片机中的ADC负责采集直流母线电压,根据电压的设定值与实际值的偏差经过PI运算来调节给定输出。PIC单片机将电压的参考值输出到TC787,由TC787实现对晶闸管的移相触发,以实现整流调压。硬件电路的整体框图如图1所示。
|
图1 系统硬件整体框图 主电路设计 主电路采用三相桥式半控整流电路,直流测采用LC滤波电流结构,主电流原理图如图2所示。半控桥选择SEMIKRON公司的SKDH146/120-L100模块,该模块额定电流140A,额定电压1200V。直流侧采用LC滤波电路结构,比单独电容滤波效果好。此外,还可以提高交流输入侧的电流THD。直流侧主要的谐波含量为工频的6倍及6的整数倍,设计LC低通滤波时要避免含量较高的谐波引起的谐振。在本设计中选取电感5mH,滤波电容480μF。
|




