- 易迪拓培训,专注于微波、射频、天线设计工程师的培养
DFC 型系列伺服放大器原理与故障检修
录入:edatop.com 点击:
伺服放大器是电动执行器的配套装置,是组成自动控制系统不可缺少的核心部件之一,它与电动执行机构配合,接受来自调节器、工控机、 DCS 、计算机等仪表系统的控制信号,操纵电动执行机构完成调节任务,广泛用于电站、化工、石油、冶金、轻工等行业。不同生产厂家、不同铭牌及系列代号的产品,其内部结构和工作原理大同小异,并且其接线端子定义完全相同 ( 即不同品牌之间也可以相互代用 ) 。因此本文仅以 DFC 系列之 1100 型伺服放大器为例,简要介绍其原理及常见故障的分析与处理,供同行参考。
一、工作原理
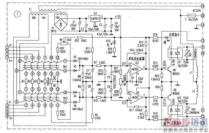
伺服放大器由输入通道、磁放大器电路、比较放大电路、功率输出电路、状态显示以及电源电路等部分组成。其详细工作原理见图 1 所示。
磁放大器电路:该部分主要由 DK1 ~ DK2 、 R1-R10 、 R20 ~ R22 、 V2 ~ V5 等元件构成,其作用是接受各种输入信号,并把这些信号综合,将其偏差信号放大供给后级电路使用。磁放大器 ( 即图中的 DK1 、 DK2) 共由四个结构完全相同的坡莫合金环构或。以 DK1 为例,由两个磁环构成,每个磁环上绕有一组交流激励绕组 ( 即 A-X 与 B-Y) ,把两个磁环粘在一起,绕上四组输入绕组 ( 即① - ②、③ - ④、⑤ - ⑥、⑦ - ⑧ ) 、反馈绕组 ( 即⑩ - ⑨ ) 和偏移绕组 ( 即 12-11) ,构成单臂磁放大器。
由图可见,每个单臂磁放大器上所绕线圈多达 8 组。两个单臂放大器组成推挽式磁放大器。交流激励绕组所加的激励电压是由变压器 T1 次级提供的双 18V 交流电压,激励绕组的另一端分别接有二极管 V2-V3 及 V4 ~ V5 。电阻 R8 和 R9 的直流电压之差,即为磁放大器的输出。信号输入绕组分别接有 R1 ~ R4 ,以便把各绕组的内阻都统调到 150 Ω,以利于阻抗平衡。偏移绕组由 +12V 经 R22 、 W1 、 R 2l ( 或 R20) 供给直流信号,使其产生恒定直流磁场。调整 W1 可以改变偏移电流大小,也就是调整磁放大器的零点,改变 R22 可以调整磁放大器的工作点。 R11 、 R6 是磁放大器输出的反馈电阻。从磁放大器的输出端取出部分电压,接到反馈绕组构成磁放大器的负反馈。磁放大器是利用直流电流来改变导磁体的导磁棒,使交流绕组的电感量发生变化,从而控制交流绕组中电流值。改变 R11 、 R6 可以调整磁放大器的输出为零。而当控制绕组中有输入信号时,由于此直流电流在两个单臂绕组中的流动方向相反,使其中一组磁环的导磁率及电感量减小,激励绕组电流增大;但是另一激动绕组电流减小。因此在电阻 R8 和 R9 的压降不相等,磁放大器有电压输出,实现了用磁放大器的输出电压反映输入电流的变化。磁放大器共 3 个控制绕组 ( 即输入、反馈和偏移绕组 ) ,它们的输入信号通过磁环中产生的磁通来叠加,可以相互隔离。磁放大器的放大倍数主要取决于磁环的导磁系数和控制绕组的匝数。当输入信号的代数和为± 150 μ A 时,推挽式磁放大器的输出电压约为± 1V 。
比较放大电路主要由双电压比较器 LM393 及其外围元件构成。 LM393 内部由两个偏移电压指标低达 2 . 0 μ的独立精密电压比较器构成。该 IC 采用单电源设计,适用电压范围广。且可直接与 TTL 及 CMOS 逻辑电路接口。只要同相输入端的电压比反向输入端的电压高,其输出端就会输出高电平;反之则输出低电平。需要注意的是在实际使用电路中要在其输出端 ( 即①、⑦脚 ) 加上上拉电阻,也就是将一个大约几百欧到几千欧的电阻从输出端接到电源正端,如图 1 中的 R12 及 R15 。
该部分的工作过程如下: +12V 电压经 R27 、 W2 、 R28 分压后从 W2 的中心抽头取出约 0 . 678V 的电压加至 IC2 的反相输入端②、⑥脚,作为基准电压。当输入信号 Ic-If>0( 且超过死区 ) 时,此时 IC2 之⑤脚同相输入端电压由 0 增大至超过⑥脚的 0 . 678V ,则 V ⑤ >V ⑥,⑦脚输出端由静态的 0 . 258V 跃变为 2 . 7V ,通过 R16 加至正相驱动管 V9 的基极;当 Ic - If<0( 且超过死区 ) 时, IC2 之③脚同相输入端电压由 0 增大至超过②脚的 0 . 678V ,则 V ③ >V ②,①脚输出端由静态的 0 . 258V 同样跃变为 2 . 7V ,通过 R13 加至反相驱动管 V8 的基极;而当 Ic-if=0( 或不超过死区 ) 时,比较器无输出动作。 C5-C8 的作用是对前级输入信号进行滤波。 IC2(LM393) 的管脚功能定义及在路实测数据参见附表所示,可供检修时参考。
状态显示电路主要由 V10 、 V6 、 V7 构成,其中 V10 (红色发光管)用以指示电源部分是否正常; V6 (绿色发光管)是反程指示,当 V8 导通且 GT1 正常时, V6 发光,反之则熄灭; V7 则是正程指示,即当 V9 导通且 GT2 正常时, V7 发光,反之则熄灭。
电源电路部分比较简单,不再赘述。伺服放大器的尾部端子接线定义参见图 2 所示,该图中 1 ~ 20 与图 1 中的 1 ~ 20 一一对应。
一、工作原理
伺服放大器由输入通道、磁放大器电路、比较放大电路、功率输出电路、状态显示以及电源电路等部分组成。其详细工作原理见图 1 所示。

磁放大器电路:该部分主要由 DK1 ~ DK2 、 R1-R10 、 R20 ~ R22 、 V2 ~ V5 等元件构成,其作用是接受各种输入信号,并把这些信号综合,将其偏差信号放大供给后级电路使用。磁放大器 ( 即图中的 DK1 、 DK2) 共由四个结构完全相同的坡莫合金环构或。以 DK1 为例,由两个磁环构成,每个磁环上绕有一组交流激励绕组 ( 即 A-X 与 B-Y) ,把两个磁环粘在一起,绕上四组输入绕组 ( 即① - ②、③ - ④、⑤ - ⑥、⑦ - ⑧ ) 、反馈绕组 ( 即⑩ - ⑨ ) 和偏移绕组 ( 即 12-11) ,构成单臂磁放大器。
由图可见,每个单臂磁放大器上所绕线圈多达 8 组。两个单臂放大器组成推挽式磁放大器。交流激励绕组所加的激励电压是由变压器 T1 次级提供的双 18V 交流电压,激励绕组的另一端分别接有二极管 V2-V3 及 V4 ~ V5 。电阻 R8 和 R9 的直流电压之差,即为磁放大器的输出。信号输入绕组分别接有 R1 ~ R4 ,以便把各绕组的内阻都统调到 150 Ω,以利于阻抗平衡。偏移绕组由 +12V 经 R22 、 W1 、 R 2l ( 或 R20) 供给直流信号,使其产生恒定直流磁场。调整 W1 可以改变偏移电流大小,也就是调整磁放大器的零点,改变 R22 可以调整磁放大器的工作点。 R11 、 R6 是磁放大器输出的反馈电阻。从磁放大器的输出端取出部分电压,接到反馈绕组构成磁放大器的负反馈。磁放大器是利用直流电流来改变导磁体的导磁棒,使交流绕组的电感量发生变化,从而控制交流绕组中电流值。改变 R11 、 R6 可以调整磁放大器的输出为零。而当控制绕组中有输入信号时,由于此直流电流在两个单臂绕组中的流动方向相反,使其中一组磁环的导磁率及电感量减小,激励绕组电流增大;但是另一激动绕组电流减小。因此在电阻 R8 和 R9 的压降不相等,磁放大器有电压输出,实现了用磁放大器的输出电压反映输入电流的变化。磁放大器共 3 个控制绕组 ( 即输入、反馈和偏移绕组 ) ,它们的输入信号通过磁环中产生的磁通来叠加,可以相互隔离。磁放大器的放大倍数主要取决于磁环的导磁系数和控制绕组的匝数。当输入信号的代数和为± 150 μ A 时,推挽式磁放大器的输出电压约为± 1V 。
比较放大电路主要由双电压比较器 LM393 及其外围元件构成。 LM393 内部由两个偏移电压指标低达 2 . 0 μ的独立精密电压比较器构成。该 IC 采用单电源设计,适用电压范围广。且可直接与 TTL 及 CMOS 逻辑电路接口。只要同相输入端的电压比反向输入端的电压高,其输出端就会输出高电平;反之则输出低电平。需要注意的是在实际使用电路中要在其输出端 ( 即①、⑦脚 ) 加上上拉电阻,也就是将一个大约几百欧到几千欧的电阻从输出端接到电源正端,如图 1 中的 R12 及 R15 。
该部分的工作过程如下: +12V 电压经 R27 、 W2 、 R28 分压后从 W2 的中心抽头取出约 0 . 678V 的电压加至 IC2 的反相输入端②、⑥脚,作为基准电压。当输入信号 Ic-If>0( 且超过死区 ) 时,此时 IC2 之⑤脚同相输入端电压由 0 增大至超过⑥脚的 0 . 678V ,则 V ⑤ >V ⑥,⑦脚输出端由静态的 0 . 258V 跃变为 2 . 7V ,通过 R16 加至正相驱动管 V9 的基极;当 Ic - If<0( 且超过死区 ) 时, IC2 之③脚同相输入端电压由 0 增大至超过②脚的 0 . 678V ,则 V ③ >V ②,①脚输出端由静态的 0 . 258V 同样跃变为 2 . 7V ,通过 R13 加至反相驱动管 V8 的基极;而当 Ic-if=0( 或不超过死区 ) 时,比较器无输出动作。 C5-C8 的作用是对前级输入信号进行滤波。 IC2(LM393) 的管脚功能定义及在路实测数据参见附表所示,可供检修时参考。

状态显示电路主要由 V10 、 V6 、 V7 构成,其中 V10 (红色发光管)用以指示电源部分是否正常; V6 (绿色发光管)是反程指示,当 V8 导通且 GT1 正常时, V6 发光,反之则熄灭; V7 则是正程指示,即当 V9 导通且 GT2 正常时, V7 发光,反之则熄灭。
电源电路部分比较简单,不再赘述。伺服放大器的尾部端子接线定义参见图 2 所示,该图中 1 ~ 20 与图 1 中的 1 ~ 20 一一对应。

二、伺服放大器的模拟调校
伺服放大器在接入系统使用前,一般应进行模拟调试,调试接线方法见图 3 所示。其步骤如下:
1 .调零 ( 即调平衡 )
分别调整 Ic 和 If ,使两输入信号相等 ( 推荐在输入信号量程的 20 %一 50 %点调平衡 ) ;用数字万用表监测 CT1 、 CT2 测点上的电压 ( 即前置级的输出电压 ) ,调整调零电位器 W1 ,使该电压值为数毫伏即可。
2 .调死区
保持调零时的 If 不变,改变 Ic ,使 Ic 增加 ( 或减少 )0 . 15 — 0 . 2mA 。
调整调死区电位器 W2 .至 L1 或 L2 刚好亮 ( 若 Ic 是增加的,则 L1 亮,若 Ic 是减少的,则 L2 亮 ) ;改变 Ic , L1 、 L2 应交替亮 ( 但不应有同时亮现象 ) 。
经以上模拟调试,如无异常情况,可将伺服放大器接入系统使用。
三、伺服放大器检修一般程序
笔者根据实际检修经验画出伺服放大器的一般检修程序流程图,见图 4 所示,供参考。
射频工程师养成培训教程套装,助您快速成为一名优秀射频工程师...
射频和天线工程师培训课程详情>>

