- 易迪拓培训,专注于微波、射频、天线设计工程师的培养
兼容标准的高功率PoE系统设计
录入:edatop.com 点击:
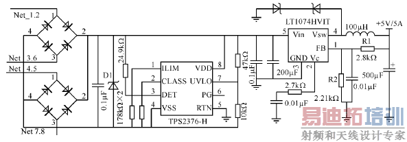
IEEE802.3af标准的制定推动了以太网供电技术的使用,而TI公司推出的兼容标准的高功率供电管理芯片TPS23841和TPS2376H,很好地解决了25W以内网络设备的接入问题。本文基于以上两种芯片设计出兼容标准的高功率以太网供电系统。
1 IEEE802.3af标准简介
IEEE802.3af标准定义了一种允许通过以太网在传输数据的同时输送48 V直流电源的方法,它将以太网供电(Power over Ethernet,PoE)技术引入到现有的网络基础设施中,最大传输距离为100m。PoE由供电设备PSE和受电设备PD组成。PSE分为端接式和中跨式两种类型,主要实现对PD的检测、功率分级(可选)、供电和断电等功能;PD主要作为标准识别设备,返回各种符合标准的信号以及持续工作信号,从而完成整个供电过程。
2 PSE系统结构组成
PSE主要实现上述电源管理功能,系统由硬件和软件两部分构成。PSE系统结构如图1所示,16位单片机MSP430F147通过模拟I2C总线对TPS23841内部寄存器进行读/写,来实现电源管理功能;通过P4.0设置TPS23841的工作模式;通过P2.7获得出错信号,从而通过P4.2对TPS23841产生有效的复位信号。系统中对必要的信号及电源进行了隔离,MSP430F147通过UART接口经MAX13085转换为RS485电平后与供电监控PC机通信,当没有与PC机连接时系统会自主运行。
1 IEEE802.3af标准简介
IEEE802.3af标准定义了一种允许通过以太网在传输数据的同时输送48 V直流电源的方法,它将以太网供电(Power over Ethernet,PoE)技术引入到现有的网络基础设施中,最大传输距离为100m。PoE由供电设备PSE和受电设备PD组成。PSE分为端接式和中跨式两种类型,主要实现对PD的检测、功率分级(可选)、供电和断电等功能;PD主要作为标准识别设备,返回各种符合标准的信号以及持续工作信号,从而完成整个供电过程。
2 PSE系统结构组成
PSE主要实现上述电源管理功能,系统由硬件和软件两部分构成。PSE系统结构如图1所示,16位单片机MSP430F147通过模拟I2C总线对TPS23841内部寄存器进行读/写,来实现电源管理功能;通过P4.0设置TPS23841的工作模式;通过P2.7获得出错信号,从而通过P4.2对TPS23841产生有效的复位信号。系统中对必要的信号及电源进行了隔离,MSP430F147通过UART接口经MAX13085转换为RS485电平后与供电监控PC机通信,当没有与PC机连接时系统会自主运行。
|
图1 PSE系统结构图 TPS23841的工作电压范围为21.5~57V,比IEEE802.3af标准定义的电压范围大得多。也就是说,TPS23841可以提供上述电压范围的供电,这使得以太网供电技术可以应用在医疗、工业等24V的供电系统中。同时,可以通过提高输入电压的方法将传输功率提高到25W,供电可以通过1/2、3/6或者4/5、7/8号线对传输到远端PD。在特殊情况下也可以通过4个线对同时传输供电,这样可以获得更高的传输功率。交流断路检测电路用来产生交流断路检测信号,地址设置电路用来设置TPS23841的I2C设备地址,通过设置不同的地址可以接入多个TPS23841,从而达到扩展供电端口的目的。MSP430F147通过内部集成的温度传感器实时监控系统工作温度,当过热时启动风扇散热。 3 PSE的硬件设计 PSE的供电管理功能主要由TPS23841实现。TPS23841运行时内部工作所需的10 V、6.3 V和3.3V由外部供电产生,每个供电端口可以提供高达570 mA的电流,而对每个PD可以提供最高25W的功率。TPS23841内部集成了4个独立的15位A/D转换器,用来测量每个口的电阻、电压、电流,可以更加精确地实现供电管理功能。如图2所示,PSE的硬件电路主要由TPS23841及其外围电路组成。在4个供电回路中加入自恢复保险丝来实现过流保护的功能,通过加入瞬间电压抑制器实现过压保护的功能,由50、51脚引出的电路产生交流断路检测信号,在各供电端口加入了显示电路。I2C的5位地址由外部拨码开关S1设置,三线I2C总线经过光耦隔离后连接成为标准的两线I2C总线。在PSE系统中,通过对MSP430F147编程来实现电源的高级管理功能。
|






