- 易迪拓培训,专注于微波、射频、天线设计工程师的培养
触摸 / 声控电路
录入:edatop.com 点击:
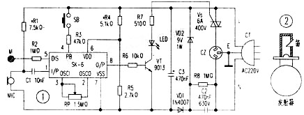
本文介绍以 CMOS 大规模声控集成电路 SK-6 为核心元件.制作的一种触摸/声控双功能控制电路.如图 1 所示。在图中以 18kHz 气笛作声源发射器。使用时只要用手捏一下气囊,就可遥控电器的开或关,也可手摸传感片 M ,实现电器的开、关操作。由于 18kHz 在音频范围 (20Hz-20kHz) 的高端边缘,人耳对此颁率不敏感,因此不会影响别人。气笛发射器外形如图 2 所示,与常见的无线电、红外线、超声波等遥控电路相比,具有制作简单、调试方便、成本低、性能稳定及对其他电器无干扰等优点,可用于电视、音响、电风扇、电动窗帘、自动门等的遥控或触摸操作。
SK-6 是一种较优良的声控 IC ,其工作电压范围为 VDD=2 . 7-5 . 3V ,最大静态电流小,仅 50 μ A ,驱动电流为 O . 4mA ,禁止 ( ③脚 ) 和触发 ( ④脚 ) ,控制电流只需 1 μ A ,信号频率范围为 0.3 ~ 30kHz 。 SK-6 采用 DIP-8 双列直插式封装,各脚功能如附表昕列。 RP 可调整时钟频率 fosc 。 R1 是话筒 MIC 的偏置电阻。声控气笛信号由 MIC 转换成电信号,经 C1 耦合至 IC 输入端①脚。初始加电时, IC 内部电路使计算器清零复位,⑧脚输出低电平, VT 截止,双向可控硅 VS 关断,插座 CZ 无电。收到声控信号时,⑧脚输出翻转为高电平, VT 导通,指示管 LED 点亮, VS 导通, CZ 获电。而后 SK-6 的⑧脚输出一直保持为高电平,直至再次收到声控指令,⑧脚才翻转为低电平,并关断双向可控硅 VS ,恢复到初始状态。
要想有效地控制⑧脚输出状态的转换,输入信号必须具备两个条件:一是声控气笛频率范围应为 (1 / 10 ~ 1 / 15)fosc :二是输入连续脉冲数量不少于 256 个,二者缺一不可。由于 IC 的计数时间与时钟频率 fosc 呈反比关系,故 fosc 不宜选得过高,以防控制的气笛声相对较长,计数器多次计满 256 个连续脉冲而导致⑧脚输出状态反复翻转。
SK-6 的⑤脚为触发控制端,当人体指触金属传感片 M 时,⑧脚输出状态会发生改变,触摸 M 一次,⑧脚状态翻转一次。③脚为禁止端,当闭合禁止开关 SB 时,①、⑤脚输入的控制信号均无效,当用于诸如声光互锁控制电路.或时间对接收时基的锁定时,③脚可作锁定信号输入端使用。 C2 、 R8 、 VD1 、 VD2 、 C3 组成简单的电容降压式供电电源. R4 、 R5 分压使 SK-6 的⑥脚获得合适的工作电压 .
SK-6 是一种较优良的声控 IC ,其工作电压范围为 VDD=2 . 7-5 . 3V ,最大静态电流小,仅 50 μ A ,驱动电流为 O . 4mA ,禁止 ( ③脚 ) 和触发 ( ④脚 ) ,控制电流只需 1 μ A ,信号频率范围为 0.3 ~ 30kHz 。 SK-6 采用 DIP-8 双列直插式封装,各脚功能如附表昕列。 RP 可调整时钟频率 fosc 。 R1 是话筒 MIC 的偏置电阻。声控气笛信号由 MIC 转换成电信号,经 C1 耦合至 IC 输入端①脚。初始加电时, IC 内部电路使计算器清零复位,⑧脚输出低电平, VT 截止,双向可控硅 VS 关断,插座 CZ 无电。收到声控信号时,⑧脚输出翻转为高电平, VT 导通,指示管 LED 点亮, VS 导通, CZ 获电。而后 SK-6 的⑧脚输出一直保持为高电平,直至再次收到声控指令,⑧脚才翻转为低电平,并关断双向可控硅 VS ,恢复到初始状态。
要想有效地控制⑧脚输出状态的转换,输入信号必须具备两个条件:一是声控气笛频率范围应为 (1 / 10 ~ 1 / 15)fosc :二是输入连续脉冲数量不少于 256 个,二者缺一不可。由于 IC 的计数时间与时钟频率 fosc 呈反比关系,故 fosc 不宜选得过高,以防控制的气笛声相对较长,计数器多次计满 256 个连续脉冲而导致⑧脚输出状态反复翻转。
SK-6 的⑤脚为触发控制端,当人体指触金属传感片 M 时,⑧脚输出状态会发生改变,触摸 M 一次,⑧脚状态翻转一次。③脚为禁止端,当闭合禁止开关 SB 时,①、⑤脚输入的控制信号均无效,当用于诸如声光互锁控制电路.或时间对接收时基的锁定时,③脚可作锁定信号输入端使用。 C2 、 R8 、 VD1 、 VD2 、 C3 组成简单的电容降压式供电电源. R4 、 R5 分压使 SK-6 的⑥脚获得合适的工作电压 .


射频工程师养成培训教程套装,助您快速成为一名优秀射频工程师...
天线设计工程师培训课程套装,资深专家授课,让天线设计不再难...
上一篇:Diodes自保护式MOSFET节省85%的占板空间
下一篇:Maxim推出电流模式、高亮度LED驱动器MAX16834
射频和天线工程师培训课程详情>>

