- 易迪拓培训,专注于微波、射频、天线设计工程师的培养
使用DJ803的电机正反转控制器原理与故障维修
录入:edatop.com 点击:
传统的电动机正反转控制电路相当复杂,而功能却相当简单。笔者最近购买的一种多功能电动机正反转控制器,结构非常简单,而控制功能却相当强大。因此,笔者对其实物进行了剖析,并结合产品说明书整理出此文,供读者参考。
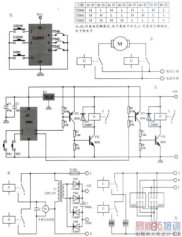
图1是专用控制芯片的到位开关、单键控制、保护时间设定的连接电路。
D1803集成电路具有8级保护时间,通过TIM0~TIM2三引脚进行设定。具体设置方法如附表所示。
图2是电机控制最基本的电路图,整个控制电路采用12V直流电源供电。
一、直流电机的正反转控制
图3是控制直流电机的继电器触点与电机的连接方法,适合6V~48V各种电压的直流电机。
1.正转、反转独立控制模式12V直流电源(见图2)通过IC2(78L05)稳压输出5V直流电压为控制集成电路IC1(D1803)提供工作电源。晶体三极管VT1、VT2、电阻R1~R4、继电器J1、二极管VD1等组成了电机正转输出电路,晶体三极管VT3、VT4、电阻R5~R8、继电器J2、二极管VD2等组成了电机反转输出电路。
待机状态下,IC1的⑥、⑦、圈15、圈17脚都为高电平H,继电器11、12均处于释放状态,整个控制器静态电流约2mA。
按下按钮SWl,IC1的⑥脚变为低电平L,IC1的圈17脚也随之变为低电平L,继电器J1吸合,电机正转。如果转动到规定的位置,正转到位开关ZZDW接通,IC1的②脚变为低电平,IC1的圈17脚立即跳变为高电平,继电器J1释放,电机停止转动。如果到达设定的运转时间,无论正转到位开关ZZDW是否接通,继电器J1都将释放,电机停止转动。
当按下按钮SW2,IC1的⑦脚变为低电平L,IC1的圈15脚也随之变为低电平L,继电器J2吸合,电机反转。
如果转动到规定的位置,反转到位开关FZDW接通,IC1的③脚变为低电平,IC1的圈15脚立即跳变为高电平。继电器J2释放,电机停止转动。如果到达设定的运转时间.无论反转到位开关FZDW是否接通,继电器12都将释放,电机停止转动。
2.单键控制模式如果采用单键操作。IC1的⑥脚连接的正转控制按钮SW1和⑦脚连接的反转控制按钮SW2可以不使用,而改为由IC1的圈11脚的按钮DJIN操作(见图2)。
在单键模式下,如果电机运行位置处于正转的终止位置,按下按键后将自动反转;如果电机运行位置处于反转的终止位置,按下按键后将自动正转;如果电机运行位置处于非终止位置(即两个终止点之间),按下按键后将自动正转。
单键模式下,必须设置正转到位开关ZZDW和反转到位开关FZDW,电机运行到规定的保护位置自动停机。
二、交流电机正反转控制
1.单相交流电机笔者购买的控制器是用于控制直流电机的,根据其工作原理.笔者这里给出交流电机正反转控制的电路图,供读者参考。
图4是控制单相交流电动机时,继电器触点与电机的连接方法,图中采用变压器为控制器提供12V工作电源。整个控制过程与上面的直流电机控制相同,这里不再详细叙述。
2.三相交流电机图5是采用控制器控制三相交流电动机正反转的电路图。图中,首先用继电器J1、J2分别去控制三相交流接触器KM1和KM2,通过KM1、KM2来切换三相交流电的相序,达到改变电机转动方向的目的。当KM1和KM2都停止工作的时候,电机也停止转动。
三、故障维修
由于这种控制器采用了专用集成电路进行控制,故障率非常低。使用时间长了之后,偶尔会出现如下故障:电机某个方向不转动;转动到某个方向的终点时不立即停止,要达到设定的保护时间才停止;所有控制失灵。
[例1]电机某个方向不转动这种故障主要是由于电机运行时的大电流流过继电器触点,长时间使用之后,导致某个继电器常开触点烧蚀,引起电机某个方向不能运转。如果正转方向不转动,则更换继电器11;如果反转方向不转动,则更换继电器12。对于三相交流电动机的控制电路,有关重点检查交流接触器,正转方向不转动时检查继电器11和交流接触器KM1;反转方向不转动时检查继电器12和交流接触器KM2,[例2]转动到某个方向的终点时不立即停止,要达到设定的保护时间才停止这种故障主要是由于到位开关(行程开关)长期使用出现接触不良,控制器无法检测到电机运行终止位置,不能在指定地点停机,由于控制器采用行程+时间的保护模式,电机直到运转到设定的时间才停止工作。根据不停机的方向,更换相应的到位开关即可。
[例]所有控制失灵为了便于对电机的控制,控制器是长时间通电的,这样就容易造成了控制器"死机"(这种故障一般发生在气温较高的夏季)。遇到这种故障,断开控制器的工作电源。等待几分钟再接通控制器的电源即可。
图1是专用控制芯片的到位开关、单键控制、保护时间设定的连接电路。
D1803集成电路具有8级保护时间,通过TIM0~TIM2三引脚进行设定。具体设置方法如附表所示。
图2是电机控制最基本的电路图,整个控制电路采用12V直流电源供电。
一、直流电机的正反转控制
图3是控制直流电机的继电器触点与电机的连接方法,适合6V~48V各种电压的直流电机。
1.正转、反转独立控制模式12V直流电源(见图2)通过IC2(78L05)稳压输出5V直流电压为控制集成电路IC1(D1803)提供工作电源。晶体三极管VT1、VT2、电阻R1~R4、继电器J1、二极管VD1等组成了电机正转输出电路,晶体三极管VT3、VT4、电阻R5~R8、继电器J2、二极管VD2等组成了电机反转输出电路。
待机状态下,IC1的⑥、⑦、圈15、圈17脚都为高电平H,继电器11、12均处于释放状态,整个控制器静态电流约2mA。
按下按钮SWl,IC1的⑥脚变为低电平L,IC1的圈17脚也随之变为低电平L,继电器J1吸合,电机正转。如果转动到规定的位置,正转到位开关ZZDW接通,IC1的②脚变为低电平,IC1的圈17脚立即跳变为高电平,继电器J1释放,电机停止转动。如果到达设定的运转时间,无论正转到位开关ZZDW是否接通,继电器J1都将释放,电机停止转动。
当按下按钮SW2,IC1的⑦脚变为低电平L,IC1的圈15脚也随之变为低电平L,继电器J2吸合,电机反转。
如果转动到规定的位置,反转到位开关FZDW接通,IC1的③脚变为低电平,IC1的圈15脚立即跳变为高电平。继电器J2释放,电机停止转动。如果到达设定的运转时间.无论反转到位开关FZDW是否接通,继电器12都将释放,电机停止转动。
2.单键控制模式如果采用单键操作。IC1的⑥脚连接的正转控制按钮SW1和⑦脚连接的反转控制按钮SW2可以不使用,而改为由IC1的圈11脚的按钮DJIN操作(见图2)。
在单键模式下,如果电机运行位置处于正转的终止位置,按下按键后将自动反转;如果电机运行位置处于反转的终止位置,按下按键后将自动正转;如果电机运行位置处于非终止位置(即两个终止点之间),按下按键后将自动正转。
单键模式下,必须设置正转到位开关ZZDW和反转到位开关FZDW,电机运行到规定的保护位置自动停机。
二、交流电机正反转控制
1.单相交流电机笔者购买的控制器是用于控制直流电机的,根据其工作原理.笔者这里给出交流电机正反转控制的电路图,供读者参考。
图4是控制单相交流电动机时,继电器触点与电机的连接方法,图中采用变压器为控制器提供12V工作电源。整个控制过程与上面的直流电机控制相同,这里不再详细叙述。
2.三相交流电机图5是采用控制器控制三相交流电动机正反转的电路图。图中,首先用继电器J1、J2分别去控制三相交流接触器KM1和KM2,通过KM1、KM2来切换三相交流电的相序,达到改变电机转动方向的目的。当KM1和KM2都停止工作的时候,电机也停止转动。
三、故障维修
由于这种控制器采用了专用集成电路进行控制,故障率非常低。使用时间长了之后,偶尔会出现如下故障:电机某个方向不转动;转动到某个方向的终点时不立即停止,要达到设定的保护时间才停止;所有控制失灵。
[例1]电机某个方向不转动这种故障主要是由于电机运行时的大电流流过继电器触点,长时间使用之后,导致某个继电器常开触点烧蚀,引起电机某个方向不能运转。如果正转方向不转动,则更换继电器11;如果反转方向不转动,则更换继电器12。对于三相交流电动机的控制电路,有关重点检查交流接触器,正转方向不转动时检查继电器11和交流接触器KM1;反转方向不转动时检查继电器12和交流接触器KM2,[例2]转动到某个方向的终点时不立即停止,要达到设定的保护时间才停止这种故障主要是由于到位开关(行程开关)长期使用出现接触不良,控制器无法检测到电机运行终止位置,不能在指定地点停机,由于控制器采用行程+时间的保护模式,电机直到运转到设定的时间才停止工作。根据不停机的方向,更换相应的到位开关即可。
[例]所有控制失灵为了便于对电机的控制,控制器是长时间通电的,这样就容易造成了控制器"死机"(这种故障一般发生在气温较高的夏季)。遇到这种故障,断开控制器的工作电源。等待几分钟再接通控制器的电源即可。

射频工程师养成培训教程套装,助您快速成为一名优秀射频工程师...
天线设计工程师培训课程套装,资深专家授课,让天线设计不再难...
上一篇:飞思卡尔为太阳能应用展示电源转换技术新突破
下一篇:双向放大器
射频和天线工程师培训课程详情>>

