- 易迪拓培训,专注于微波、射频、天线设计工程师的培养
电力电子变换器机内辅助开关电源设计与实现
录入:edatop.com 点击:
1 引言
反激变换器具有电路拓扑简洁、输入输出电气隔离、电压升/降范围宽、易于多路输出等优点,因而是机内辅助开关电源理想的电路拓扑。
然而,反激变换器功率开关关断时漏感储能引起的电压尖峰必须用箝位电路加以抑制。由于RCD箝位电路比LCD箝位、有源箝位电路更简洁且易实现,因而 RCD箝位反激变换器在小功率变换场合更具有实用价值[1]。将RCD箝位反激变换器与峰值电流控制技术结合在一起,便可获得高性能的电力电子变换器机内辅助开关电源。本文主要论述这类机内辅助开关电源原理,首次提出了箝位电路等关键参数设计准则,并给出了设计实例与试验结果。
2 机内辅助开关电源的原理
1)功率电路
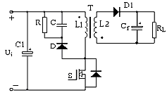
功率电路采用RCD箝位反激变换器,如图1所示。当功率开关S关断时,储能变压器T的漏感能量转移到箝位电容C中,并在电阻R上消耗。功率开关S关断电压尖峰得到了有效的抑制。
然而,箝位电路参数对反激变换器的性能有重要的影响。不同R、C值时,箝位电容电压波形如图2所示。图2(a)中,C取值较大,C上电压缓慢上升,副边反激过冲小,变压器原边能量不能迅速传递到副边;图2(b)中,R、C值合适,C上电压在开关管截止瞬间冲上去,然后二极管D截止,电容C通过电阻R放电,到功率管开通瞬间,C上电压应放到接近(N1/N2)Uo;图2(c)中,R、C均偏小,C上电压在管子截止瞬间冲上去,然后因为RC时间常数小,C 上电压很快放电到等于(N1/N2)Uo,此时RCD箝位电路将成为反激变换器的死负载,消耗储存在变压器中的能量,效率降低。
2)控制方案
机内辅助开关电源采用UC3843芯片峰值电流控制技术。电流控制技术使系统具有瞬态响应快、稳定性高、输出电压精度高、内在限流能力强、易并联等优点。但占空比大于50%时,控制环变得不稳定,抗干扰性能差,需斜坡补偿。
3)电路组成
机内辅助开关电源电路组成,如图3所示。220V50HzAC经EMI滤波器、整流桥后得到270VDC,再经RCD箝位的反激变换器变换成三路输出+ 15VDC(0.8A)、-15VDC(0.15A)、+5VDC(0.2A),电流控制芯片UC3843由自馈电绕组N5供电。R10是电流检测电阻, R12是斜坡补偿电阻。
3 关键电路参数设计
1)储能式变压器
电流临界连续时原边电感
(1)
式(1)中,Uimin为变压器原边输入的最小直流电压,Ts为开关周期,Po为输出功率,η为变换效率。储能式变压器磁芯气隙为
(2)
式(2)中,B为铁芯工作磁感应强度,Sc为铁芯截面积,K为最小输出功率与额定输出功率之比。原边绕组匝数为
(3)
原、副边绕组匝数比为
(4)
式(4)中,UD为输出整流二极管压降、Uo2为副边绕组N2输出电压。同理可求得其它匝比。
2)RCD箝位电路
功率管截止时,漏感能量等于箝位电容C吸收的能量,则
(5)
式(5)中,Llk为变压器漏感、I1P为原边电感电流峰值、UDS为最大漏源电压、Ureset为电容C初始电压、Ui为输入直流电压。箝位电容C上的电压只是在功率管关断的一瞬间冲上去,然后应一直处于放电状态。在功率管开通之前,箝位电容C上的电压不应放到低于(N1/N2)Uo,否则二极管D导通,RCD箝位电路将成为该变换器的死负载。箝位电阻R要满足
(6)
箝位二极管D的电压应力为Ui+(N1/N2)Uo,峰值电流为原边电感峰值电流I1P。
3)功率开关
功率开关S的电压应力和电流应力分别为
(7.a)
(7.b)
式(7.b)中,I1av为原边电感电流平均值,ΔI为原边电感电流脉动值。
4)整流二极管
整流二极管D6的电压应力和电流应力分别为
(8.a)
(8.b)
同理计算其它整流二极管承受的电压和电流应力。D2的作用是阻止启动时输入电压对死负载R4供电,使得C2上的电压迅速上升,从而使UC3843快速启动。
5)死负载R4的选取
死负载R4消耗的功率按额定功率的5%来设计,其大小为
(9)
6)输出滤波电容
(10)
式(10)中,K%=Uopp/Uo,Uopp为输出电压纹波峰峰值,R为负载电阻。
4 机内辅助开关电源试验
机内辅助开关电源设计实例:额定输出功率15W,输入电压220V±10%50HzAC或270VDC±10%,三路输出分别为+15VDC (0.8A)、-15VDC(0.15A)、+5VDC(0.2A),开关频率为40kHz,储能式变压器磁芯选用铁氧体R2KBD GU30、绕组匝数N1/N2/N3/N4/N5=391/8/17/17/17,磁芯气隙0.31mm,最大占空比0.6,临界连续时输出功率为1/6 额定功率,箝位电阻取为68kΩ,箝位电容取为2.2nF高频瓷电容,箝位二极管取为肖特基二极管MUR180(1A /800V),整流二极管D3、D6、D8选用肖特基二极管IN5819(1A/40V),D7选用肖特基二极管IN5822(3A/40V)。
机内辅助开关电源试验波形,如图4所示。图4(a)是功率开关栅源电压,占空比为0.6;图4(b)是功率开关漏源电压,其关断电压尖峰得到有效抑制;图4 (c)是箝位电容C9电压波形;图4(d)是原边绕组N1电压波形,电压尖峰小;图4(e)是电流检测电阻R10上电压波形;图4(f)是采用斜坡补偿后 UC3843的3脚采样信号电压波形,斜坡补偿后采样信号电压上升率高于电流检测电阻R10上电压上升率,提高了电路的抗干扰能力。由于该电源额定输出功率为15W,其变换效率达75%是相当高的。试验结果证实了理论分析的正确性。

5 结论
1)RCD箝位电路能有效地抑制变压器漏感引起的功率开关关断电压尖峰,在小功率变换场合具有明显的优点;
2)给出关键电路参数设计公式,试验结果与理论分析一致;
3)该机内辅助电源具有功率密度高、变换效率高、过载与短路能力强、可靠性高等优良的综合性能,在AC/AC、DC/AC、AC/DC、DC/DC等四类电力电子变换器中具有重要应用价值。
参考文献
[1]陈道炼.高频环节航空静止变流器研究[博士后研究工作报告]. 南京航空航天大学.2001.
反激变换器具有电路拓扑简洁、输入输出电气隔离、电压升/降范围宽、易于多路输出等优点,因而是机内辅助开关电源理想的电路拓扑。
然而,反激变换器功率开关关断时漏感储能引起的电压尖峰必须用箝位电路加以抑制。由于RCD箝位电路比LCD箝位、有源箝位电路更简洁且易实现,因而 RCD箝位反激变换器在小功率变换场合更具有实用价值[1]。将RCD箝位反激变换器与峰值电流控制技术结合在一起,便可获得高性能的电力电子变换器机内辅助开关电源。本文主要论述这类机内辅助开关电源原理,首次提出了箝位电路等关键参数设计准则,并给出了设计实例与试验结果。
2 机内辅助开关电源的原理
1)功率电路
功率电路采用RCD箝位反激变换器,如图1所示。当功率开关S关断时,储能变压器T的漏感能量转移到箝位电容C中,并在电阻R上消耗。功率开关S关断电压尖峰得到了有效的抑制。
![]() | ![]() |
| 图1 RCD箝位反激变换器电路拓扑 | 图2 不同R、C值时箝位电容电压波形 |
然而,箝位电路参数对反激变换器的性能有重要的影响。不同R、C值时,箝位电容电压波形如图2所示。图2(a)中,C取值较大,C上电压缓慢上升,副边反激过冲小,变压器原边能量不能迅速传递到副边;图2(b)中,R、C值合适,C上电压在开关管截止瞬间冲上去,然后二极管D截止,电容C通过电阻R放电,到功率管开通瞬间,C上电压应放到接近(N1/N2)Uo;图2(c)中,R、C均偏小,C上电压在管子截止瞬间冲上去,然后因为RC时间常数小,C 上电压很快放电到等于(N1/N2)Uo,此时RCD箝位电路将成为反激变换器的死负载,消耗储存在变压器中的能量,效率降低。
2)控制方案
机内辅助开关电源采用UC3843芯片峰值电流控制技术。电流控制技术使系统具有瞬态响应快、稳定性高、输出电压精度高、内在限流能力强、易并联等优点。但占空比大于50%时,控制环变得不稳定,抗干扰性能差,需斜坡补偿。
3)电路组成
机内辅助开关电源电路组成,如图3所示。220V50HzAC经EMI滤波器、整流桥后得到270VDC,再经RCD箝位的反激变换器变换成三路输出+ 15VDC(0.8A)、-15VDC(0.15A)、+5VDC(0.2A),电流控制芯片UC3843由自馈电绕组N5供电。R10是电流检测电阻, R12是斜坡补偿电阻。
![]() |
| 图3机内辅助开关电源电路组成 |
3 关键电路参数设计
1)储能式变压器
电流临界连续时原边电感
式(1)中,Uimin为变压器原边输入的最小直流电压,Ts为开关周期,Po为输出功率,η为变换效率。储能式变压器磁芯气隙为
式(2)中,B为铁芯工作磁感应强度,Sc为铁芯截面积,K为最小输出功率与额定输出功率之比。原边绕组匝数为
(3) 原、副边绕组匝数比为
式(4)中,UD为输出整流二极管压降、Uo2为副边绕组N2输出电压。同理可求得其它匝比。
2)RCD箝位电路
功率管截止时,漏感能量等于箝位电容C吸收的能量,则
式(5)中,Llk为变压器漏感、I1P为原边电感电流峰值、UDS为最大漏源电压、Ureset为电容C初始电压、Ui为输入直流电压。箝位电容C上的电压只是在功率管关断的一瞬间冲上去,然后应一直处于放电状态。在功率管开通之前,箝位电容C上的电压不应放到低于(N1/N2)Uo,否则二极管D导通,RCD箝位电路将成为该变换器的死负载。箝位电阻R要满足
箝位二极管D的电压应力为Ui+(N1/N2)Uo,峰值电流为原边电感峰值电流I1P。
3)功率开关
功率开关S的电压应力和电流应力分别为
式(7.b)中,I1av为原边电感电流平均值,ΔI为原边电感电流脉动值。
4)整流二极管
整流二极管D6的电压应力和电流应力分别为
(8.a) 同理计算其它整流二极管承受的电压和电流应力。D2的作用是阻止启动时输入电压对死负载R4供电,使得C2上的电压迅速上升,从而使UC3843快速启动。
5)死负载R4的选取
死负载R4消耗的功率按额定功率的5%来设计,其大小为
6)输出滤波电容
式(10)中,K%=Uopp/Uo,Uopp为输出电压纹波峰峰值,R为负载电阻。
4 机内辅助开关电源试验
机内辅助开关电源设计实例:额定输出功率15W,输入电压220V±10%50HzAC或270VDC±10%,三路输出分别为+15VDC (0.8A)、-15VDC(0.15A)、+5VDC(0.2A),开关频率为40kHz,储能式变压器磁芯选用铁氧体R2KBD GU30、绕组匝数N1/N2/N3/N4/N5=391/8/17/17/17,磁芯气隙0.31mm,最大占空比0.6,临界连续时输出功率为1/6 额定功率,箝位电阻取为68kΩ,箝位电容取为2.2nF高频瓷电容,箝位二极管取为肖特基二极管MUR180(1A /800V),整流二极管D3、D6、D8选用肖特基二极管IN5819(1A/40V),D7选用肖特基二极管IN5822(3A/40V)。
机内辅助开关电源试验波形,如图4所示。图4(a)是功率开关栅源电压,占空比为0.6;图4(b)是功率开关漏源电压,其关断电压尖峰得到有效抑制;图4 (c)是箝位电容C9电压波形;图4(d)是原边绕组N1电压波形,电压尖峰小;图4(e)是电流检测电阻R10上电压波形;图4(f)是采用斜坡补偿后 UC3843的3脚采样信号电压波形,斜坡补偿后采样信号电压上升率高于电流检测电阻R10上电压上升率,提高了电路的抗干扰能力。由于该电源额定输出功率为15W,其变换效率达75%是相当高的。试验结果证实了理论分析的正确性。

5 结论
1)RCD箝位电路能有效地抑制变压器漏感引起的功率开关关断电压尖峰,在小功率变换场合具有明显的优点;
2)给出关键电路参数设计公式,试验结果与理论分析一致;
3)该机内辅助电源具有功率密度高、变换效率高、过载与短路能力强、可靠性高等优良的综合性能,在AC/AC、DC/AC、AC/DC、DC/DC等四类电力电子变换器中具有重要应用价值。
参考文献
[1]陈道炼.高频环节航空静止变流器研究[博士后研究工作报告]. 南京航空航天大学.2001.
射频工程师养成培训教程套装,助您快速成为一名优秀射频工程师...
射频和天线工程师培训课程详情>>




