- 易迪拓培训,专注于微波、射频、天线设计工程师的培养
2kW新型推挽正激直流变换器的研制
在低压大电流场合中,推挽电路以其结构简单、磁心利用率高的优点而得到了广泛应用。但是,传统的推挽电路存在如下几个缺点:(1)由于原边漏感的存在,功率管关断时,漏源极产生较大的电压尖峰;(2)输入电流纹波的安秒积分大,因而输入滤波器的体积较大。
本文在传统推挽电路的基础上增加了一个箝位电容C,得到如图1所示的新型推挽正激电路拓扑。该电路可以解决上文所述的传统电路存在的两个缺点。
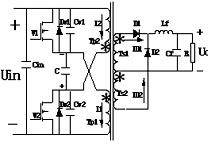
![]() |
| 图1 推挽正激电路原理图 |
2. 推挽正激电路工作原理
如图1所示为推挽正激变换器。该变换器的两个主功率开关管V1、V2和两个匝数均为Wp的初级绕组Tp1、 Tp2交替连接成一个回路,在回路的两个中点之间连接一个箝位电容C。Cin为输入电容, Dv1 、Dv2为V1 、V2寄生的反并二极管。D1、D2组成双半波整流电路。
电源正→原边绕组Tp2→箝位电容C→原边绕组Tp1→电源负构成一个回路。忽略
变压器漏感则加在变压器原边两个绕组的电压之和为零,箝位电容上的电压为Uin ,下正上负。另外一个回路:电源正→V1→箝位电容C→V2→电源负。根据基尔霍夫电路定律可得:
Uds1+Uds2=Uin+Uc=2Uin
因此,当某一开关管导通时,另一开关管的电压被箝位在2Uin ;当两个开关管均关断时,开关管电压各为Uin。
在分析推挽正激电路工作模态前,我们做如下设定:
(1) 开关管V1、V2均为理想器件,整流二极管D1、D2为理想器件,导通压降忽略不计;
(2) 箝位电容C较大,在工作过程中两端电压保持Uin基本不变 ;
(3) 滤波电感Lf较大,在较短的时间内可以视为恒流源,电流维持不变;稳态时输出电流Io=Uo/R;
(4) 原边绕组匝数同为Wp,励磁电感和漏感均相同为Lm、L ,副边匝数同为Ws,匝比n=Ws/Wp;
(5) 开关周期Ts, V1、V2每个周期开通时间均为Ton ,V1、V2工作的占空比均为:D=Ton/Ts;
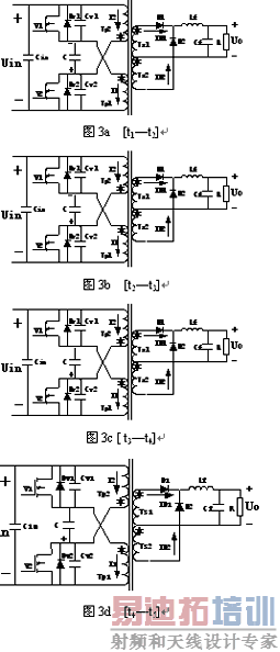
图2为推挽正激电路工作原理波形图,一共分为8个工作模态。
![]() |
| 图2 PPF工作原理波形图 |
1) [t1—t2]
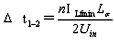
在t1之前开关管V1、V2都是关断的,输入电流沿回路:电源正→原边绕组Tp2→箝位电容C→原边绕组Tp1→电源负环流工作,环流为Ia=nDIo [1](具体分析在第3节中给出)。原副边绕组电压为0,整流二极管D1、D2同时导通。t1时刻V1开通, Uin加在绕组Tp1的漏感上,I1快速增加;Uc加在绕组Tp2的漏感上,I2迅速减小并反向增大。相应的,在副边流过D1电流ID1增大,流过D2的电流ID2减小。t2时刻,D2截止ID2=0。此模态等效电路图如图3a,持续时间:
其中,ILfmin为t1时刻滤波电感电流。
2)[t2—t3]
当D2截止时,该工作模态开始工作,电源电压Uin加在绕组Tp1的励磁电感和漏感上,Uc加在绕组Tp2的励磁电感和漏感上,原边两绕组各承担励磁电流和负载电流变化率的一半,这时初级相当于两个单端正激电路并联工作[2-4]。I1增加,I2反向增大。工 作模态如图3b,持续时间:

3) [t3 –t4]
V1关断时该工作模态开始工作。在此之前I1始终大于I2,因此在V1关断瞬间V2的反并二极管Dv2导通。同时,流过D1的电流ID1减小,流过D2的电流ID2从零开始增加,副边绕组短路工作。电容电压Uc加在绕组Tp1的漏感上,Uin加在绕组Tp2的漏感上,I1迅速减小,I2迅速增加。
当I1=I2时该工作模态结束。等效的工作模态电路如图3c,持续时间:
其中,ILfmax为t3时刻滤波电感电流。
4)[ t4—t5]
在此期间,V1和V2都关断。漏感平均电流(环流)Ia经过回路电源正→原边绕组Tp2→箝位电容C→原边绕组Tp1→电源负流动。由于电源电压和箝位电容电压相等,加在原边两个绕组上的电压均为零,则环流Ia保持不变。等效的工作模态如图3d,持续时间:
5)[t5—t9]
V2导通开始下半个周期的工作,工作模态和上半个周期相同,只是励磁电流的方向相反,完成变压器的去磁。
![]() |
| 图3 PPF工作模态图 |
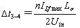
3.环流分析
设该推挽正激变换器的功率损耗为零,根据系统能量守恒定律可得,在半个周期Ts/2内电源输入功率 ![]()
为了分析问题的简便,我们假设以下理想条件成立:
(1) 原边两个绕组换流瞬间完成,即:
![]()
(2) 励磁电感Lm和滤波电感Lf较大,励磁电流为零,Lf可以看作恒流源,求得: 
输出功率: ![]()
联立以上两式,
Ia=nDIo
由此可见,当电路的工作占空比D大,原边环流时间短,环流量值较大;随着输出功率的增加,环流值也增大。
4.主要参数对电路工作的影响分析
4.1. 箝位电容C的作用与选取
箝位电容的两个主要作用:
1) 抑制开关管关断电压尖峰
如图1,在开关管V1关断时,由箝位电容C给变压器原边漏感提供一个Dv2→C→Tp1的低阻抗能量释放回路。将V1的漏源极电压箝位在Uin+Uc, 因而开关管的电压尖峰得到了有效的抑制。箝位电容在开关管全关断时储存电能,在导通时将能量释放给负载,理论上,无能量损耗。
2) 减小输入滤波器体积
与传统的推挽电路相比,推挽正激电路中的箝位电容为开关管关断期间提供一个续流回路。正是由于续流回路的存在使推挽正激电路工作的输入电流纹波的安秒积分较其它拓扑小。因此,可以减小输入滤波器的体积。
箝位电容的选取:
根据前文的分析,箝位电容C的电压脉动△Uc由环流期间的充电量决定的: 
一般地,电路工作周期Ts、最大负载电流Io、变压器匝比n在设计前就已经确定了。在工程实际中,选取△Uc=20%Uin,因此,根据占空比D的工作范围可以计算出所需的电容值。同时,为了减小电容ESR的影响,一般采用多个薄膜电容并联的方案。
4.2.变压器漏感对PPF工作的影响
对于理想的变压器,变压器的漏感
, 无论哪个功率管关断时,变压器绕组电流瞬间减小到0。在两个开关管均关断期间无环流。实际上,任何变压器都存在漏感,在推挽正激电路中,两个开关管均关断瞬间,原边漏感的能量通过回路:Uin正→Tp2→箝位电容C→Tp1→Uin负给电容C充电形成环流,在箝位电容上产生了电压脉动。同时,减小原边漏感可以减小功率管开通时的换流时间,也既是减小了占空比的丢失,从而提高了变压器的利用率,减小了电路工作的损耗。
从以上分析可见,减小漏感可以提高系统的效率。因此,变压器常采用原副边间绕的方法来减少漏感的值。
5.仿真和实验
5.1.仿真分析
基于上文的分析,对PPF的工作进行了原理性的仿真。仿真主电路如图1所示。仿真主要参数:Uin=28v, C=70uF,n=6, Io=10A, Lf =160u, Cf =680u400v×2, Ts=20us。
图4为输出电流Io=10A,占空比D分别为:0.1、0.25、0.4时对应的箝位电容C电压脉动△Uc仿真波形图。由此可见,当D=0.25时△Uc最大。
![]() |
| 图4 占空比D大小和△Uc关系仿真波形图 |
图5(a)为原边激磁电感Lm=12uF,漏感
![]() |
| 图5 输入电流仿真波形图 |
5.2.实验结果
根据有关技术要求,研制出了一台输入24V-32VDC,输出120VDC的2kW DCDC变换器。系统参数:开关频率:fs=50kHz;主功率开关管:IXTK180N15; 整流二极管:DSEP60-06A;箝位电容C=70uF;滤波电感Lf =160uH;滤波电容Cf =680uF/400v×2;主变压器匝比:n=6,磁心:EE55×2。
图6为额定负载下实验波形图,其中图6(a)是原边绕组电流波形图:ch1:开关管V1驱动信号波形, ch2:开关管V2驱动信号波形, ch3:绕组Tp1电流波形I1, ch4:绕组Tp2电流波形I2; 图6(b)开关管漏源极波形图: ch1:开关管V1的驱动信号,ch2:开关管V2源漏极电压波形,ch3:开关管V2的驱动信号,ch4:开关管V2源漏极电压波形。图6实验波形验证了上述理论分析的正确性。
![]() | ![]() |
| 图6(a) 驱动和原边绕组电流波形图 | ch1: 50V/格 ch2: 50V/格 ch3: 50V/格 ch4: 50V/格 图6(b)功率管漏源极电压波形图 |
图6额定工作波形图
图7为输出电流Io=16A时原边绕组电流和箝位电容电压脉动波形图:ch3:绕组Tp1电流波形I1,ch4:绕组Tp2电流波形I2,ch1:箝位电容电压脉动△Uc波形。实验波形充分说明了第3节环流分析结论和第4.1.节中箝位电容选取原则理论的正确性。
![]() | ![]() |
| ch3:80A格,ch4: 80A格,ch1:5v格 图7(a) Uin=24v,Io=16A,D=0.45 | ch3:80A格,ch4: 80A格,ch1:5v格 图7(b) Uin=32v,Io=16A,D=0.325 |
图7 D不同时原边环流和箝位电容脉动波形图
图8为2kW DCDC变换器效率分布曲线,该变换器的效率可达93.2%。图9为变换器实物图。
![]() |
| 图8 效率分布曲线 |
![]() |
| 图9 2kW DC/DC变换器实物图 |
6. 结论
仿真分析和实验结果验证了本文中理论分析和公式推导的正确性,表明推挽正激电路应用于该变换器中具有以下优点:(1)抑制了开关管漏源极电压尖峰,降低了开关管的电压应力和功率损耗 [5],整机效率高;(2)变压器双向磁化,磁利用率高;(3)输入电流纹波安秒积分较其它拓扑小,减小了输入滤波器体积。该变换器尤其在低压大电流场合中具有很高的工程实用价值。
参考文献:
[1] Fanghua Zhang, Haihong Qin, Huizhen Wang and Yangguang Yan, Freewheeling Current in Push-Pull Forward Converter,IEEE2003:pp353 ~358.
[2] Zhou Xunwei etal. A Novel High-input-voltage, High Efficiency and Fast Transient Voltage Regulator Modul—Push-pull Forward Converter. IEEE Trans. On Power Electronics, 1999:pp279~283.
[3] 杨正龙,王慧贞,一种新型推挽正激变换器,电力电子技术,Vol,36.No.1, 2002年2月。
[4] 张方华,严仰光,王慧贞,刘军,推挽正激电路的研究及工程实现,全国第二届特种电源 与元器件学术年会论文集:pp148~152。
[5] Mar Ye, Peng Xu, Bo Yang and Fred
C.Lee., Investigation of Topology Candidates for 48V VRM ,APEC 2002,PP699~705.
射频工程师养成培训教程套装,助您快速成为一名优秀射频工程师...












