- 易迪拓培训,专注于微波、射频、天线设计工程师的培养
航空蓄电池在线检测技术研究
录入:edatop.com 点击:
1 引言
现代飞机由常规配电、遥控配电发展到自动配电,由飞机电气负载管理系统(ELMS-Electric Load Management System)对飞机电源汇流条、负载汇流条、配电装置等进行检测、控制、管理和故障诊断。ELMS由多个电气负载管理中心(ELMC-Electric Load Management Center)通过总线(主要有ARINC429、ARINC629、MIL-STD-1553B等)组成网络,具有完善的机内自测试(BIT: Built In Test)功能。
1553B总线是在70年代末为适应飞机的发展由美国提出的飞机内部电子系统联网的标准,由于它的高可靠性和灵活性而得到了广泛的应用,它是一种强调实时性和可靠性的计算机局域网络系统。[1]
为某型飞机研制的ELMS系统主机为两台互为备份的电源系统处理机(PSP- Power Source Processor),另有6台计算机作为节点,分别编号为ELMC1~ELMC6,采用1553B总线。[2]
该飞机上用25AH镉镍航空蓄电池组作为应急电源和起动电源。该蓄电池组由20个镉镍全烧结式碱性蓄电池用镀镍铜质跨接板串联组合在钢制组合箱内构成,在环境温度为25±10℃范围内,按规定充电制充电后,可在高空18000米、-10℃~+50℃环境温度下使用。
对全机电气系统分析、研究表明,该蓄电池在机上有以下三种状态:
1) 浮充状态:由于在备用状态下有自放电特性,蓄电池接在飞机汇流条上必然会有几十毫安的充电电流流入,使得蓄电池始终处于充满电的状态。但长期浮充会产生记忆效应,使容量下降。
2)放电:蓄电池向外供电,供电电流取决于负载的大小,放电状态下蓄电池的电压、电压下降率、安时数和温升是表征蓄电池性能状态的主要参数。在起动发动机时,蓄电池以10~20倍率(每倍率为25安培)放电,放电终止电压为16--14V,放电时间不超过3分钟;应急电源用电时,可以以2--5倍率的电流放电,放电终止电压为20V,放电时间不超过25分钟。
3) 均充状态:均衡充电也叫过充电。在长期浮充或放电之后,蓄电池应按一定的充电曲线进行充电。均充电压、电压上升率和安时数都是衡量蓄电池性能指标的重要参数。
蓄电池在机上是直接与直流应急汇流条相连,蓄电池的好坏,直接影响到飞机的起动、应急供电,因此对蓄电池的监测必不可少。民用的蓄电池的检测有很多研究,[3]航空蓄电池检测在线检测的研究比较少。自动配电系统优于常规和遥控配电系统之处在于它由计算机进行检测、管理,因此也有条件对蓄电池进行在线检测和管理。[4][5]
2 硬件电路结构
该型飞机直流供电系统由左、右两个通道组成,以下仅以左通道为例。该通道中蓄电池、变压整流器、直流应急汇流条的连接如图1所示,由3号电气负载管理中心ELMC3进行管理。ELMC3由内部电源板、输入输出接口板、微机板、 1553B总线板、母板共5块印刷线路板组成。
蓄电池连接接触器(BTC1:Battery Tie Contactor No.1)闭合时蓄电池向直流应急汇流条供电,因此对BTC1的控制应能满足起动和工作的要求,即:初始起动时,手动控制BTC1闭合,使蓄电池向直流应急汇流条供电,让(ELMC3)得到直流电工作;正常运行时,ELMC3可以控制BTC1;关机时,可以手动断开BTC1使蓄电池脱离电网。为了满足这几个要求,BTC1的控制电路应设计为图2所示。
BTK1为动力控制板上的蓄电池控制开关,不能自锁;中间继电器KA1在ELMC3内的接口电路板上,它的常开触点与BTK1并联。系统工作前,直流应急汇流条没电,ELMC3没有工作,操作人员接通BTK1,则蓄电池的+端、BTC1线圈、BTK1构成通路,BTC1接触器线圈通电,其常开触点1-2 闭合,蓄电池向直流应急汇流条供电,ELMC3得电工作。
ELMC3对蓄电池的参数进行检测,检测内容和方法有:
蓄电池电压检测:检测蓄电池输出端对地的电压;检测中心点即十个单体的对地电压;
蓄电池输出电流的检测:利用电流采样电阻R1将电流信号变换成电压信号。放电时该信号为正,充电时该信号为负,ELMC3中的A/D转换输入电压范围为0—+5V,因此信号变换电路应起到整流的作用,且能让ELMC3识别电流的方向。信号变换电路如图3所示。运放U2:A将反映电流大小的电压信号进行放大得到Ibat1-2,输出到微机的P0.1口,U2:B将Ibat1-2 反向得到Ibat1-1输出到P0.0口,P0.0、P0.1口输入都接有高、低电平钳位二极管。参数选取:R3=R4=10KΩ,C1=0.1μF, Z1取5.1V的稳压管。
蓄电池的温度检测:在蓄电池箱内埋设一个温度传感器,其信号直接输出到ELMC3中;
蓄电池的输入、输出容量的检测:蓄电池的容量的单位为安时,在不同的温度、不同的充放电电流下,蓄电池可以充入或放出的能量是不一样的。蓄电池在上机之前必须充满电到25AH,正常工作以后充入或放出的能量可以通过电流对时间的积分得到,但是由于蓄电池通过不同的电流放电其能放出的能量是不一样的,只能近似计算出蓄电池还剩多少容量。蓄电池剩余的容量:

蓄电池放电状态的判别:通过蓄电池在不同的放电电流下的放电终止电压来判别蓄电池放电是否应该结束。
微机系统(如图4)是以80C196KB单片机为CPU ,该单片机运行速度快,内部集成度高,片内带有8路11位A/D转换器(P0.0~P0.7口),有高速输入、高速输出口。数据驱动、地址锁存电路分别采用54LS245、54LS373芯片完成,由54LS138进行地址译码。
需要检测的量经过信号调理电路变换后成为微机可以接受的模拟量,有的输送到多路开关进行选通后输入到CPU的A/D转换器内,有的直接输入到CPU的A/D转换器内。
3 软件设计
蓄电池的性能可分为正常、异常和故障。软件中根据检测到的数据对这些状态进行判别。
异常运行特征:应急时蓄电池放电容量过大,剩余容量过小;温度过高;使用容量下降;
故障状态特征:蓄电池端电压Ubat≠Uhalf;在一定的放电电流情况下放电终止电压过低;放电电压下降率过大。
ELMC3还对其本身、变压整流器、BTC1、MLC1进行监测和故障诊断,将检测到的数据存储起来,并向PSP1发送这些数据。
软件采用8096汇编语言编写,模块化结构设计。主要流程如图5。
4 结语
系统联试结果表明,对蓄电池的检测、控制和系统通讯功能正确,能符合要求。在电流检测中,当以大电流放电(如作起动电源时)作为满量程考虑时,小电流浮充时检测误差相对较大。可以考虑用两套检测电路解决这一问题,本文不再对此进行讨论。
参考文献
[1] Aircraft Internal Time Division Command/Response Multiplex Data Bus,MIL-STD-1553B USAF,1986
[2] 傅大丰,杨善水等,先进飞机自动配电管理系统电气负载管理技术的研究,南京航空航天大学学报,2002。NO1;
[3] 张志刚等.高速蓄电池自动测速系统的研究.电源世界.2000年4月.23-25。
[4] Yang Shanshui,A NOVEL AERONAUTICAL ELECTRICAL POWER DISTRIBUTION SYSTEM BASED ON THE DISTRIBUTED COMPUTER SYSTEM,Trans. Of Nanjing University of Aeronautics and Astronautics,Vol.18 No.2;
[5] 严仰光等.民航飞机供电系统.航空工业出版社.1998年1月.15-21。
现代飞机由常规配电、遥控配电发展到自动配电,由飞机电气负载管理系统(ELMS-Electric Load Management System)对飞机电源汇流条、负载汇流条、配电装置等进行检测、控制、管理和故障诊断。ELMS由多个电气负载管理中心(ELMC-Electric Load Management Center)通过总线(主要有ARINC429、ARINC629、MIL-STD-1553B等)组成网络,具有完善的机内自测试(BIT: Built In Test)功能。
1553B总线是在70年代末为适应飞机的发展由美国提出的飞机内部电子系统联网的标准,由于它的高可靠性和灵活性而得到了广泛的应用,它是一种强调实时性和可靠性的计算机局域网络系统。[1]
为某型飞机研制的ELMS系统主机为两台互为备份的电源系统处理机(PSP- Power Source Processor),另有6台计算机作为节点,分别编号为ELMC1~ELMC6,采用1553B总线。[2]
该飞机上用25AH镉镍航空蓄电池组作为应急电源和起动电源。该蓄电池组由20个镉镍全烧结式碱性蓄电池用镀镍铜质跨接板串联组合在钢制组合箱内构成,在环境温度为25±10℃范围内,按规定充电制充电后,可在高空18000米、-10℃~+50℃环境温度下使用。
对全机电气系统分析、研究表明,该蓄电池在机上有以下三种状态:
1) 浮充状态:由于在备用状态下有自放电特性,蓄电池接在飞机汇流条上必然会有几十毫安的充电电流流入,使得蓄电池始终处于充满电的状态。但长期浮充会产生记忆效应,使容量下降。
2)放电:蓄电池向外供电,供电电流取决于负载的大小,放电状态下蓄电池的电压、电压下降率、安时数和温升是表征蓄电池性能状态的主要参数。在起动发动机时,蓄电池以10~20倍率(每倍率为25安培)放电,放电终止电压为16--14V,放电时间不超过3分钟;应急电源用电时,可以以2--5倍率的电流放电,放电终止电压为20V,放电时间不超过25分钟。
3) 均充状态:均衡充电也叫过充电。在长期浮充或放电之后,蓄电池应按一定的充电曲线进行充电。均充电压、电压上升率和安时数都是衡量蓄电池性能指标的重要参数。
蓄电池在机上是直接与直流应急汇流条相连,蓄电池的好坏,直接影响到飞机的起动、应急供电,因此对蓄电池的监测必不可少。民用的蓄电池的检测有很多研究,[3]航空蓄电池检测在线检测的研究比较少。自动配电系统优于常规和遥控配电系统之处在于它由计算机进行检测、管理,因此也有条件对蓄电池进行在线检测和管理。[4][5]
2 硬件电路结构
该型飞机直流供电系统由左、右两个通道组成,以下仅以左通道为例。该通道中蓄电池、变压整流器、直流应急汇流条的连接如图1所示,由3号电气负载管理中心ELMC3进行管理。ELMC3由内部电源板、输入输出接口板、微机板、 1553B总线板、母板共5块印刷线路板组成。
![]() |
| 图1 蓄电池连接主电路 |
蓄电池连接接触器(BTC1:Battery Tie Contactor No.1)闭合时蓄电池向直流应急汇流条供电,因此对BTC1的控制应能满足起动和工作的要求,即:初始起动时,手动控制BTC1闭合,使蓄电池向直流应急汇流条供电,让(ELMC3)得到直流电工作;正常运行时,ELMC3可以控制BTC1;关机时,可以手动断开BTC1使蓄电池脱离电网。为了满足这几个要求,BTC1的控制电路应设计为图2所示。
![]() |
| 图2 BTC1的控制电路 |
BTK1为动力控制板上的蓄电池控制开关,不能自锁;中间继电器KA1在ELMC3内的接口电路板上,它的常开触点与BTK1并联。系统工作前,直流应急汇流条没电,ELMC3没有工作,操作人员接通BTK1,则蓄电池的+端、BTC1线圈、BTK1构成通路,BTC1接触器线圈通电,其常开触点1-2 闭合,蓄电池向直流应急汇流条供电,ELMC3得电工作。
ELMC3对蓄电池的参数进行检测,检测内容和方法有:
蓄电池电压检测:检测蓄电池输出端对地的电压;检测中心点即十个单体的对地电压;
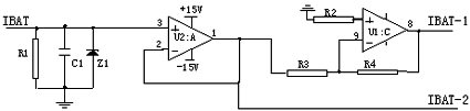
蓄电池输出电流的检测:利用电流采样电阻R1将电流信号变换成电压信号。放电时该信号为正,充电时该信号为负,ELMC3中的A/D转换输入电压范围为0—+5V,因此信号变换电路应起到整流的作用,且能让ELMC3识别电流的方向。信号变换电路如图3所示。运放U2:A将反映电流大小的电压信号进行放大得到Ibat1-2,输出到微机的P0.1口,U2:B将Ibat1-2 反向得到Ibat1-1输出到P0.0口,P0.0、P0.1口输入都接有高、低电平钳位二极管。参数选取:R3=R4=10KΩ,C1=0.1μF, Z1取5.1V的稳压管。
![]() |
| 图3 电流信号变换电路 |
蓄电池的温度检测:在蓄电池箱内埋设一个温度传感器,其信号直接输出到ELMC3中;
蓄电池的输入、输出容量的检测:蓄电池的容量的单位为安时,在不同的温度、不同的充放电电流下,蓄电池可以充入或放出的能量是不一样的。蓄电池在上机之前必须充满电到25AH,正常工作以后充入或放出的能量可以通过电流对时间的积分得到,但是由于蓄电池通过不同的电流放电其能放出的能量是不一样的,只能近似计算出蓄电池还剩多少容量。蓄电池剩余的容量:
![]() |
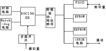
| 图4 微机电路 |
蓄电池放电状态的判别:通过蓄电池在不同的放电电流下的放电终止电压来判别蓄电池放电是否应该结束。
微机系统(如图4)是以80C196KB单片机为CPU ,该单片机运行速度快,内部集成度高,片内带有8路11位A/D转换器(P0.0~P0.7口),有高速输入、高速输出口。数据驱动、地址锁存电路分别采用54LS245、54LS373芯片完成,由54LS138进行地址译码。
需要检测的量经过信号调理电路变换后成为微机可以接受的模拟量,有的输送到多路开关进行选通后输入到CPU的A/D转换器内,有的直接输入到CPU的A/D转换器内。
3 软件设计
蓄电池的性能可分为正常、异常和故障。软件中根据检测到的数据对这些状态进行判别。
异常运行特征:应急时蓄电池放电容量过大,剩余容量过小;温度过高;使用容量下降;
故障状态特征:蓄电池端电压Ubat≠Uhalf;在一定的放电电流情况下放电终止电压过低;放电电压下降率过大。
ELMC3还对其本身、变压整流器、BTC1、MLC1进行监测和故障诊断,将检测到的数据存储起来,并向PSP1发送这些数据。
软件采用8096汇编语言编写,模块化结构设计。主要流程如图5。
![]() |
| 图5 主要流程图 |
4 结语
系统联试结果表明,对蓄电池的检测、控制和系统通讯功能正确,能符合要求。在电流检测中,当以大电流放电(如作起动电源时)作为满量程考虑时,小电流浮充时检测误差相对较大。可以考虑用两套检测电路解决这一问题,本文不再对此进行讨论。
参考文献
[1] Aircraft Internal Time Division Command/Response Multiplex Data Bus,MIL-STD-1553B USAF,1986
[2] 傅大丰,杨善水等,先进飞机自动配电管理系统电气负载管理技术的研究,南京航空航天大学学报,2002。NO1;
[3] 张志刚等.高速蓄电池自动测速系统的研究.电源世界.2000年4月.23-25。
[4] Yang Shanshui,A NOVEL AERONAUTICAL ELECTRICAL POWER DISTRIBUTION SYSTEM BASED ON THE DISTRIBUTED COMPUTER SYSTEM,Trans. Of Nanjing University of Aeronautics and Astronautics,Vol.18 No.2;
[5] 严仰光等.民航飞机供电系统.航空工业出版社.1998年1月.15-21。
射频工程师养成培训教程套装,助您快速成为一名优秀射频工程师...
天线设计工程师培训课程套装,资深专家授课,让天线设计不再难...
上一篇:阀控铅酸蓄电池的失效探讨及在线监测
下一篇:铅酸蓄电池组电压自动平衡仪
射频和天线工程师培训课程详情>>






