- 易迪拓培训,专注于微波、射频、天线设计工程师的培养
大容量航空蓄电池充电器的研制
录入:edatop.com 点击:
1 引言
该航空蓄电池充电器为飞机某型号蓄电池专门设计,主要实现两阶段充电功能,即恒流充电状态(以20A的大电流充电)和涓流充电状态(以3A的小电流充电)。蓄电池充电器使用的工作电源为115V/400Hz的航空电源,充电器能在1小时内完成恒流充电,随后以涓流状态对蓄电池组进行充电直至充电结束,每个充电过程在2个小时内完成。
2 充电器总体设计方案
该航空蓄电池充电器为飞机某型号蓄电池专门设计,主要实现两阶段充电功能,即恒流充电状态(以20A的大电流充电)和涓流充电状态(以3A的小电流充电)。蓄电池充电器使用的工作电源为115V/400Hz的航空电源,充电器能在1小时内完成恒流充电,随后以涓流状态对蓄电池组进行充电直至充电结束,每个充电过程在2个小时内完成。
2 充电器总体设计方案
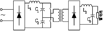
![]() 图1 充电器主电路结构框图 航空蓄电池充电器的主电路如图1所示,电源变换器采用了由半桥变换器、高频变压器和输出整流滤波电路组成的半桥变换器[1],该电路结构简单,工作可靠,功率管为场效应管,而且开关管承受的电压为电源电压,故可在电源电压较高的场合应用。通常高频大功率变换器开关频率一般都大于15kHz,为了使功率电路小型化、减小失真并保持高的变换效率,该充电器采用了20kHz的开关频率。 3 SG3525芯片介绍
SG3525是美国通用公司的产品,如图2所示,内部电路主要由基准电源、振荡器、误差放大器、PWM比较器与锁存器、分相器、欠电压锁定、输出级、软启动以及关断电路等组成。基准电源是一个典型的三端稳压器,精度可达,采用了温度补偿。作为内部电路的供电电源,并可向外输出40mA电流。振荡器由一个双门限比较器,一个恒流源及电容充放电电路组成,在芯片外部由5脚对地接一电容器,6脚对地接一电阻,5脚和7脚之间外接电阻即可构成该振荡器。
SG3525芯片各点的工作波形如图3所示,由误差放大器输出的电压Ve与锯齿波的交点可得一负的PWM信号。由PWM信号、时钟信号及分相器输出的Q (或 )信号,根据或非门的逻辑可得两个或非门的输出信号Va和Vb。由波形图可以看出,PWM比较器的反相输入端电平越高,输出脉冲Va和Vb的占空比越大;反之越小。根据这一规律来实现该控制器的调压、软启动及保护功能。另外,可以通过改变5脚和7脚之间的外接电阻的大小,使时钟脉冲宽度变化来实现死区大小的调节[2]。 4 充电器的控制与保护策略 航空蓄电池充电器的控制原理框图如图4所示。芯片SG3525产生的两路 PWM波经过光耦隔离以后,被送入IR2130从而驱动开关管工作,由于充电器的负载为电压时刻变化的航空蓄电池,因此在控制电路中还采用了电压电流双闭环控制、过流及过温保护电路,从而能保证充电器高效、可靠的完成整个充电过程。
该充电器的工作过程可以简单的描述为:当充电器检测到蓄电池两端的电压低于某一定值电压(第一定值)时,充电器开始工作并进入恒流充电状态,此时由外部的电压传感器和电流传感器采集来的电压、电流信号传送到控制电路进行电压、电流双闭环调节,保持充电电流恒定;当充电电压达到另一定值(第二定值)电压时,蓄电池充电器进入涓流充电状态,当蓄电池充电器检测到蓄电池两端电压不再发生明显变化时,充电过程结束。 5 软件设计 单片机系统以AD公司的数据采集系统芯片ADuC812为核心,采用单片机C语言进行编程,该芯片以8951为内核,集成了高精度的多通道ADC和 DAC,具有在线可编程功能,该系统的主要功能是通过人机接口(按键,LED显示)来设置对蓄电池的充电电流的大小,用采集到的电流和电压值与设定值进行数字式PID调节,以控制D/A输出,并在充电的过程中实时显示蓄电池电压、电流值和充电时间。 软件设计的流程图如图5所示,在恒流充电阶段,电压传感器产生的电压信号、电流传感器产生的电压信号传送到单片机以后,单片机产生2V的D/A信号给调理电路,在检测到蓄电池两端电压达到第二定值时,充电器进入涓流充电阶段,单片机电路产生较小的D/A值,使蓄电池以较小的电流充电(涓流充电),当检测到蓄电池电压不再上升(或者发生明显的变化)时,单片机电路给出关断充电器信号,蓄电池充电过程结束。
6 试验结果
使用该蓄电池充电器对某型号航空蓄电池进行了充电试验,最大充电电流限制为30A,温度限制值定为350C。蓄电池的初始电压为20V,充电开始时,充电器以20A的电流对蓄电池持续充电约58分钟,然后以较小的电流3A对蓄电池进行涓流充电,直至蓄电池电压上升到32.45V时,蓄电池两端的电压不再发生明显的上升现象,此时充电器停止充电,历时150分钟,充电过程曲线示意图如图6所示。 7 结论 本文提出了一种镉镍航空蓄电池充电器的设计方案和控制原理,精确实现了恒流充电和涓流充电功能,该充电器实现了输出与电网的高频电气隔离,充电效率高,使用方便,工作稳定,有效地缩短了充电时间,提高了充电质量,便于现场应用,满足航空蓄电池的使用要求,现已经装备使用,效果良好。 参考文献 [1] 阮新波,严仰光,直流开关电源的软开关技术,科学出版社,2000. [2] 李序葆,赵永健,电力电子器件及其应用,机械工业出版社,2001. [3] 谢少军,陈 勇,一种通用型航空蓄电池充电器研制,南京航空航天大学学报,2003年,第1期. [4] 20GNC系列镉镍航空蓄电池技术手册, 国营七五五厂. 射频工程师养成培训教程套装,助您快速成为一名优秀射频工程师... 天线设计工程师培训课程套装,资深专家授课,让天线设计不再难...
上一篇:线性光电耦合器在开关电源中的应用 射频和天线工程师培训课程详情>>
|







