- 易迪拓培训,专注于微波、射频、天线设计工程师的培养
电源系统中的单元电路_电源技术概要㈡
录入:edatop.com 点击:
在《电源技术概要㈠》中,我们介绍了电器系统中使用的各式各样的电源。使我们感到要深入研究,或者全面掌握电源技术似乎比较困难。其实我们可以换一个思路,尽管电源的类别很多,但是各数类型的电源,都可以看成是由一些功能模块(或者称为单元电路,下同)组合而成,而这些组成电源的功能模块其实数量并不多,只要清楚了这些单元电路的工作原理和结构特征,就很容易全面掌握电源技术要领。本节将首先简要说明这些单元电路的基本作用、基本原理。更详细的细节知识,设计要求,以及如何通过这些单元电路组成我们需要的电源系统,等等问题将在后面的文章中专门探讨。
二、电源系统基本单元电路介绍
1、 整流与滤波电路(AC/DC)
整流电路的作用就是将极性双向变化的交流电或者双向脉冲电,转变成为单向脉冲电,单向脉冲电再经过滤波电路的积分作用就成为直流电。因此整流和滤波电路的共同作用,才能完成了交流电到直流电的转化。
普通二极管的单向导电性,是构成基本整流电路的基础。以下是三种二极管整流电路原理图,它们分别是:半波整流、全波整流、桥式整流。
二极管的参数(型号)依工作电压和最大输出功率确定,如果所整流的对象是非50HZ交流电或者是非正弦波脉冲,还需要考虑二极管的频率特性(开关特性)。
下图是一种可以同时输出两种电压的特殊整流电路,此电路常常使用在需要适应两种不同标准(美国标准110V,中国标准220V)工频电压的电器中。

还可以通过多级倍压的方法获得更高的整流输出直流电压,如下图所示:

此外,也可以使用可控硅器件,构成输出电压连续可调的整流电路。

图中,通过改变每一个正弦周期中可控硅的触发时间,控制导通角,达到调整输出电压的目的。
还可以使用工作于开关状态的功率场效应管构成开关同步整流电路。由于在大电流工作状态下,场效应比二极管的导通电压更低,开关特性更好,因此同步整流电路比较适合用在大电流低电压的高频脉冲整流中。下图是使用了两只场效应管(SR1、SR2)构成的自驱动同步整流电路。

下图是由MAX1638构成的直流变换器电路,其中输出端采用了同步整流为外驱动方式。

2、 线性稳压电路
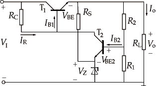
下图是最基本的串联型反馈式线性稳压电路的原理图。其中,VZ是是普通的稳压二极管,用来产生基准电压,T1是调整管,R1、R2构成对输出电压的取样电路。

串联型反馈式线性稳压电路的稳压过程是:输出电压取样,与基准电压比较,获得输出电压的误差量,对调整器件实施反馈控制,改变其电流导通量,达到修正输出电压的目的,属于电压型负反馈类型。
3、 开关稳压电路
开关稳压电源的控制方式,也是采用了与线性稳压电源相同的电压型负反馈类型,也分为串联和并联两种类型。最大的区别是:调整器件工作于高频率的通断状态,通过改变通断的时间比例(脉冲占空比),来改变平均电流值,达到修正输出电压的目的。基本原理参见以下方框图。

4、 恒流输出的方法及电路
所谓恒流输出是指,当输入电压或者负载阻抗在一定范围内变化时,电源能够保持对负载的输出电流恒定不变。实现恒流输出的基本方法是采取电流反馈。下图所示是线性恒流电源的组成方框图,同样可以采用与开关稳压电源类似的调整方式,实现电源恒流输出。

5、 直流电压变换(DC/DC)方法
电压变换是指电压高低的变换,即升压或者降压。交流电压的升降变换,一般通过普通的变压器就可以完成。而直流电压不能够简单地直接变换,需要通过功率脉冲振荡器,先将直流电转变成为脉冲交流电,再通过脉冲变压器升压或者降压,最后经过整流滤波电路还原成为直流电,它实际上属于开关电源的一种类型。
在高压大功率应用场合。为了减小高压大功率变换器开关器件的电压应力,提出了三电平直流变换器的方案,该方法可使开关管的电压应力是输入直流电压的一半。其变换过程如下图所示:

选用高的振荡频率,有助于大幅度减少脉冲变压器的体积,但却带来了对功率开关调整器件频率特性的更高要求,也加大了EMC设计的难度。所以一般选择几十千赫兹到兆赫兹范围的振荡频率。
6、 逆变(DC/AC)方法
逆变就是把直流电转变成为工频交流电。最简单直接的逆变方法,就是使用工频正弦波信号去驱动低频功率放大器,从放大器输出端获得工频交流电,再经过普通铁磁变压器获得所需要的电压值。这种方法的主要缺点是,成本高、转化效率低、输出功率有限。
现代逆变器多数采用了PWM(脉冲宽度调制)技术,获得大功率、高效率的交流逆变输出,基本工作原理如下图左所示,下图右是脉冲变压器付边的电流、电压波形。


7、变压器及电源隔离技术
变压器是电源系统中不可缺少的主要部件,铁磁变压器笨重,用于变换工频交流电的电压;铁氧体材料的脉冲变压器轻巧、低成本,适合用来变换高频率的脉冲电压。变压器原边与付边之间是通过磁场传递能量,原边与付边之间没有电接触,因此在电源系统中,变压器还有一个重要的作用,就是实现原边与付边的电隔离。下图是使用TOP202Y构成的小功率低输出电压开关电源原理图,其中通过脉冲变压器以及光电偶合器,实现了输入输出的完全隔离。

二、电源系统基本单元电路介绍
1、 整流与滤波电路(AC/DC)
整流电路的作用就是将极性双向变化的交流电或者双向脉冲电,转变成为单向脉冲电,单向脉冲电再经过滤波电路的积分作用就成为直流电。因此整流和滤波电路的共同作用,才能完成了交流电到直流电的转化。
普通二极管的单向导电性,是构成基本整流电路的基础。以下是三种二极管整流电路原理图,它们分别是:半波整流、全波整流、桥式整流。
![]() | ![]() | ![]() |
二极管的参数(型号)依工作电压和最大输出功率确定,如果所整流的对象是非50HZ交流电或者是非正弦波脉冲,还需要考虑二极管的频率特性(开关特性)。
下图是一种可以同时输出两种电压的特殊整流电路,此电路常常使用在需要适应两种不同标准(美国标准110V,中国标准220V)工频电压的电器中。

还可以通过多级倍压的方法获得更高的整流输出直流电压,如下图所示:

此外,也可以使用可控硅器件,构成输出电压连续可调的整流电路。

图中,通过改变每一个正弦周期中可控硅的触发时间,控制导通角,达到调整输出电压的目的。
还可以使用工作于开关状态的功率场效应管构成开关同步整流电路。由于在大电流工作状态下,场效应比二极管的导通电压更低,开关特性更好,因此同步整流电路比较适合用在大电流低电压的高频脉冲整流中。下图是使用了两只场效应管(SR1、SR2)构成的自驱动同步整流电路。

下图是由MAX1638构成的直流变换器电路,其中输出端采用了同步整流为外驱动方式。

2、 线性稳压电路
下图是最基本的串联型反馈式线性稳压电路的原理图。其中,VZ是是普通的稳压二极管,用来产生基准电压,T1是调整管,R1、R2构成对输出电压的取样电路。

串联型反馈式线性稳压电路的稳压过程是:输出电压取样,与基准电压比较,获得输出电压的误差量,对调整器件实施反馈控制,改变其电流导通量,达到修正输出电压的目的,属于电压型负反馈类型。
3、 开关稳压电路
开关稳压电源的控制方式,也是采用了与线性稳压电源相同的电压型负反馈类型,也分为串联和并联两种类型。最大的区别是:调整器件工作于高频率的通断状态,通过改变通断的时间比例(脉冲占空比),来改变平均电流值,达到修正输出电压的目的。基本原理参见以下方框图。

4、 恒流输出的方法及电路
所谓恒流输出是指,当输入电压或者负载阻抗在一定范围内变化时,电源能够保持对负载的输出电流恒定不变。实现恒流输出的基本方法是采取电流反馈。下图所示是线性恒流电源的组成方框图,同样可以采用与开关稳压电源类似的调整方式,实现电源恒流输出。

5、 直流电压变换(DC/DC)方法
电压变换是指电压高低的变换,即升压或者降压。交流电压的升降变换,一般通过普通的变压器就可以完成。而直流电压不能够简单地直接变换,需要通过功率脉冲振荡器,先将直流电转变成为脉冲交流电,再通过脉冲变压器升压或者降压,最后经过整流滤波电路还原成为直流电,它实际上属于开关电源的一种类型。
在高压大功率应用场合。为了减小高压大功率变换器开关器件的电压应力,提出了三电平直流变换器的方案,该方法可使开关管的电压应力是输入直流电压的一半。其变换过程如下图所示:

选用高的振荡频率,有助于大幅度减少脉冲变压器的体积,但却带来了对功率开关调整器件频率特性的更高要求,也加大了EMC设计的难度。所以一般选择几十千赫兹到兆赫兹范围的振荡频率。
6、 逆变(DC/AC)方法
逆变就是把直流电转变成为工频交流电。最简单直接的逆变方法,就是使用工频正弦波信号去驱动低频功率放大器,从放大器输出端获得工频交流电,再经过普通铁磁变压器获得所需要的电压值。这种方法的主要缺点是,成本高、转化效率低、输出功率有限。
现代逆变器多数采用了PWM(脉冲宽度调制)技术,获得大功率、高效率的交流逆变输出,基本工作原理如下图左所示,下图右是脉冲变压器付边的电流、电压波形。


7、变压器及电源隔离技术
变压器是电源系统中不可缺少的主要部件,铁磁变压器笨重,用于变换工频交流电的电压;铁氧体材料的脉冲变压器轻巧、低成本,适合用来变换高频率的脉冲电压。变压器原边与付边之间是通过磁场传递能量,原边与付边之间没有电接触,因此在电源系统中,变压器还有一个重要的作用,就是实现原边与付边的电隔离。下图是使用TOP202Y构成的小功率低输出电压开关电源原理图,其中通过脉冲变压器以及光电偶合器,实现了输入输出的完全隔离。

射频工程师养成培训教程套装,助您快速成为一名优秀射频工程师...
射频和天线工程师培训课程详情>>




