- 易迪拓培训,专注于微波、射频、天线设计工程师的培养
具有排序及跟踪功能的LDO
主要特点
MIC68200是一种低压差线性稳压器IC。该IC主要特点:有输出固定电压(1.2V、1.5V、1.8V等固定电压)及输出电压可设定的品种;多个MIC68200可组成主、从电源系统,实现主、从电源输出电压的排序及跟踪的要求;输入电压范围1.65~5.5V;输出可设定的电压范围0.5~5.0V;输出固定电压的电压精度典型值为±1.0%(最大值为±2%);可输出最大峰值电流为2A,连续输出电流可达1A,以满足上电时高电流的要求;低压差,输出1A时的典型压差值为500mA;有关闭电源控制,在关闭状态时耗电0.01μA(典型值);有较好的电压调整率及负载调整率;内部有过热关闭及过流限制保护;小尺寸薄型10引脚MLF封装(0.85mm×3 mm×3 mm);工作结温范围-40℃~+125℃。

图1
引脚排列及功能
MIC68200的引脚排列如图1所示,各引脚功能如表1所示

主要参数
MIC68200的主要参数:输入电压范围1.65~5.5V;EN端输入电压范围0~V IN(EN高电平电压大于1.0V),关闭电源时EN为低电平(电压小于0.2V),斜坡控制电压V RC=0~5.5V;输出电压精度在±2%内(典型值为±1%);输出电压负载调整率0.3%(典型值),电压调整率0.06%(典型值);压差500mV/A(最大值);地电流在输出1A时的典型值 为15mA,关闭电源时耗电典型值为 0.01μA;内部电流限制为3.4A;POR端输出低电平时是输入欠压状态,低电平电压为60mV(典型值);输出电压在上电时比正常电压低10%之内(上升),关断时,比正常电压低12.5%(下降)时输出高电平;固定输出器件,其跟踪精度为10mV。
典型应用电路
1 固定输出与输出可设定的基本电路

图2

图3
固定输出的基本电路如图2所示。采用MIC68200-1.8YML(型号中-1.8表示输出固定的1.8V电压,YML是型号的后缀),输出1.8V。ADJ/SNS端与OUT端连接,RC端及Delay端不用,可悬空;V IN端加上3.3V输入电压,当EN端输入高电平(>1V)时,电源输出1.8V。当V OUT的输出电压大于90%×1.8V时,POR端输出高电平(上电复位信号);若EN端输入低电平(<0.2V),电源被关闭,POR输出低电平。若输入电压V IN欠压,使输出电压V OUT低于额定电压87.5%时,POR端输出低电平。
图中,47kΩ是开漏输出的上拉电阻,C IN是输入电容(0.1μF),C OUT是输出电容(4.7μF),一般采用介质材料为X7R或X5R的贴片式多层陶瓷电容器(MLCC)。输出电压可设定的基本电路如图3所示(其型号为MIC68200YML)。输出电压VOUT与外接电阻分压器R1、R2的关系为V OUT=0.5V[1+(R1/R2)]式中,0.5V是内部的基准电压。
由于ADJ/SNS端的输入阻抗极高,所以R1、R2可采用阻值较大的电阻(R1、R2≤1M)。当R1>50kΩ时,需在R1上并联1个0.1μF(CFF)的电容,以避免由于相位滞后而产生不稳定。一般设R1=10kΩ,已知V OUT值后可求出R2值。例如V IN=3.3V, R1= 10kΩ,R2=2.5kΩ时,V OUT为:V OUT=0.5V[1+(R1/R2)]=0.5V[1+(10k/ 2.5k)]=2.5V可设定输出电压范围是 0.5~5.0V,输入电压V IN一般取V OUT+1V左右。
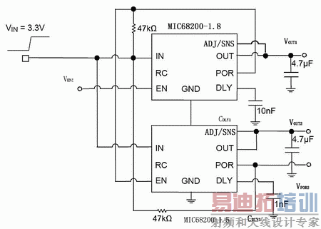
2 主从电源排序电路
图4是一种主从电源排序电路。输入电压V IN=3.3V,主电源输出电压V OUT1=1.8V,从电源输出电压V OUT2=1.5V。在排序上要求从电源后上电、先断电,如图5中的V OUT1及V OUT2的电压波形图所示(在图5中,主电源的有关参数后加1,从电源的有关参数后加2)。
电源要求的排序是由主、从电源的Delay端设置延迟电容C DLY来实现的。在图4中,主电源的Delay端外接C DLY1=10nF到地。从电源的Delay端外接C DLY2=1nF到地。器件内部有1个±1μA的双向电流源,在上电时,电流源向C DLY充电到一定电压,产生T POR的延迟时间;在关断时,C DLY上的电压向电流源放电到一定电压,产生T SHDN延迟时间。充电、放电的电流是相同的,所以T POR=TSHDN。其延迟时间与C DLY的关系为:T POR=T SHDN=1.13(C DLY/Μa)

延迟时间的单位与电容的单位有关,如表2所示。

图4

图5

图6
例如,主电源为Delay端外接C DLY1=10nF,则其T POR及T SHDN为T POR=T SHDN=1.13(10Nf/1μA)=11.3ms
从图4、图5中可以看到:由于从电源的EN端接在主电源的POR端,所以在主电源上电往T POR1延迟后从电源才上电;在EN1为低电平时,由于主电源的C DLY1大于从电源的C DLY2,所以T SHDN1>T SHDN2,这样使从电源先关断而主电源后关断,而主电源后关断,实现了电源排序的要求。
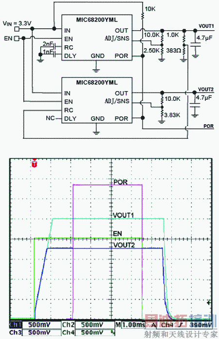
一种典型的排序电路如图6所示,它由固定输出1.8V的主电源及1.2V从电源组成。该电源给带内核的微处理器(μP)供电:主电源给I/O端口供电;从电源给内核供电。另外,从电源的POR端给μP提供上电复位信号。
主、从电源的Delay端外接的延迟电容器C DLY M及C DLY S(符号中M表示主电源,S表示从电源)的电容量不同时,其排序不同。图7中,CDLYM= 1nF,CDLYS=2nF,是主电比从电源先关断的排序;在图8中;C DLY M=2nF,C DLY S=1nF,是主电源比从电源后关断的排序。

图7

图8
3 斜坡升压与斜坡降压电路若在MIC68200的RC端连接一个电容(C RAMP)到地,内部的双向电流源(±1μA)在上电时给C RAMP充电,在关断时C RAMP上的电压经电流源放电,使输出电压在上电及关断时电压形成斜坡,如图9所示。


图9
从零电压上升到额定电压的时间(即斜坡上升时间)T SLEW及斜坡下降时间T DOWN与C RAMP的关系如下:
在固定输出的电源时,T SLEW=V OUT(C RAMP/μA)在输出电压可设定的电源时,T SLEW=0.5VC RAMP/μA)
例如,在固定输出1.8V电源中,若C RAMP=5.6nF,则T SLEW=10.08ms(计算值),约10ms。若在输出可设定的电路中,要求T SLEW=10ms时,则C RAMP要求20nF。
当EN端为低电平时,C RAMP上电压放电,输出电压斜坡下降,其斜坡下降时间T DWON的计算公式与POR上电延迟的时间计算公式相似,仅用C RAMP换C DLY,公式如下:T DOWN=1.13(C RAMP/μA)一种带有斜坡升、降压的电源排序电路如图10所示。


图10
4 电源跟踪电路
电源跟踪有两种:正常跟踪与比例跟踪(Ratiometric Tracking)。分别介绍如下。
①正常跟踪
正常跟踪时,从电源的RC端由主电源的输出电压来驱动。内部的控制缓冲器保证从电源的输出电压常稍高于主电源的输出电压,以保证从电源正确地调节。如果主、从电源都是固定输出电源,其电路如图11所示。从图11中的电压波形图可清楚地看到主、从电源在上电及断电时,两电压跟踪的情况(上升的斜率与下降的斜率基本一样)。

图11

图12
如果主、从电源都由输出可设定的电源组成,则控制从电源RC端的电压经分压器分压后输入,主电源的分压电压等于从电源输出电压;若主、从电源输出电压相同,则VCR电压高于从电源输出电压2%~4%。一种由两个输出可设定的MIC68200组成的主、从电源跟踪电路如图12所示。主电源输出电压 V OUT1 = 2.5V,从电源输出电压V OUT2=0.7V。从电源的RC端与V OUT1的分压器相连接。VRC可从图12中的分压器计算出:VRC=V OUT2。从图12的电压波形图中可看出:V OUT1及V OUT2在上电及断电时其斜率基本相同,实现了电源的跟踪。
②比例跟踪
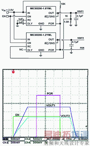
比例跟踪时,主、从电源上电关断时斜率并不相同,但要求上电时V OUT1与V OUT2达到额定电压的时间相同,断电时降到零时间要相同。在由两个固定输出电源组成的电源时,为达到比例跟踪,从电源的RC端由主电源输出电压的分压器来控制,其VRC的电压要求为V RC=90%×V OUT2
图13是一种由两个固定输出电源组成的比例跟踪电路。输入电压V IN= 2.5V主电源输出电压V OUT1=1.8V,从电源输出电压V OUT2=1.2V,从电源RC端控制电压V RC为V RC=90%×V OUT2=1.2V×0.9= 1.08V

图13

图14
图13中,V OUT1的分压器由1kΩ及15kΩ电阻组成,其分压器的电压就是1.08V。从图13的电压波形图中可清楚地看到,V OUT1及V OUT2在上电及断电时,到达额定电压的时间及断电时降到零电压的时间是相同的。
一种由两个可设定输出电源组成的主、从电源比例跟踪电路如图14所示。主、从电源的输入电压IN=3.3V,主电源输出电压V OUT1=2.5V,从电源输出电压V OUT2=1.8V。在主电源中用一个C RAMP=3nF的电容器实现比例跟踪,从电源的RC端与主电源的RC端连接在一起,即可实现。从图14中可清楚看到上电及断电时,主从电源的V OUT1及V OUT2实现比例跟踪的情况。
作者:北京航空航天大学 方佩敏
射频工程师养成培训教程套装,助您快速成为一名优秀射频工程师...
天线设计工程师培训课程套装,资深专家授课,让天线设计不再难...
上一篇:大电流型功率放大器PA04及其应用
下一篇:同步整流技术在通信电源模块中的应用

