- 易迪拓培训,专注于微波、射频、天线设计工程师的培养
白光LED驱动器CAT3636在便携设备中的应用
作者:CSI公司 陈飞
目前,各种消费类电子产品不断被赋予新的功能特色,而随着复杂度的提高,相应的功耗也随之增加。如何通过改善设计去避免功耗过快的增长,已经成为摆在硬件设计工程师面前的一个重要课题。比如手机、PMP、GPS这一类产品,其LCD背光所消耗的功率占整机功耗非常大的比重,而且LCD屏有进一步增大的趋势,这将进一步增加相应的功率。因此,如何降低LCD背光的功率消耗成为了降低系统功耗首要问题之一。
目前,市场上LCD屏的主流架构是CSTN和TFT,它们都需要一定亮度的背光源来达成可见的图像。背光源的亮度需求基本上与LCD屏的大小成正比,同时也和周边的环境和用户的主观感受有关。国内比较流行的背光方案是2.8英寸以下的LCD屏采用2~4个白光LED,2.8~4.3英寸的LCD屏采用5个以上的白光LED。考虑到LED的寿命、指标及价格,一般把单个LED电流控制在15~25mA。
大多数便携设备采用锂电池供电。锂电池的放电区间是3.2~4.2V左右,而白光LED在正常工作时所需的正向电压在3.2~3.8V之间(IF= 20mA@ VF=3.5V),而当系统的负载突然增大时,就会造成电池电压波动,因此直接使用锂电池驱动白光LED就会发生暗屏或闪屏等不正常现象。
解决这个问题的方法是在锂电池和白光LED之间插入一级升压驱动电路。目前常用的架构有两种:一种是电感升压型,另一种是电荷泵升压型。
对便携设备中5~6个白光LED的驱动方案,虽然电感升压型架构比传统的电荷泵升压型架构具备更多的高效率优势,然而噪声和外围器件的尺寸仍然是这种方案中不易克服的缺点。为了驱动串联排列的5~6个白光LED, 电感升压型芯片至少需要输出16 (3.2V/LED×5) ~21V(3.5V/LED×6)的驱动电压,其上固有的切换电路纹波对其他小信号电路是较大的噪声源。如果采用PWM信号控制升压型芯片的使能端来进行调光操作,那么不单是PWM信号自身,波动的驱动电压更会对其他电路造成不利的影响。
CAT3636 是一款充电泵式电容升压型白光LED驱动器,特别适合于采用5~6个白光LED作背光的LCD屏。与流行的电容升压型架构相似,它不需要电感器,外围只需要几个小容量的陶瓷电容器,自身亦采用小尺寸的3mm×3mm见方的TQFN-16封装。而与流行的电容升压型架构不同的是,它采用了Catalyst半导体公司的Quad-ModeTM电荷泵专利技术,能够非常有效地提升背光LED驱动器的转换效率,以降低背光电路的功耗。
当前大部分流行的电荷泵式LED驱动器根据输出电压和输入电压的比率仅提供3种工作模式:1倍, 1.5倍和 2倍。Quad-ModeTM架构增加了第四种工作模式—1.33倍。1.33倍工作模式让输出的升压电压尽可能的小,这就极大地降低了器件的无用功耗和随之而来的热损耗。同时,1.33倍工作模式还有效地降低了电池端的输入开关电流,不仅有效延长了电池的工作时间,而且使得整个系统的输入噪声达到最小。特别地,为了实现1.33倍的工作模式,CAT3636仍然采用流行的电荷泵式LED驱动器的外围配置,只使用两个飞电容来实现电压变换,这就使芯片不必因工作模式的增加而使引脚数相应增加,从而使器件可以采用较小但仍然廉价的TQFN封装,有利于实际的生产和采购。
Quad-Mode电荷泵原理
CAT3636采用的是QUAD-MODETM电荷泵升压架构。其原理不同于电感式升压电路,输出电压与输入电压成离散性倍数关系。这种电荷泵具有1倍、1.33倍、1.5倍和2倍四种工作模式。
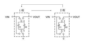
QUAD -MODETM电荷泵的2倍模式工作原理如图1所示。第1相时,输入电源VIN对2个外部电容C1和C2进行充电,此时两个外部电容并联,电容的a端接 VIN,b端接地。电容两极间的电压就是输入电压,即VC1=VC2=VIN。第2相时,外部电容b端则接至VIN,a端接至VOUT,这是VOUT= VIN+VC= 2VIN。由于反复的转换第1相和第2相,电荷就被源源不断地"泵"到输出端。

图1 2倍模式升压原理
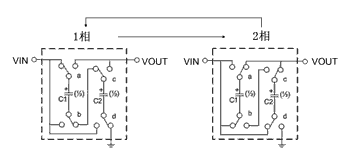
与2 倍模式类似,1.5倍模式的工作原理图2所示。第一相时,C1和C2串联接至VIN与地之间,输入电压VIN对电容C1和C2进行充电,VC1=VC2= 1/2VIN。第二相时,两个外部电容与地断开,并联接至VOUT,此时VOUT=VIN+VC =VIN+1/2VIN=3/2VIN。同样的,这个过程被反复地转换,就实现了1.5倍升压。

图2 1.5倍模式升压原理
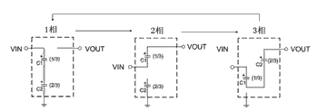
与传统的1.33倍模式不同,QUAD -MODETM电荷泵仅使用2个外部电容即可实现1.33倍模式。第一相时,VIN对外部电容C1和C2进行充电,C1与C2串联。第二相时,电容C1和C2与输入电源VIN断开,C1反向接至VIN和VOUT。此时C2保持浮空状态。第三相时,C1和C2串联接至VIN,C2的正极接至VOUT。稳态的输出电压可以根据基尔霍夫电压定律求解得到:
第1相:VIN=VC1+VC2 (1)
第2相:VOUT=VIN+VC1 (2)
第3相:VOUT=VIN-VC1+VC2 (3)
将(2)式代入(3)式得:
VIN +VC1=VIN-VC1+VC2 (4)
VC2=2VC1 (5)
将(5)式代入(1)式:
VC1=1/3VIN (6)
再将(6)式代入(2)可得:
VOUT=4/3VIN。

图3 Catalyst创新的1.33倍模式架构
如果输入电压VIN比LED的正向电压降VF大的话,则驱动LED不需要升压,QUAD-MODETM电荷泵工作在1倍模式下。
根据能量守恒原理,CAT3636输入功率PI就等于外部LED消耗的功率PL加上其自身消耗的功率PE,即PI=PL +PE。CAT3636自身消耗的功率主要包括电荷泵电压转换功耗PC,内部恒流源被动消耗功耗PS,内部逻辑功能模块消耗的功率PF,以及热损耗PT,即PE= PC+PS+PF+PT。如图4所示。

图4 功率消耗分布图
CAT3636 的转换效率η=PL/PI=PL/(PC+PL+PS+PF+PT)。由于PF和PT值都比较小,η≈PL/(PC+PL+PS)。在恒定电流工作条件下,LED的消耗功率PL近似恒定,由此可见,在同一升压模式下,随着输入电压的降低,输出电压随之降低,作用于内部恒流源的电压也随之降低,因此恒流源的消耗功率PS也随之下降,CAT3636的转换效率η升高;在相同的输入电压下,模式越高,输出电压越高,则内部恒流源消耗的功率就会越大,转换效率随之降低。这也就是带1.33倍模式的LED驱动器要比仅有1.5倍或2倍模式的驱动器综合转换效率要高的原因。图5是CAT3636工作在锂电放电范围内的转换效率图。

图5 CAT3636转换效率
CAT3636典型应用
CAT3636 典型应用电路如图6所示。除被驱动的LED外,仅需要2个普通的X5R或X7R电容。其内建6个通道恒流源,可以驱动6个共阳极并联LED。对于不使用的 LED端口,只需要将该端口直接连至VOUT端,CAT3636会自动检测端口的状态,关闭不使用的LED端口。

图6 CAT3636外围电路
CAT3636 采用了一种完全不同于脉宽调制(PWM)控制方式。PWM控制方式的本质还是模拟信号控制,只是这个模拟控制信号,采用数字方式编码罢了。脉冲的占空比被调制用来对一个具体模拟信号的电平进行编码。为了将这个数字编码的模拟信号解调出来,常常需要在LED驱动器的控制引脚和PWM控制器之间加RC电路。而 CAT3636采用的是1-Wire可编程数字接口,不能在MPU与CAT3636EN/SET引脚之间加下拉电容。否则可能会将控制信号过滤掉,造成无法控制CAT3636工作。CAT3636 1-Wire接口只有一根控制线,没有时钟线与编程数据同步,就需要有严格的时序要求,以保证编程数据的正确性。所以在实际应用中,要严格按照 CAT3636 datashee上的时序要求,发送控制命令。
结语
由于CAT3636采用全新的四模式电荷泵架构,在不增加额外成本的情况下,最大限度地延长了便携设备的电池续航时间。它的外围电路十分简单,仅需要2个普通电容,即可实现四种工作模式,而且不需要电感,可以避免因电感所带来的EMI问题。3mm×3mm TQFN超小封装,引脚少,外围组件拓扑结构简单,有助于降低在高密度PCB设计中LAYOUT的难度。另外,它的接口简单,操作灵活,可以实现多种个性化的应用需求,比如主副双屏背光,或者RGB LED闪信功能等。因此,CAT3636是一款非常适合手机、PDA、PMP、数码相机等掌上便携设备使用的高性能LED驱动器。
射频工程师养成培训教程套装,助您快速成为一名优秀射频工程师...
天线设计工程师培训课程套装,资深专家授课,让天线设计不再难...
上一篇:超低输入电压升压式DC/DC转换器
下一篇:高可靠DC/DC变换器模块设计

