- 易迪拓培训,专注于微波、射频、天线设计工程师的培养
突破新兴高效能电源要求上的限制
美国环保署(EPA)的能源之星(Energy Star)计划在2007年7月20日正式开始实施,这是针对个人电脑在不同负载下最低效能要求的规范。同时,它也为其他设备,包括企业服务器、外部电源(使用在如游戏机或笔记本电脑等)以及一系列家用设备规划或制定了类似的要求。由于能源之星在制定时都会和其他国家和地区的同类机构合作,因此它已在这些国家得到了采用。
电源在降低功耗上举足轻重,因此面对法规标准和消费者的更高要求时,重新检讨其设计方式就显得非常急迫。虽然可以改进传统的拓扑结构来达到更高效能要求,但可以明显地看出,沿用旧式设计方式的产品,其性价比将会低。在本文中,我们将提出两个能符合更高效能要求,并可控制目标成本的设计方式,并将之和传统的拓扑结构进行比较。
传统的拓扑结构
为特定应用选择拓扑结构时有几个考虑因素,包括输入电压范围是全球通用还是只针对特定地区,输出电压是单一还是多重(电流大小也是重要的条件),效能目标,特别是在不同负载下的效能表现。传统上,在大批量生产电源时多以成本,设计工程师对拓扑结构的熟悉度以及元件是否容易采购为考虑因素,其他因素还包括设计是否容易实 现和设计方式是否在电源产业链中为大家所熟知等。
较受欢迎的传统设计方式主要为单开关正向、双开关正向和半桥结构,这些结构提供了满足目前需求的稳固解决方案。不过如上所述,新兴的标准需要电源能够达成比先前更高的效能。过去,典型的台式电脑电源可以达到60%~70%的最高效能,但现在则要求电源在额定负载的20%、50%和100%时都能达到最低80%的效能。同时,最近更出现了希望能够在低于20%负载时达到70%或以上效能的趋势,且待机功耗能够持续下降。我们将探讨三种传统拓扑的优缺点,并介绍两种新型的拓扑。
1 单开关正向
图1中的这个拓扑相当受到欢迎,主要原因是元件数少且设计要求简单,但对于不同负载情况的高效能要求却为这个拓扑带来新挑战。在接近满载或满载时,这个拓扑的效能受到50%占空比的限制。而在较轻负载时,开关耗损是造成效能不佳的主要原因。许多较新的设计采用功率因数校正(PFC)前端来降低谐波电流,在400 V的PFC输出电压下,单开关正向方式被迫使用大于900 V的开关,提高了FET的成本。

图1 单开关正向拓补
2 双开关正向
图2是另一个使用相当普遍的拓扑,它是解决开关电压限制问题的升级版本。这依旧是一个会有高开关耗损的硬开关电路。其所带来的问题是需要使用门极驱动变压器或芯片驱动电路来推动高电压端MOSFET。

图2 双开关正向拓补
3 半桥
图3中的半桥变压器是高功率要求的另一个选择。和单开关或双开关正向变压器相反,半桥变压器可以在两个象限工作并降低原边FET的电流。变压器组成结构和输出整流比单一正向拓扑结构复杂,也存在高开关耗损问题。

图3 半桥拓补电路结构
新兴拓扑结构
为了符合更高效能的要求,业界已开发了数种新的拓扑结构。这些新电路拓扑不一定是指新发明,而是新近在商业大批量应用的。其中,两种最受重视的拓扑分别为有源钳位正激和双电感加电容(LLC)。
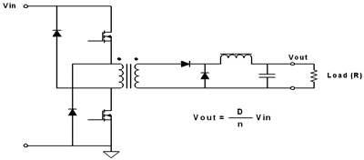
1 有源钳位正激
图4中的有源钳位正激拓扑是一个存在已久的软开关结构,虽然这种结构和传统的正向式拓扑结构类似,但过去一直被视为是难以实现的结构,因此主要应用在特殊领域,比如电信领域。不过,随着新IC的推出,这种结构的实现变得非常简单。

图4 采用安森美半导体NCP1562的有源钳位正激拓补结构
在这个拓扑结构中,变压器在主开关的整个关闭时间内通过附属开关串行的电容进行复位,这样做可以消除单开关正向结构中的无效时间。它的主要优点包括低开关耗损,可在50%以上占空比工作,降低了原边开关的电流应力。同时,这个结构也提供了自驱动同步整流功能,省去了专用门极驱动电路。加之低电压MOSFET越来越低的价格,采用MOSFET和同步整流已经成为实现低输出电压高电流整流的可行方案。
使用有源钳位器件和进行有源钳位FET的控制虽然看起来会增加电路的复杂度,但却可以通过节省缓冲电路、复位电路和较低整体开关要求加以补偿。这个结构也能够在宽广的输入电压范围下工作,因而适合多种应用,包括电视游戏机。
这个结构的主要缺点是没有大批量应用,比如在计算机中,因此一般台式机的设计工程师对它感到陌生。不过随着像安森美半导体等公司不断推出产品,这个拓扑结构的实现难度已经降低了。在较大批量应用中采用这个结构也能够降低采用元件的成本。这个拓扑的另一缺点是,和双开关正向或半桥变压器比较,需要较高额定电压的开关。
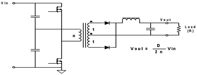
2 LLC谐振半桥
图5中的LLC拓扑结构特别适用需要高输出电压的场合,如液晶和等离子电视等应用。

图5 LLC谐振半桥拓补结构
和有源钳位拓扑一样,这也是一款因超低开关耗损达到超高效能的软开关拓扑结构。其他优点还包括不需输出电感,因此可以降低实现的整体成本。最后,由于采用半桥配置,可以降低原边元件的压力。
另一方面,这个结构也有一些缺点,最主要的是增加了复杂的磁性设计,输出电容上的高纹波电流和可变频率。同时,这个结构在设计较宽输入电压范围上也比较困难。
各式拓扑结构的比较
虽然我们无法采用单一拓扑结构作为所有应用的解决方案,但却可以依具体情况来决定采用何种电路结构。在这里,我们使用12V、20A输出的变压器设计来比较以上所述各式结构的差异,比较重点放在主要的设计问题,如原边开关、整流器、磁性、存储电容等。虽然还有其他差异点,但不在本文的讨论范围内。各式拓扑结构的差异结构总结如下。

● 原边开关:在300~400Vdc的输入电压范围,有源钳位变压器的原边峰值电流最低,单开关和双开关正向拓扑则拥有和有源钳位 类似的RMS电流,但却因MOSFET额定电压而会有较大的导电耗损。
● 谐振半桥变压器的直流次级整流器电压应力最低,接着是有源钳位,然后是单开关和双开关正向变压器。由于开关突波的关系,传统电路结构上的压力更高。
● 保持时间要求可以通过增大电容容值或变压器输入范围来达到。
● 在磁性方面,谐振半桥通过移除输出电感提供明显的简化,不过在变压器设计上则会有相当高的挑战性。和传统正向变压器比较,有源钳位变压器在相同频率下的输出电感可以减小约13%。
● 谐振半桥变压器由于没有输出电感,因此输出电容电流纹波最高。
● 有源钳位正激变压器的开关频率可以推升到更高(200~300kHz),硬开关拓扑结构则在150kHz以下。谐振半桥是一个可变频率的变压器,在满载低电源电压时,其最低频率通常设定在60~70kHz;高电源电压轻载工作时,最高频率可以达到数百kHz。
射频工程师养成培训教程套装,助您快速成为一名优秀射频工程师...

