- 易迪拓培训,专注于微波、射频、天线设计工程师的培养
利用多个LED控制器实现自动渐进调光
利用两个或更多的独立LED,当今的驱动器能够控制可用于便携系统中的新潮装饰光。不仅ILED峰值电流完全可编程,每个LED都能在0~100%亮度范围之间调光至任何值。此外,工作在向上和向下两种方向的嵌入式渐进调光功能提供了一种终端客户所需要的特别照明序列。本文阐述这种驱动器的特性,并基于一个典型应用重点探讨渐进调光。此外,还讨论了相关的软件作为一项典型示例。
基本的模拟操作
通常来讲,LED驱动器在适当的条件下提供恒定的电流来对LED进行偏置。如果我们考虑便携系统,其电源是输出电压范围在2.8~4.2V之间的电池(假设为是标准的锂离子电池)。由于根据偏置电流和室温的不同,当今的低功率LED的正向电压会在2.8~3.5V之间变化,需要一个接口来确保LED在正常工作期间恰当地偏置。这就是驱动IC的目的,而要考虑的第一个模块就是电流控制系统的电压范围。

图1 基本的LED接线 
图2 串并联链接优缺点比较
就这点而言,我们可以考虑采用串联或并联方式对LED进行连接:这两种连接方式各有其优缺点,见图2。
关键点在于,在色彩应用中独立及动态地调节每个LED亮度的能力。虽然有可能采用升压结构、使用开关在每个LED间进行连接以控制它们,但串行排列并非首选的解决方案,而并行结构最易于实现。
电荷泵是产生低电压及EMI问题最小且最合适的DC-DC转换器。另一方面,采用多种工作模式(1X,1.5X,2X)纯粹提升效率,使系统在便携设备中运行时能够节省尽可能多的能量。
除了DC-DC转换器,第二个关键参数是属于共同阵列的LED间的电流匹配:RGB结构不能适应LED间的偏置电流差别,因为这些差别会转化为视频和图像显示中的色彩表现。通过使用如图3中所示的一套精确的电流镜,这个问题就得到解决。
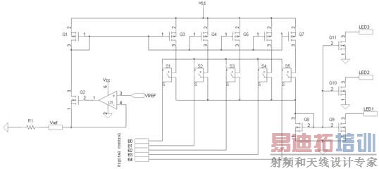
为了在LED中实现精确及稳定的正向偏置条件,通过与带隙参考提供的恒定电压相关的外部电阻产生一个参考电流。与运算放大器U1相关的晶体管Q1在Vref引脚产生恒定输出电压。Vref和地之间连接的外部电阻产生流经Q1和Q2的恒定电流。这个电流这时候就被Q3~Q7的晶体管系列建立镜像和放大,每个电流被连接至开关S1~S5,并且被晶体管Q8相加。最后,晶体管Q9复制参考电流至LED1。这种结构针对每个LED进行复制,而芯片的布局经仔细分析,以优化每个LED之间的匹配。

图3 基本的电流镜结构 
图4 典型的独立PWM控制
这样,每个LED都共用相同的I-LED峰值电流,而且需要额外的电子电路来对每个LED的亮度进行独立控制。这种功能通过为每个LED使用独立的PWM调制来实现(见图4):由数字信号PWM1至PWM3控制的开关S6~S8启动/关闭相关的电流镜,因此产生相关LED的亮度控制。其净优势是LED峰值电流恒定,确保了色彩表现不会被亮度控制所减弱,LED的工作点保持在色彩地图所定义的参考色彩,见图5。
图5中的波形源自工业应用,它展示了嵌入在所选器件中的三个PWM的特性。三个LED采用一个共同低频时钟控制,并带有一个占空比设置来适应给定应用。这很明显能够独立地减弱或增强每个PWM,范围在0~100%的占空比之间,而ILED峰值电流为恒定。

图5 典型的工业PWM操作
一种更加复杂的电路设计能够用来获得对LED的完全独立控制:I-LED峰值电流和PWM都能够数字编程,产生几乎无限的色彩范围和亮度,因为I-LED峰值电流在色彩地图中移动。基本的模型描述如图6所示。

图6 LED和CCFL的色域与NTSC标准的比较
数字控制
标准的I2C端口用于处理I-LED和PWM,利用软件来设定控制器内建的功能。为了更好地阐述渐进调光,我们将利用NCP5623控制器作为参考来描述这种功能的操作。
在PWM能够发生之前,ILED峰值电流将像NCP5623数据表中所定义的那样通过发送适当的代码至芯片来设定。创建平滑的增强亮度,软件将发送驱动器可用的总级(step)数:在本案例中,我们拥有31级。可以在微控制器(MCU)中应用一个简单环路来处理这个工作,但由于与实时系统相关的优先级中断问题,亮度上升过程可能被打乱。NCP5623含有内置序列,避免了MCU实时操作的发生:无论是亮度增强还是减弱,渐进调光都能够通过非常有限的软件步骤来实现,并且没有高优先级中断事件的影响。
基本上,两个内置寄存器将预先调整如下。
渐进调光的目标和方向:
-亮度增强=%101x xxxx
→最后位[B4:B0]包含增强的最终ILED目标
-亮度减弱=%110x xxxx
→最后位[B5:B0]包含减弱的最终ILED目标
时序和启动条件:
GRAD=%111x xxxx
→最后位[B5:B0]包含每级的时序
ILED电流将从0平滑增加至5.5mA,总序列时序等于GRAD寄存器位[B5:B0]的内容乘以增强(UPWARD)寄存器定义的级数。在这个例子中:
T=GRAD [B5:B0]*UPWARD[B5:B0]
T=64*26=1664ms

图7 典型的NCP5623自动向上渐进调光过程(每级8ms)
图7中给出的波形展示了向上渐进调光;对DWNWRD寄存器进行适当编程来实现向下调光的操作。
正如我们能够观察到的,ILED电流以准指数曲线形式增加,这种情况足以很好地补偿人眼的敏感度。
相反的方向很容易通过在数据寄存器的高三位使用适当的代码,而序列的余下部分相同来实现。
内置寄存器使对渐进调光进行动态控制成为可能,可以对不同视觉效果进行仿真。举例来说,我们可以重复由向上或向下期间的数字调制所创建的序列,也可能结合其中一组渐进调光和突然变化在波形的相反侧创建类似波形的锯齿。
最后,能够结合渐进调光和嵌入在芯片中的PWM,通过IREF引脚对ILED峰值电流进行调制创建相当复杂的光照序列:一种装饰光系统在主控制器周围采用最少数量的无源元件得以构造。
射频工程师养成培训教程套装,助您快速成为一名优秀射频工程师...

