- 易迪拓培训,专注于微波、射频、天线设计工程师的培养
直流道岔表示系统的电源隔离和信号隔离解决方案

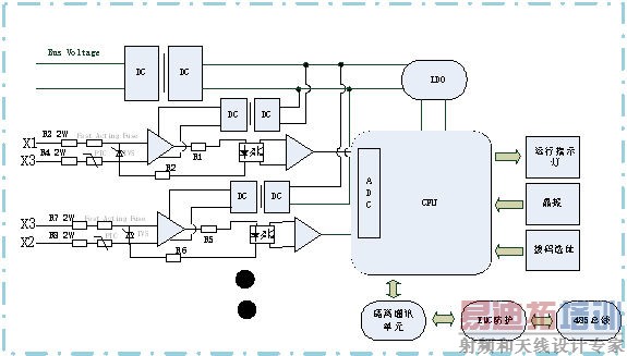
图1.直流道岔表示系统框图
方案推荐:
1. 电源解决方案
根据《信号集中监测系统采集技术方案和施工工艺要求》的规定:
1).直流道岔表示系统的采集器外壳和封装应采用铁道部指定的铁路信号专用继电器外壳和底座,符合标准GB/T 7417-2001;每个采集器采集4组直流转辙机道岔表示电压,每组直流转辙机通过2组表示电压表示,分别表示定位采集信号和反位采集信号;
2).每组道岔采样线之间隔一个端子,耐压为AC4000V以上;不同组道岔的输入线之间焊盘之间间隔大于6mm,如果不满足安全间隙,需要开宽度大于1mm的隔离槽;
3). 其端子之间、输入输出之间、输入与电源之间的耐压都高于DC2500V。端子之间对于超出AC3000V且电流大于200mA的强电流,输入回路高低端之间的保险丝断开,对外呈现断路状态;高压部分与低压部分走线区域严格区分,表示电压输入部分的走线间隔大于6mm。
对于采集器中的直流电压表示部分的隔离电源必须具有以下特性:
1) 小体积封装,减小占板体积要求,留出更大空间用于输入端隔离电路,保证焊盘之间的安全距离,提高产品整体安全性;
2) 高耐压特性,满足2500V隔离特性要求,可以防止因遭到类似高压冲击如感应雷、机车过轨等,而串入后级的测量电路中,提高模块耐高压的能力;
3) 低功耗,高效率要求,8组电源一起工作,可显著减小产品的温升,并且可以减小总线电源的功率要求;
针对此特性要求,金升阳推出E_T-W2 & F_T-W2 0.25W,定电压输入,3000VDC隔离非稳压正负双路/单路输出DC-DC模块电源系列产品,来解决直流道岔表示系统的电压采集中的电源选型的难题;

图2.F_T-W2示意图
此电源系列具有以下特性:
● 体积小15.24mm*7.5mm*6.5mm;
● SMD 封装 更适合自动贴片生产;
● 隔离电压3000VDC,满足铁标对道岔采集系统的要求;
● 工作温度范围: -40℃~+85℃,满足室外恶劣工作条件;
● 无需外加元件 减小PCB面积以及灵活应用;
● 国际标准引脚方式 ;
[p]
一般道岔表示采集器的总线输入电压为12V,道岔表示电压一般为0-5V或者0-10V,此信号转化部分可采用模块电源F1212T-W2产品满足设计要求;
对于道岔表示系统采集盒的总线输入电源,因每个道岔只可能工作在定位或者反位其中一种工作状态,即总共才4组F1212T-W2工作,选择DC-DC 3W产品符合设计要求,同样此总线输入电源,必须具有小体积封装要求,留下足够的空间给输入端隔离电路;金升阳WRF_S-3WR2产品可满足设计要求;
2. 通讯解决方案
传统的RS485通讯解决方案采用光耦隔离和DC-DC隔离自搭方案,因占板面积大,对于直流道岔表示系统的采集盒应用具有局限性,故推荐使用金升阳RS485隔离收发模块。该模块是集成收发芯片、隔离芯片及DC/DC隔离电源于一体的接口隔离收发模块,可完全取代传统的光耦隔离方案。

图3.TDXXXD485H示意图
● 磁耦隔离技术替代传统光耦隔离技术,可靠性更高;
● 模块化封装,可减小PCB占板面积,更符合采集器的应用;
● 隔离电压2500VDC,满足铁标对通讯隔离的要求;
● 工作温度范围: -40℃~+85℃,满足室外恶劣环境工作条件;
● 内部管脚集成防静电模块 减小PCB面积以及灵活应用;
[p]
3. EMC电路解决方案
1)道岔表示电压输入端EMC电路防护
根据《信号集中监测系统采集技术方案和施工工艺要求》,道岔表示电压输入端EMC防护电路在每组道岔表示输入与输出部分,必须跨接一个2W的金属膜高耐压的电阻,用于防止类高压部分串入后级电路,此高压电阻可显著减小此高压;在信号转换部分,串入TVS管是很有必要的,一方面可以防止DCDC电源的输出端因高压输入部分损坏;另一方面可保护信号转换部分因瞬间高压串入的异常工作。
2)采集器的总线电源的EMC电路防护
因采集器的总线电源已经是处于二次电源,一次电源侧对浪涌与群脉冲的防护已经做的很好了,一般只需要在总线电源的输入端并联一个大约47uF-100uF的电解电容和一个SMBJ的TVS管即可满足设计要求;
3)485通讯部分的EMC电路防护
485模块的EMC推荐电路如下:

图4.485模块推荐电路
具体推荐的元器件参数如下表:
应用此推荐电路,信号端口的EMS端口的能力可达到:
1).静电放电IEC/EN61000-4-2 Contact ±4KV
2) .脉冲群抗扰度IEC/EN61000-4-4信号端口 ±1KV
3) .浪涌抗扰度IEC/EN61000-4-5信号端口±4KV/±6KV
参考文献 :
1.运基信号【2010】709号文 铁路信号集中监测系统技术条件
2.TB 10301-2009 铁路工程基本作业施工安全技术规程
3.GB/T 7417-2001—AX系列继电器
广州金升阳科技有限公司供稿
射频工程师养成培训教程套装,助您快速成为一名优秀射频工程师...
天线设计工程师培训课程套装,资深专家授课,让天线设计不再难...
上一篇:将电容式感应与LED照明相结合(
1)
下一篇:有源钳位正激转换器之运作

