- 易迪拓培训,专注于微波、射频、天线设计工程师的培养
用简化方法对高可用性系统中的电源进行数字化管理
录入:edatop.com 点击:
高端服务器、电信和网络设备利用电源管理控制器测量、跟踪和控制每块板卡上的不同电源,并报告测量、跟踪和控制信息,这被称为"以数字方式管理电源"。高可用性电源的数字管理大有前途,但是这种数字管理常常是以采用高成本的复杂多芯片电路解决方案为代价的。例如,一个具有电压-电流监视和电源裕度控制能力的应用可能需要很多芯片,如低漂移基准、分辨率至少为 12 位的多通道差分输入 ADC、8 位 DAC 和专用微控制器。此外,实现裕度控制算法、电压和电流监视器功能还需要相当多的软件开发工作。再加上成本、复杂性、线路板空间要求和设计调试时间,即使是最专业的电源设计人员也可能不敢尝试以数字方式管理电源。
LTC 2970 双路 I2C电源监视器和裕度控制器为在高可用性系统中以数字方式管理电源而设计,实现了数字和模拟电源的融合。I2C 数字接口、14 位 ADC、高准确度基准和电流输出 DAC(IDAC)满足了数字电源设计师的需求。LTC2970 可与大多数电源配合使用,允许设计师选择具有模拟控制环路的最佳 DC/DC 转换器,这种控制环路可平滑控制输出电压以及快速瞬态响应。片上基准和 14 位增量累加 ADC 确保准确测量电源电压、负载电流或温度。两个电压缓冲 8 位 IDAC 调整 DC-DC 转换器的反馈信号。每通道仅用两个电阻就可配置调整范围和分辨率,而且该 IDAC 还可以用慢速线性电压伺服环路编程,以准确微调转换器输出并控制其裕度。
![]() |
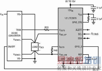
| 图1 用 TRIM 引脚实现 DC/DC 转换器的 LTC2790 应用电路 |
高可用性系统选择 DC/DC 模块与选择基于集成电路的转换器是完全相同的。不管 DC/DC 转换器提供 TRIM 引脚还是反馈节点,LTC2970 都适用。图 1 是一个用 TRIM 引脚控制 DC/DC 转换器输出电压裕度的典型应用电路。加电以后,LTC2970 的 VOUT0 引脚进入缺省设置的高阻抗状态。如果使用软连接功能,那么 LTC2970 在启动 IDAC 电压缓冲器之前,会自动找出最接近 TRIM 引脚开路电压的 IDAC 代码。
精确电压控制
LTC2970 的 ADC 是一个后接 sinc2 数字滤波器的二阶增量累加调制器,该滤波器以 30Hz 的转换率将调制器的串行数据转换成 14 位并行数据。与普通 ADC 相比,增量累加 ADC 的优点之一是能实现片上数字滤波,这个优点加上大的过采样率(OSR = 512)使 LTC2970 在对电源电压采样时不受噪声影响。除了调制器采样频率(fS = 0.72kHz)的整数倍频率之外,LTC2970的sinc2 数字滤波器均提供了高抑制。在该 ADC 的输入端加上简单的 RC 低通滤波器可以减少可能引起 DC 混叠的纹波分量。
ADC 的差分输入可以监视负载点上的电源电压和检测电阻电压。差分和共模输入范围为 -0.3V~6V。该 ADC 具有 500mV/LSB 的分辨率,可以在检测电阻阻值仅为几mW的宽负载电流变化范围情况下分辨电压。
如果 DC/DC 转换器的电压偏离程度超过 ±0.1%,LTC2970 被配置以伺服该转换器至 1V 电压。在 LTC2970 和 DC/DC 转换器都从 -50℃加热到 100℃时,LTC2970 能够保持输出电压在 1V ±1mV 范围之内。LTC2970 与 DC/DC 转换器隔离时,该输出电压在相同的温度范围内保持在 1.002V~1.0055V之间。
用 LTC2970-1 实现跟踪和排序
LTC2970-1 增加几个外部元件就可实现电源跟踪和排序。一个特殊的全局地址和同步指令允许多个 LTC2970-1 对多对电源进行跟踪和排序。
![]() 图 2 采用 LTC2970 跟踪两个电源 典型的 LTC2970-1 跟踪应用电路如图 2所示。GPIO_0 和 GPIO_1 引脚直接连接到各自的 DC/DC 转换器的 RUN/SS 引脚上。既然 GPIO_CFG 被拉高到 VDD,那么通过确定开漏输出 GPIO_0 和 GPIO_1 为低电平而加电后,LTC2970-1 会自动推迟 DC/DC 转换器的启动。GPIO_CFG 为高电平时,N 沟道 FET Q10/11 和二极管 D10/11 围绕电阻 R30A/31A 形成单向范围开关。这些范围开关允许 LTC2970-1 的 VOUT0 和VOUT1 引脚通过电阻 R30B/31B 驱动转换器的输出一直到地电平或从地电平开始驱动。当 GPIO_CFG 拉低时,N 沟道 FET Q10 和 Q11 会关闭。然后,R30A/31A 和 R30B/31B 串联,实现通常的裕度控制工作。100k/0.1mF 低通滤波器与 Q10/11 栅极串联,在 GPIO_CFG 拉低时,最大限度地减少了注入 DC/DC 转换器反馈节点的电荷。 数字通信 该芯片的所有通信操作都是通过 I2C 总线执行的,满足所有 SMBus 的建立时间、保持时间和超时等要求。ALERT 引脚可用来指示在 14 个可配置的故障容限中,有一个或多个容限已经临限。每种故障都可以单独屏蔽。 结语 LTC2970 可为高可用性系统中电源的数字通信、先进的电源监视和控制组成高度准确的数字电源解决方案。考虑到复杂性、软件开发和大量的调试时间要求,LTC2970 与分立元件方案相比是相当简单的。用户可配置的多种故障监视功能和内置伺服算法减轻了系统计算资源的负担,并缩短了软件开发时间。 射频工程师养成培训教程套装,助您快速成为一名优秀射频工程师... 天线设计工程师培训课程套装,资深专家授课,让天线设计不再难...
上一篇:用D/A转换器实现高精度可编程增益放大器 射频和天线工程师培训课程详情>>
|



