- 易迪拓培训,专注于微波、射频、天线设计工程师的培养
构成大功率反相-5V电源的降压型稳压器的设计

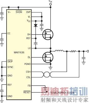
图1,只要把这一大功率直流/直流降压型变换器接成反相器,你就可以在输入电压为12V时获得4.5A的输出电流和-5V输出电压,或者在输入电压为5V时获得3.2A的输出电流和-5V输出电压。

常见的反相电源用一个p沟道MOSFET进行开关切换(图2)。这种电路配置在输出电流很小时能运转正常,但在输出电流超过2A左右时,其使用受到限制,这要视输入、输出电压电平和你使用的MOSFET而定。如果将一个标准降压电路与图1所示电路进行比较,你就会看到,图1所示变换器的"输出端"是接地的,而原来的接地端变成为-5V输出端(图3)。因为n沟道MOSFET的导通电阻比同规格p沟道器件小,所以,采用n沟道MOSFET的电源一般能以较高的效率输出较大的电流。然而,要使n沟道器件导通,就要求栅极电压比源极电压,亦即电源电压高大约4V。

只要将大功率降压变换器IC1重新配置成反相器,利用一种全n沟道器件设计,就可实现大电流输出和高效率。当输入电压为12.35V,输出电压为-5.02V,负载电流为4.7A时该电路的效率为90%;当输入电压为4.56V,输出电压为-5.02V,负载电流为3.3A时,该电路的效率则为84%。只要改变R1和R2的阻值,就可方便地满足-5.2V设备的要求。(电路输出-5.2V电压会使最大输出电流有所降低。)输入纹波电压和输出纹波电压都直接与输入电容和输出电容的ESR(等效串联阻抗)有关,因此应精心选择这两种电容。同所有的直流/直流变换器一样,电路的布局是极其重要的。你可能会考虑使用Maxim公司的MAX1636评估套件(www.masim-ic.com)。这一套件包括一块布局优化的小型电路板以及MAX1636工作所需的所有元件。因为电路板的布局与图1电路所需的布局近似,所以这一套可以作为本设计实例的一个初步布局指南。
作者:Bruce Denmark,Maxim Integrated Products ,Sunnyval,CA
射频工程师养成培训教程套装,助您快速成为一名优秀射频工程师...
天线设计工程师培训课程套装,资深专家授课,让天线设计不再难...
上一篇:DC/AC逆变器的制作
下一篇:RS232到并行数据变换

