- 易迪拓培训,专注于微波、射频、天线设计工程师的培养
电源设计小贴士之解决传导性共模辐射问题( 2)

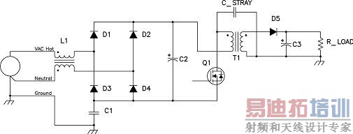
图1:高阻抗共模电感 (L1) 降低了辐射
更进一步观察T2,电感位于热线和中线组合路径,差动电感不再用于降低共模电流。许多设计人员都使用L1漏电感进行差动滤波。由于有了电感连接(如图1所示),在电感中就没有了净DC电流,这就是说可以使用一个高磁导率无隙磁芯。图2显示了典型共模电感磁芯材料与频率之间关系的相关磁导率。就磁导率而言有真实部分 (real part) 也有复极部分 (complex part)。当复极部分与材料损耗相关时真实部分就与电感相关。由于该图表述为串联组件,因此总体阻抗为二者的矢量和。这是极具价值的,因为即使电感的真实部分在 300 kHz频率时作用开始衰减并且在高于1-2 MHz时无法使用,阻抗取决于1 MHz以上时材料的损耗情况并继续实现10 MHz的高效率。

图2:寻找一种具有高磁导率裕量的磁芯材料
一旦您选定了磁芯材料,接下来的最大挑战就是如何充分利用磁芯材料的高磁导性(请参见图3),该图显示了28 mH阻抗共模与频率的关系。在低频率时,该器就像是一个电感器,但是在高频率时其更像是一个分布电容,该电容与电感共振。由于该大电感,23 pF分布式电容就会影响电感在200 kHz以上时的性能。设计一款高性能共模电感的关键就是选择扇形绕组、单个绕组并精心选择磁芯最小化绕组的数量来最小化电容。有时这些共振是不可避免的并且在较高频率时需要额外的滤波。在这些情况下,我们可以再添加一个电感来对较高频率进行滤波。

图3:分布电容降低了共模电感阻抗
总之,出于对噪声的高源阻抗以及安全性考虑,AC电源的共模滤波包含了若干高阻抗组件以将电容限制在机架以内。由于中间绕组电容的存在,就高频率下的高阻抗而言,要想实现上述功能,共模电感面临着很大的挑战。在选择磁芯材料时需十分谨慎,材料磁导性裕量必须一直保持在高水平。此外,必须要对分布式绕组电容进行适当控制。一个仅为30 pF 的分布式电容就可损坏电感的阻抗。在大多数情况下,设计人员会使用串联的两个电感(每个电感在特定的频带内均能提供滤波功能)来解决这一问题。
相关阅读:电源设计小贴士之解决传导性共模辐射问题(1)
作者:Robert Kollman,
德州仪器 (TI)
射频工程师养成培训教程套装,助您快速成为一名优秀射频工程师...

