- 易迪拓培训,专注于微波、射频、天线设计工程师的培养
利用理想二极管和热插拔控制器隔离电源故障
凌力尔特公司的一个产品系列用外部N沟道MOSFET作为传递组件,最大限度地降低了功耗,从而在这些MOSFET接通时,最大限度地减小了从电源到负载的压降,这个产品系列包括 LTC4225、LTC4227和LTC4228。当输入电源电压降至低于输出共模电源电压时,关断适当的MOSFET,从而使功能和性能上与理想二极管匹配。
如图1所示,通过增加一个电流检测电阻器,并配置两个具备单独栅极控制的背对背MOSFET,LTC4225凭借浪涌电流限制和过流保护提高了理想二极管的性能。这就允许电路板安全地插入或从带电背板拔出,而不会损坏连接器。LTC4227可以这样使用:在并联连接的理想二极管MOSFET之后,增加电流检测电阻器和热插拔(Hot Swap) MOSFET,以节省一个 MOSFET。通过在理想二极管和热插拔MOSFET之间配置检测电阻器,LTC4228比LTC4225有了改进,LTC4228能更快地从输入电压欠压中恢复,以保持输出电压不变。

图1:采用检测电阻器和外部N沟道MOSFET的LTC4225、LTC4227和LTC4228的不同配置
* ADDITIONAL DETAILS OMITTED FOR CLARITY:* 为清晰起见,略去了一些细节
LTC4225-1、LTC4227-1和LTC4228-1具备锁断电路断路器,而LTC4225-2、LTC4227-2和LTC4228-2提供故障后自动重试功能。LTC4225、LTC4227和LTC4228的两种版本均分别采用24 引脚、20引脚和28引脚4mm x 5mm QFN以及SSOP封装。[p]
理想二极管控制
LTC4225和LTC4228用一个内部栅极驱动放大器监视IN和OUT引脚 (就LTC4227而言是IN和SENSE+引脚) 之间的电压,起到了理想二极管的作用,该放大器驱动DGATE引脚。当这个放大器检测到大的正向压降(图2) 时,就快速拉高DGATE引脚,以接通MOSFET,实现理想二极管控制。

图2:当IN电源接通时,拉高理想二极管控制器CPO和DGATE引脚
CPO和IN引脚之间连接的外部电容器提供理想二极管MOSFET快速接通所需的电荷。在器件加电时,内部充电泵给这个电容器充电。DGATE引脚提供来自CPO引脚的电流,并将电流吸收到IN和GND引脚中。栅极驱动放大器控制DGATE引脚,以跟随检测电阻器和两个外部N沟道MOSFET上的正向压降,直至25mV。
如果负载电流引起超过25mV的压降,那么栅极电压就上升,以加强用于实现理想二极管控制的MOSFET。在MOSFET导通时,如果输入电源短路,那么会有很大的反向电流开始从负载流向输入。故障一出现,栅极驱动放大器就会检测到故障情况,并拉低DGATE, 以断开理想二极管MOSFET。
[p]
热插拔控制
拉高ON引脚并拉低/EN引脚,就启动了一个100ms的防反跳定时周期。在这个定时周期结束之后,来自充电泵的10μA电流使HGATE引脚斜坡上升。当热插拔MOSFET接通时,浪涌电流被限制到由外部检测电阻器设定的值上,就LTC4225而言,该电阻器连接在IN和SENSE引脚之间 (就LTC4227和LTC4228而言,是SENSE+和SENSE-引脚)。有源电流限制放大器伺服 MOSFET的栅极,这样电流检测放大器上就会出现65mV的电压。如果检测电压高于50mV的时间超过了在TMR引脚端配置的故障过滤器延迟时间,那么电路断路器就断开,并拉低HGATE。如果需要,可以在HGATE和GND之间增加一个电容器,以进一步降低浪涌电流。当MOSFET栅极的过驱动 (HGATE至OUT的电压) 超过4.2V时,拉低/PWRGD引脚 (图 3)。

图3:当ON引脚切换到高电平时,在100ms延迟之后,热插拔控制器HGATE启动,PWRGD被拉低
[p]
理想二极管和热插拔控制相结合
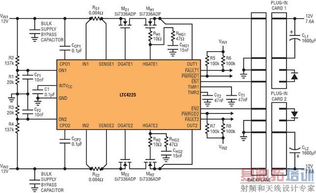
在一个采用冗余电源的典型μTCA应用中 (图4和9),在背板上对输出进行二极管“或”,以不用断开系统电源,就可以取出或插入板卡。LTC4225和LTC4228都包括理想二极管和热插拔控制器,非常适用于这类应用,这些器件在两个电源之间提供平滑的电源切换,还提供过流保护。

图4:在μTCA应用中,LTC4225为两个μTCA插槽提供12V电源
PLUG-IN CARD-1:插入式板卡 1
BULK SUPPLY BYPASS CAPACITOR:降压模式电源旁路电容器
BACKPLANE:背板
如果主电源掉电,那么控制器就快速响应,以断开主电源通路中的理想二极管MOSFET,并接通冗余电源通路中的MOSFET,从而向输出负载提供平滑的电源切换。热插拔MOSFET保持接通,这样这些MOSFET就不会影响电源切换。当各自的ON引脚被拉低,或/EN引脚被拉高时,控制器断开热插拔MOSFET。当在输出端检测到过流故障时,热插拔MOSFET的栅极被快速拉低,之后输出就稳定在电流限制值上,直至由TMR引脚电容器设定的故障过滤器延迟超时为止。热插拔MOSFET断开,/FAULT引脚锁定在低电平,以指示出现了故障。通过将ON引脚拉至低于0.6V,可以使电子电路断路器复位。
[p]
电源优先级
在传统的二极管“或”多电源系统中,由电压较高的输入电源给输出供电,同时挡住电压较低的电源。这种简单的解决方案满足了应用的需求,在这应用中,电源的优先权不仅是电压较高的电源就优先的问题。图5显示了一个备份电源系统,在这个系统中,无论何时,只要5V主电源(INPUT1)可用,就由该电源给输出供电,而12V备份电源(INPUT2)仅当主电源无法提供时才会使用。
只要INPUT1高于由ON1引脚端的R1-R2分压器设定的4.3V UV门限,MH1就接通,从而将INPUT1连接到输出。当MH1接通时,/PWRGD1变低,这又将ON2拉低,并通过断开MH2来停用IN2通路。如果主电源无法提供,且INPUT1降至低于4.3V,那么ON1就断开MH1,且/PWRGD1变高,从而允许ON2接通MH2,并将INPUT2连接到输出。在任何情况下,理想二极管MOSFET MD1和MD2都要防止一个输入到另一个输入的反向馈送。

图5:用 LTC4225实现以IN1作为优先输入的双通道电源优先级区分器
PRIMARY SUPPLY:主电源
BACKUP SUPPLY:备份电源
[p]
交换电源端和负载端的二极管和热插拔FET
LTC4225允许采用背对背MOSFET的应用将在电源端的MOSFET配置为理想二极管,在负载端的MOSFET配置为热插拔控制器(图 4),反之亦然(图6)。图6中,在MOSFET的GATE和SOURCE引脚之间也许需要一个外部齐纳二极管来箝位,以在MOSFET的栅源电压额定值低于20V时防止MOSFET击穿。无论是按照那安排,LTC4225凭借理想二极管在IN和OUT引脚之间的“或”连接,都能平滑地在电源之间切换。

图6:用LTC4225实现在电源端具备热插拔MOSFET、在负载端具备理想二极管MOSFET的应用
BULK SUPPLY BYPASS CAPACITOR:降压模式电源旁路电容器
PLUG-IN CARD1:插入式板卡1
BACKPLANE:背板
双理想二极管和单热插拔控制器
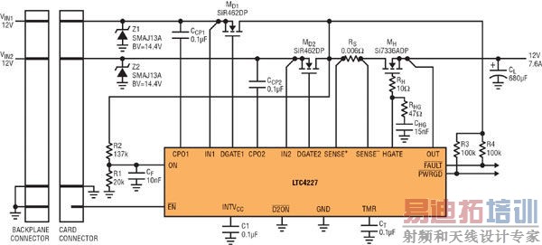
图7显示了LTC4227的应用,其中检测电阻器放置在并联连接的双电源理想二极管MOSFET之后,检测电阻器之后是单个热插拔MOSFET。图中,在故障超时之前,LTC4227以1x电流限制调节过载输出,而不像LTC4225二极管“或”应用那样是以2x电流限制。因此,在过载情况下,功耗降低了。

图7:用LTC4227实现具备热插拔控制和存在板卡的二极管“或”应用
BACKPLANE CONNECTOR:背板连接器
CARD CONNECTOR:板卡连接器
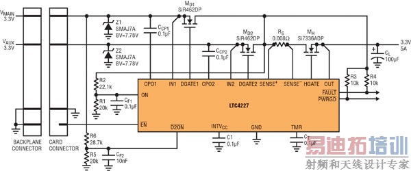
LTC4227还具有/D2ON引脚,这允许非常容易地确定IN1电源的优先级。例如,图8显示了一个简单的电阻分压器,该分压器将IN1连接到/D2ON引脚,这样IN1电源一直都是优先的,直至IN1降至低于2.8V为止,这时,MD2接通,二极管“或”输出从IN1端的主3.3V电源切换到IN2端的辅助3.3V电源。

图8:通过LTC4227的D2ON,插入式板卡的IN1电源控制IN2电源的接通
BACKPLANE CONNECTOR:背板连接器
CARD CONNECTOR:板卡连接器
[p]
在输入发生故障时,更快地恢复输出
在图4所示的LTC4225 μTCA应用中,如果一个输入电源出现故障,短暂接地,而另一个电源不可用,那么HGATE就被拉低,以随着IN电源降至低于欠压闭锁门限,而断开热插拔 MOSFET。当输入电源恢复时,允许HGATE启动以接通MOSFET。因为给HGATE和已耗尽的输出电容充电需要花一点时间,所以在此期间也许会出现输出电压欠压情况。
在这种情况下,LTC4228能更快地恢复以保持输出电压不变,所以比LTC4225有优势。如图9所示,检测电阻器放置在理想二极管和热插拔MOSFET之间,从而允许在输入电源出现故障时,靠输出负载电容暂时保持SENSE+ 引脚电压不变。这可防止SENSE+ 电压进入欠压闭锁状态,并防止断开热插拔MOSFET。输入电源在恢复的同时,给已耗尽的负载电容充电,并即时给下游负载供电,因为热插拔MOSFET仍然处于接通状态。

图9:用LTC4228实现为两个μTCA插槽提供12V电源的μTCA应用
BULK SUPPLY BYPASS CAPACITOR:降压模式电源旁路电容器
PLUG-IN CARD 1:插入式板卡 1
BACKPLANE:背板
结论
LTC4225、LTC4227和LTC4228通过控制外部N沟道MOSFET,为两个电源轨实现了理想二极管和热插拔功能。这些器件提供快速反向断开、平滑电源切换、有源电流限制以及状态和故障报告功能。这些器件具有严格的5%电路断路器门限准确度和快速响应电流限制,可保护电源免受过流故障影响。LTC4228能从输入电压欠压状态快速恢复,因此在面临此类事件时,可保持输出电压不变。
射频工程师养成培训教程套装,助您快速成为一名优秀射频工程师...

