- 易迪拓培训,专注于微波、射频、天线设计工程师的培养
基于TRIAC调光的7W单级PFC LED照明设计
本报告介绍了具有TRIAC亮度调节功能的7W AC/DC LED照明驱动器的参考设计。该解决方案采用具有一次侧恒定功率控制的单级功率因数校正(PFC)反相拓扑。文章为您介绍功率转换器的完整分析与设计。最后,我们还为您提供了基于7W应用获得的实验结果。对该设计进行简单修改,便可适用于其他应用。
1、引言
本PMP4304A参考设计是一款使用TI TPS92210 LED照明功率控制器的TRIAC亮度调节单级功率因数校正LED驱动器。本LED应用主要针对PAR灯泡更换,其拥有小体积、低成本、高PF和高TRIAC亮度调节性能。
该解决方案采用带有一次侧恒定功率控制的单级功率因数校正(PFC)反相转换器。它在没有光耦合器的情况下,在单级反相拓扑中实现了一次侧恒定功率控制。这种驱动器可使用高线压AC或者低线压AC工作。输出可提供350mA的恒定电流,以驱动6支串联LED。
2、工作原理
2.1 功率因数校正单级反相转换器
这种单级功率因数校正转换器采用隔离式反相AC/DC拓扑,它把AC输入线压整流为输入正弦电流的DC输出。单级反相拓扑被广泛用作隔离式LED解决方案,因为它拥有非常低的BOM成本和高效率。

图1:单级反相转换器
传统的单级反相解决方案均采用转换模式来按时调节常量,以实现PFC功能。但是,转换模式的反相拓扑并非为自然PFC,因为占空比和频率经常变化。因此,PF和THD在这种条件下的准确性并不高。
但是,一次侧恒定功率单级反相是一种自然PFC。

当Vin的RMS变化时,占空比反向变化。当Vin的RMS受限时,占空比不再变化。因此,当系统稳定时,占空时间和占空度恒定。
与此同时,为了保持恒定功率,系统保持在相同的开关频率下。
由于Ton、L、f和Vin均为常量,因此输入电流为方程式2的自然正弦。
另一方面,输入功率也为方程式3的常量。
总之,我们可以看到,在这种应用中,相比传统的方案,一次侧恒定功率单级方案拥有一定的优势。首先,一次侧恒定功率方案是一种自然的PFC,其PF和THD均优于传统方案。其次,顾名思义,一次侧恒定功率方案仅受一次侧控制。因此,可以把光耦合器排除在外,从而达到低成本BOM。
[p]
2.2 TPS92210控制器和系统运行
就TPS92210控制器而言,有一个OTM引脚,其可以通过连接它的电阻器来控制Ton时间;详情如下:

为了实现一次侧恒定功率控制,我们使用下列电路,如图2所示。

图2:一次侧恒定功率控制的前馈电路
假设Vin_rms= x,Ton和Vin_rms之间的关系可计算如下:

该公式可简写为方程式7:

为了满足一次侧恒定功率控制的要求( Vrms *Ton= K),选择B=0。同时,可根据输入功率选择A和C。
图3为7W举例计算以后的模拟结果。输入电压变高时Ton时间变小。与此同时,输入功率必须保持恒定。

图3:Ton时间vs Vin_rms和输入功率 vs Vin_rms
[p]
3 7W离线恒定功率LED照明驱动器设计
3.1 设计规范

表1:电气设计规范
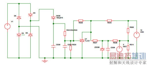
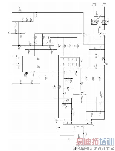
3.2 原理图

图4:PMP4304A原理图
3.3 PCB布局

图5:电路板组装图—层1

图6:电路板组装图—层2
3.4 效率

图7:效率与输入电压的关系
[p]
3.5 线压调节

图8:输出电流与输入电压
3.6 功率因数

图9:功率因数与输入电压的关系
3.7 TRIAC亮度调节性能

表2:不同亮度调节器导通角的输出电流

图10:输出电流与亮度调节器导通角的关系



图11:不同导通角的输入电流与输入电压
4 结论
本文分析了一次侧恒定功率控制单级反相LED驱动器,并介绍了使用基于TPS92210的一次侧控制的优势。同时,我们还实施了一款实际的7W设计。它体现了TPS92210解决方案的诸多好处,如小外形尺寸、低成本、高PF和高TRIAC亮度调节性能。
作者:Jamie Zhang、Linda Ye和Jimmy Liu
德州仪器 (TI) 电源现场应用/中国电源参考设计
射频工程师养成培训教程套装,助您快速成为一名优秀射频工程师...

