- 易迪拓培训,专注于微波、射频、天线设计工程师的培养
过流保护,还是短路保护?
OCP和SCP的差别
简单来说,短路保护是过电流保护的一部分。图1表示不同电流保护之间的关系。 接地故障保护、臂短保护和相间短保护都属于短路保护。

图1. 过流保护与短路保护比较
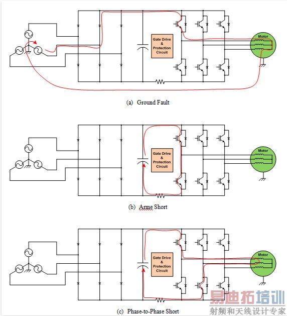
图2表示不同的短路模式和电流路径。如图2(a)所示,当电机绕组短接至电机壳体(通常接地)时,或者当电机电缆短接至接地时,则发生接地故障。图2(b)表示桥臂短路,指高侧IGBT和低侧IGBT同时意外导通并产生极高电流的情况。图2(c)表示相间短路,当不同相间的电机绕组短路时发生。所有三个示例中,电流幅度因电流路径(包括IGBT本身的)阻抗而受限。

图2. 短路电流路径
[p]
如何设置OCP点?
无论面对什么类型的过流情况,如何设置保护电流大小都很关键。要解决这一问题,首先应识别系统中最脆弱的部件。在大多数情况下,IGBT将早于续流二极管受损,因为,当变频器将功率传递至电机时,更容易发生过流情况。那么,是否应该将OCP跳变值设为IGBT能够处理的最大电流? 这取决于系统采用的控制方法。在伏特/赫兹控制中(广泛用于感应电机应用),启动时的电流值无法精确预测。另一方面,如果采用磁场定向控制这样的电流控制方法,则特定应用中电机的最大电流值是众所周知的。如图3所示,为此值添加一些裕量将成为OCP触发大小的良好参考点。例如,带FOC的电冰箱使用的永磁电机,其额定电流为1A rms,但是,在初始启动冷却期间,可承受120%的过载达10分钟。此情况下,最大峰值电流为1 A rms * 120% * Sqrt(2) = 1.7 A峰值。考虑电流控制过冲裕量,可选择+/- 2 A作为控制中的电流反馈范围。接着可将2.5 A设为OCP跳变点。即使在变频器电路中采用饱和电流为30 A的5 A IGBT,电流跳变点也不需要设为10 A或更高。高电流跳变点可能造成电机消磁。如果有固定时间的过载能力,可执行I2T保护来补充OCP。

图3. OCP点与其它电流大小的关系
[p]
采用哪种保护方法?
另一方面,SCP侧重于IGBT故障。Fairchild SPM智能功率模块中的IGBT具备卓越的短路性能,但如果不能在几微秒内安全关断,仍可能受损。因此,应配置延迟时间固定在几微妙的硬件,而非通过软件实现。保护IGBT免受短路损坏的最常见方法是通过电流检测电阻感测负直流总线电轨上的电流,如图4(a)所示,并将压降前馈至栅极驱动器,以便后者同时软关断IGBT。在短路条件下关断IGBT可能造成过大电压尖峰和闭锁故障。而软关断是克服这些问题最为有效的方法。对于额定功率高于5 Hp的变频器,电流检测电阻的选择相当有限,而Fairchild的SPM 2系列产品采用感测IGBT,其中配备感测发射极引脚,载流仅为实际发射极电流的一小部分。三个感测发射极相连,使电流通过外部电流检测电阻,如图4(b)所示。压降以相似的方法前馈至栅极驱动IC。

图4. 使用电流检测电阻进行短路保护
这些方法的缺点之一是无法检测接地故障电流,如图2(a)所示。只要总和不为零,软件可计算三相电流并识别接地故障。但响应速度可能不足以预防IGBT损坏。一个磁芯、一只正直流母线电轨上的电流检测电阻和去饱和保护也是可选接地保护方式。Fairchild可提供带不饱和保护功能的光电栅极驱动器。配备这些功能的器件有FOD8316、FOD8318和FOD8332等等。
总结
本文介绍了OCP和SCP的差别以及各种保护方案。为了满足应用要求,应精心选择合适的保护方法。
更多文章:飞兆工程师博客
射频工程师养成培训教程套装,助您快速成为一名优秀射频工程师...
天线设计工程师培训课程套装,资深专家授课,让天线设计不再难...
上一篇:应对下一代汽车电源系统的挑战
下一篇:基于功率MOSFET设计考量

