- 易迪拓培训,专注于微波、射频、天线设计工程师的培养
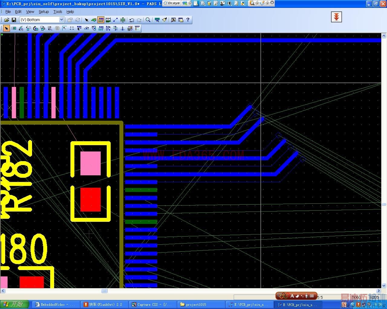
DRP下画出了这样的线,朋友看看
录入:edatop.com 点击:
我初用pads,把走线与走线的间距设置为10,但是可能由于左边的芯片个管脚间距稍微小于这个值,这样就在DRP模式下布出了一根初,一根细的线,当然我也不知道这种现象是不是因为间距的原因,所以请知道的朋友的帮帮忙,你们在处理这样的情况时是怎么处理的,怎样避免这样的情况!


你先输个R0.回车一下.最小显示线宽.
我的线宽是10mil,我必须要10mil的话,难道drp下就不能用了?那总线不线那个功能还有什么用啊!
PADS layout 可以在同样一根走线上时从8mil切换到10mil吗?就是线宽可以在不同值之间通过快捷键或无摸命令进行切换?
告诉我吧,谢谢
如果你的最小显示线宽值.大于你走线的线宽.PCB只会显示很细的线
我的RO .意思是最小显示线宽值为0,我想你那个线能显示出来了.
8mil切换到10mil吗? 可以呀.在DRP里面.只要你有足够的空间.可以用W来切换
楼上的朋友,谢谢你啊,问题解决了!
只是显示问题
射频工程师养成培训教程套装,助您快速成为一名优秀射频工程师...
天线设计工程师培训课程套装,资深专家授课,让天线设计不再难...
上一篇:我的软件出现的问题,请求支援
下一篇:转载: 新手设计PCB注意事项
射频和天线工程师培训课程详情>>

