- 易迪拓培训,专注于微波、射频、天线设计工程师的培养
面向高端智能手机背光驱动设计的高性价比电源方案
一般来讲,除去电感式升压背光驱动外,常见的背光驱动器有以下几种:① 1倍LDO模式;② 1/1.5倍电荷泵模式;③1/1.33/1.5倍电荷泵模式;④1/2倍电荷泵模式。1倍LDO模式驱动器虽然成本最低,但在低电池电压时打电话,会有闪屏现象,工程师不得不提高关机电压,这样缩短了电池使用时间,很多人无法接受,因为电池续航时间本来在智能机设计中就是一个关键指标。对于余下的三种方式而言,哪一种方式性价比最高?
我们各选取了一种具有代表性的相关器件做了对比测试,下面的测试数据证明了1/1.5倍电荷泵方式是一种高性价比驱动方案。从电流消耗上讲,图1中的数据表明:2倍模式驱动器在启动2倍模式时,电流比1.5倍模式驱动器高60mA,而1.5倍和1.33倍模式驱动器电流消耗相差不多。

图1:1/1.5倍电荷泵方式是一种高性价比驱动方案。
图2和图3是1/1.5倍驱动器和1/2倍,1/1.33/1.5倍驱动器的效率曲线比较。图2显示1/1.5倍驱动器比1/2倍驱动器在低压时效率要高20%。图3显示1.33倍驱动器对效率的提升并不很大,只提高了5%,而且是在电池电压接近关机电压的低储能狭小区间,相反价格却居高不下,性价比并不高。

图2:1/1.5倍驱动器和1/2倍驱动器的效率曲线比较。

图3:1/1.33/1.5倍驱动器的效率曲线比较。
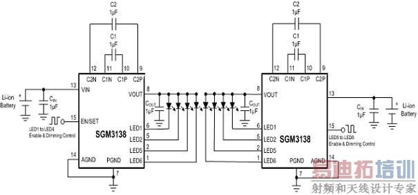
从以上的比较可知,SGM3138是一个高性价比的电荷泵式背光驱动,它支持单线调光,对于一般的大尺寸屏,可采用图4中的设计电路。

图4:SGM3138电路设计。
[p]
对于很多工程师感兴趣的高清高亮屏,一般用8颗LED作为背光,目前在无8颗灯的电荷泵驱动器的情况下,可采用图5中的电路进行设计,8个LED被分成两组。当然这是一种双芯片组合的折中方案,并非最优的方案,鉴于此,圣邦即将推出8颗LED的电荷泵背光驱动器,性价比会更高。

图5:采用8颗LED作为背光的高清高亮屏方案。
除了背光驱动器之外,随着嵌入式系统的发展,大量高性能处理器,3D图形加速器在手持产品中得到使用,高性价比的嵌入式系统电源方案成为很多工程师关注的问题,这样的一个电源方案有以下几个电源必备:
① 手持产品需要设计得越薄越好,因而需要集成驱动大屏的VGH,VGL正负高电压发生器;
② 一个标准的5V电源用于高清视频的HDMI接口和标配的USB接口。因而需要一个5.0V的Boost DC/DC,如果这个5.0V的提供电流能力强的话,它还可以提高音频PA的功率输出,使得音频表现不同寻常;
③CPU的Vcore,I/O接口,存储器供电。
SGM2100就是这样的一个小型PMU,它将VGH、VGL、5.0V/1A、Vcore、VI/O、Vmem的6颗DC/DC集成在一颗芯片上,性价比非常高,工程师利用它可以设计出一个高性能的电源方案,电路如图6所示。

图6:基于SGM2100的高性能电源方案。
作者:徐前江
市场总监
圣邦微电子有限公司
射频工程师养成培训教程套装,助您快速成为一名优秀射频工程师...

