- 易迪拓培训,专注于微波、射频、天线设计工程师的培养
电源设计小贴士30:注意SEPIC耦合电感回路电流(1)
这种电路的电流和电压波形与连续电流模式(CCM)反向电路类似。开启Q1时,其利用耦合电感主级的输入电压,在电路中形成能量。关闭Q1时,电感的电压逆转,然后被钳制到输出电压。电容C_AC便为SEPIC与反向电路的差别所在;Q1开启时,次级电感电流流过它然后接地。Q1关闭时,主级电感电流流过C_AC,从而增加流经D1的输出电流。相比反向电路,这种拓扑的一个较大好处是FET和二极管电压均受到C_AC的钳制,并且电路中很少有振铃。这样,我们便可以选择使用更低的电压,并由此而产生更高功效的器件。

图1 SEPIC转换器使用一个开关来升降输出电压
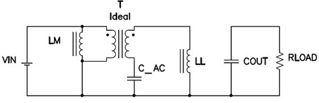
由于这种拓扑与反向拓扑类似,因此许多人会认为要求有一套紧密耦合的绕组。然而,情况却并非如此。图2显示了连续SEPIC的两个工作状态,其变压器已通过漏电感(LL)、磁化电感(LM)和一个理想变压器(T)建模。经检查,漏电感的电压等于C_AC的电压。因此,较小值C_AC或者较小漏电感的大AC电压会形成较大的回路电流。较大的回路电流会降低转换器的效率和EMI性能,而这种情况是我们所不希望出现的。减少这种大回路电流的一种方法是增加耦合电容(C_AC)。但是,这样做是以成本、尺寸和可靠性为代价的。一种更为精明的方法是增加漏电感,其在指定某个定制磁性组件的情况下可以很轻松地实现。

2a)MOSFET开启:VLL = VC_AC - VIN = △VC_AC(DC部分删除)

2b) MOSFET关闭: VLL = VIN+ VOUT - VC_AC - VOUT = △VC_AC(DC部分删除)
图2a和2b SEPIC转换器的两种工作状态。漏电感的AC电压等于耦合电容电压。
有趣的是,极少的厂商已经认识到了这一事实,并且许多厂商已经针对SEPIC应用生产出了低漏电感的电感。另一方面,Coilcraft拥有约0.5 uH漏电感的47 uH MSD1260,同时还于最新开发出了这种设计的其他版本,其具有10 uH以上的漏电感,我们将在下次的《电源设计小贴士》中对其进行介绍,敬请期待。
如欲了解本文及其他电源解决方案的更多详情,敬请访问:www.ti.com.cn/power 。
参考文献
《SEPIC 转换器从漏电感中受益匪浅》,作者:Betten, John,PowerPulse.net, http://www.powerpulse.net/techPaper.php paperID=153
Coilcraft Catalog, 《MSD1260 产品说明书》
作者:Robert Kollman,德州仪器 (TI)
上篇:电源设计小贴士29:同步降压MOSFET电阻比的正确选择
射频工程师养成培训教程套装,助您快速成为一名优秀射频工程师...
天线设计工程师培训课程套装,资深专家授课,让天线设计不再难...
上一篇:陶显芳开关电源原理与设计系列连载十二
下一篇:电源设计中的电容应用

