- 易迪拓培训,专注于微波、射频、天线设计工程师的培养
电源设计小贴士32: 利用高压LED提高LED电源效率

图1:灯泡替换使电源空间变得极小
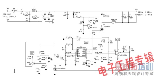
图2显示了一个通过120伏AC电源为LED供电的非隔离式电路。它包含一个为降压功率级供电的整流桥。该降压调节器是一个“倒置版”,其电源开关Q2处在回路中,而环流二极管D3连接至电源。在电源开关导通期间,通过一个源电阻对电流进行调节。尽管这样做的效率相当高(80%-90%),但是这种电路存在几个限制效率的缺点。导通时,电源开关必须承载全部输出电流,而在电源开关关闭时,输出电流流过环流二极管。另外,电流检测电阻器R8和R10的电压约为1伏。相比15到30伏的LED电压,所有这三个压降都很大,并且会对电源效率构成限制。更为重要的是,这些损耗会促进灯泡温升。LED 的发光能力会慢慢减小,而这种能力与LED的工作温度密切相关。例如,70℃条件下,LED光输出减少30%的时间超出了50000小时,而在80℃条件下,这一时间仅为30000小时。由于灯泡都安装在一些“筒”中,而这些“筒”往往会阻碍散热,不利于对流冷却,因此发热问题被进一步复杂化。

图2:降压调节器实现一个简单的离线LED驱动器
[p]
LED制造厂商通过将数支LED串联在一块公用基板上,制造出更高电压的发光体。这些高压发光体带来亦或是更低的成本亦或是更高的电源效率。使用这些高压产品,我们只需使用一组整流器和一个稳流电阻器,从而实现更低成本的电源方法。尽管这种电源可以产生相当好的功率因数,但效率很低,原因是输入电压的很大一部分都被用在了稳流电阻器上,导致30%-50%的LED功率损耗。但是,它可以用于一些小体积的低功耗应用中。然而,在一些高功耗应用中,低效率让其无用武之地。图3显示了另一种替代方法:其使用一个升压电源。该电路的大部分都与上述方法相同。但是,开关、二极管和电流检测损耗要小得多,带来高达90%到95%的效率。另外,该电路还拥有97%的良好功率因数。

图3:利用升压电源提高LED驱动器效率
图4:为图1-2示意图所描述电源的照片。即使这种电源产生的输出功率大致相同,但也存在一些影响电源尺寸的明显差异。升压电源的电感器尺寸明显更小,因为其蓄能要求更低。相比升压电源,降压电源有一个更大的电阻器。该电阻器为一个仿真负载电阻器(图2所示R20),用于决定调光器何时开启硅控整流器(SCR)。需要这样做的原因是,调光器在三端双向可控硅开关组件旁边有一个电磁干扰(EMI)抑制电容器,其在无负载情况下的电压相对电源要高。这样便扰乱了电源,导致出现不稳定调光。使用升压电源时却不需要这样做,因为LED通过升压电感器连接至输入,为其提供足够负载,因此上述问题便不是问题。图中未显示电路板的背面,但正如示意图所示,降压电源有更多低电平电路。所以,升压电源拥有更低的功耗,这一点在诸如LED灯泡更换等空间限制型应用中极为重要。

图4:升压电源体积更小、效率更高
总之,高压LED因其具有功耗低、温升小的特点,可帮助增加旋入式LED灯泡的使用寿命。它是通过使用升压电源替代降压电源,从而提高电源效率来实现的。升压电源的损耗约为降压调节器的一半。另外,升压电源的组件更少,功率因数更好,体积更小,并且利用三端双向可控硅开关组件实现调光更容易。下次,我们将在电源设计小贴士33中讨论离线电源电容器的纹波电压及电流,敬请期待。
作者:Robert Kollman
德州仪器 (TI)
射频工程师养成培训教程套装,助您快速成为一名优秀射频工程师...

