- 易迪拓培训,专注于微波、射频、天线设计工程师的培养
既能供电又具有超低噪声特性的开关稳压器
人们已经采用了许多处理开关噪声的方法,包括采用更加复杂的拓扑、增加额外的组件和材料以滤除或屏蔽高频分量的影响、仔细考虑印刷电路板布局、让开关频率产生高频颤动以降低平均辐射(尽管不是降低峰值辐射)。这些解决方案引入了各自的问题并提高了成本,而且常常需要超出普通工程师技能范围的特定专长。
开关稳压器控制器LT1683和LT1738通过控制主开关的电流和电压转换率,在问题的源头降低了噪声。让这些转换率受到控制,就从源头消除了输出电压以及输入和输出电流中的很多高频谐波能量。用户以最佳方式设置转换率,以在噪声和转换器效率之间取得平衡,最佳设置仅需损失几个百分点的效率。因为在源头的问题得到解决,所以设计可以更简单、更坚固。LT1683加上两个外部MOSFET开关实现推挽拓扑,而LT1738用单个外部MOSFET实现单开关拓扑。因为开关在外部,所以用户可以完全控制电源的电压和电流转换率。
转换控制的魅力
典型开关电压方波信号的傅里叶分析显示,谐波峰值以20dB/dec从基频开始滚降。如果该方波的边缘被转换而成为梯形,则将在1/tSLEW产生第二个20dB/dec滚降(其中,tSLEW是波形转换所需的时间)。
在开关模式电源中,大多数EMI/噪声都是因电源开关的切换动作产生的。为了实现高效率,一般都尽可能突然地进行这种转换,但是让这些转换边缘可在适度损失效率的情况下极大地降低噪声。因此,挑战是如何准确地转换开关电压和开关电流。电压转换往往在开关中产生容性耦合,而电流转换则产生磁性耦合。减轻这两种耦合对形成噪声非常低的开关是至关重要的。
在有电感负载的普通切换周期中,开关接通,电流上升直到开关从电感器吸取电流,然后电压开始下降。因此,我们希望对电流进行转换,然后平稳地切换至电压转换。开关断开时,过程应该是相反的。
LT1683和LT1738用双反馈环路进行转换控制。图1象征性地显示了单通道的样子。电压转换控制由一个使用外部电容器Cv的简单积分器以及充电或放电电流IVSL完成,IVSL基于用户定义的外部电阻RVSL。
![]() |
| 图1:LT1683/LT1738转换控制(单通道)。 |
电流转换控制用以下方法进行。检测电阻上产生的电压被放大并通过内部电容器Cc差分化。这样Cc中的电流就与dl/dt成正比。这个电流的值限制为ICSL,ICSL基于用户定义的外部电阻RCSL。Cc中的电流幅度转换为与IVSL成正比的电流,并加到积分节点(Cap引脚)上以控制开关。在这种方法中,转换率既受到调节,相互之间又有联系,以实现快速和高效率的通断转换。
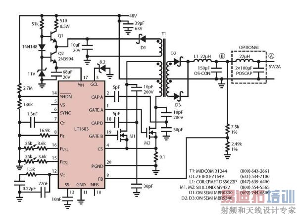
超低噪声48V至5V转换器
图2是在推挽正向转换器拓扑中采用LT1683的转换器原理图。LT1683含有所有转换器所需的控制电路:振荡器、误差放大器、栅极驱动器和保护电路。从漏极到Cap A和Cap B的电容分压器网络可以提供一个有效的0.33pF电容器,用于电压转换率反馈。电流转换反馈在LT1683内部进行,并用CS电压作为其反馈(开关电流)。
![]() |
| 图2:LT1683推挽式转换器。 |
[p]
推挽拓扑更加连续地从输入吸取电流,从而降低了传导辐射,因此对低噪声开关是可取的。该转换器的输出噪声如图3所示。下面的波形是稳压器的输出电压。噪声由开关的基频主导。当这个分量由附加滤波器进一步滤除后,很明显地看到,开关几乎没什么噪声了,在2A输出(带宽=100MHz)时残留噪声为微小的200μVP-P。
LT1683有很多保护功能。首先,SHDN引脚向电源提供欠压闭锁,确保在允许转换器启动之前输入正常工作。另外,GCL引脚防止MOSFET栅极电压过高并防止MOSFET在栅极电压不充分时接通。CS引脚检测过大的开关电流,电流过大时MOSFET将断开。由于电压转换控制的原因,免除了MOSFET漏极上的箝位电路或减振器,而且,开关振铃幅度和持续时间缩减了80%以上。
超低噪声5V至12V升压型转换器
图4所示是采用LT1738的5V至12V/1A升压型转换器。单个开关提供更简单的解决方案,代价是噪声略有提高。图5显示了1A时的输出电压噪声,为非常低的400μVP-P。
![]() |
| 图3:图2电路的5V输出噪声。 |
![]() |
| 图4:采用LT1738的5V至12V/1A升压型转换器。 |
![]() |
| 图5:图4电路的12V输出电压噪声。 |
超低噪声30W离线式电源
图6显示了采用外部开关的灵活性。这个电路采用LT1738和单个高压MOSFET,是一个AC电压(90VAC至264VAV)至12V/2.5A的转换器。其基本拓扑是反激式转换器,该转换器连同光隔离器一起提供彻底的输出电气隔离。变压器上的附加绕组线圈为器件提供电源电压。
![]() |
| 图6:超低噪声30W离线式电源。 |
输入滤波器用来衰减低频谐波,以使电源符合FCC B类法规要求。LT1738降低高频谐波和EMI噪声分量,因此输入滤波器无需接地电容器。
本文小结
凌力尔特公司已经开发出两个控制器,以帮助设计师应对超低噪声应用。LT1683和LT1738不仅具有普通的控制器功能,还能限制开关中的主要EMI分量,因此非常容易降低输出噪声。DC/DC转换器可用于精密仪表、噪声敏感的宽带通信设备等应用领域,而没有与普通转换器设计方案有关的噪声影响不确定的问题。
Rick Brewster
高级设计工程师
凌力尔特公司
射频工程师养成培训教程套装,助您快速成为一名优秀射频工程师...







