- 易迪拓培训,专注于微波、射频、天线设计工程师的培养
如何通过USB连接器来保护电源和充电器件的安全
电气特性和防护措施
通过USB连接的下游系统可以由多种类型的主机来供电。
在连接个人计算机(PC)等标准USB源设备时,连接器上将包含Vbus电源端子和数据端子(D+和D-)。Vbus电压值由USB规范明确定义:额定电压为5V,最高可达5.25V。事实上,较长的线缆会因串连电感产生振铃现象。这个最大振铃纹波电压取决于移动设备的输入电容和寄生电感。售后非原配件往往具有较低的性能,电缆也会有较高的寄生参数,这些因素对连接的外设可能造成潜在危害。
通常Vbus引脚连接至收发器的电源输入引脚(有时会通过最大额定电压为6V的低压降稳压器进行连接),在Vbus电源用于对锂离子电池充电时(大多数情况下最大额定电压为7V或10V)也可以连接至充电器的输入引脚。
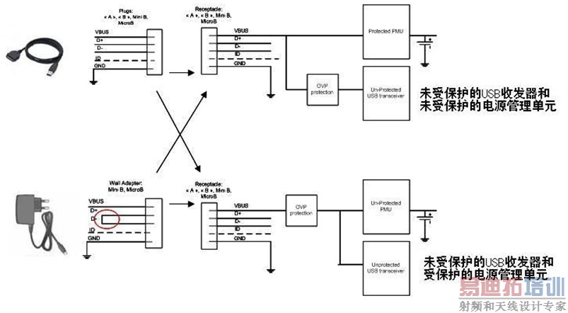
但用户也可以连接外设为内置锂离子电池充电(如图1的墙适配器部分),然后使用市场上出售的墙适配器。在这个案例中,仅有Vbus引脚和GND被连接,而D+和D-被短路。

图1:通过外设为内置电池充电。
根据这种适配器的质量和复杂程度,其输出电压可能发生远远超过制造目前小型便携式产品所需敏感电子元件最大额定值的输出瞬态现象。
对一些交流-直流电源的基准测试显示出不良的线路稳压性能,而在存在光耦反馈(开关充电器)损耗的情况下更糟糕,输出电压可能升高至20V。
通过在设备前面设计过压保护(OVP)器件,浪涌效应和主机不尽责现象可以被消除。
如何设计
USB电流能力在正常模式下是100mA(未配置模式),而在配置模式下可达500mA。为了节省功率,在没有数据流量时USB将进入暂停模式。当器件处在暂停模式,而且又是总线供电的话,器件将不能从总线抽取超过500μA的电流。一个主机能够发出恢复指令或远程唤醒指令来激活另一个待机状态的主机。上述要点表明OVP电路需要满足不同指标要求,如电流能力、散热、欠压和过压保护及静态电流消耗。
[p]
当处在暂停模式时,与Vbus线路串连的OVP器件将呈现最低的电流消耗,并由收发器启动序列唤醒过程(图2)。

图2:USB器件暂停模式下的电流消耗。
OVP内核(图2)采用的是PMOS驱动器,因此电流消耗极低。为了通过PMOS旁路元件消除任何类型的寄生耦合电压,必须在尽可能靠近OVP器件的地方安排一些小型输入和输出电容(图3)。


图3:利用输出电容来消除瞬态过冲。
在图3的案例2中,输出电容已被移除。这样,当OVP器件输入端出现快速输入瞬态现象时,旁路元件将保持开路。这时可以在输出端观察到过冲,这个过冲可能会损坏连接至OVP输出端的电子元器件。为了解决这个问题,必须在输出引脚上连接一个输出电容,并尽量靠近OVP器件摆放。
由于源极和漏极之间存在PMOS寄生电容,在输入脉冲期间正电压电平将被传递,从而在PMOS驱动器唤醒期间维持一个比门电位更低的电压(电容填充)。1个1μF的陶瓷电容足以解决这个问题。见图3中的案例1。
另一个要点是过压阀值的定义。过压锁定(OVLO)和欠压锁定(UVLO)阀值由发生欠压或过压事件时切断旁路元件的内部电容所确定。OVLO电平必须高于Vbus最大工作输出电压(5.25V)加上比较器的滞后电压。同样,UVLO参数的最大值必须低于系统中第一个元件的最大额定电压。通常OVLO的中心位于5.675V,能够有效保护下游系统,使其承受6V的电压,而Vusb纹波电压可达5.25V。此前的文章(参考资料1)中提供了更详细的资料,也提供了与墙适配器电源兼容的OVLO和UVLO参数值。
在设计OVP部分时,鉴于驱动关键电流的内部MOSFET的原因,不应忽视散热问题。大家已经明白为什么建议这类保护使用PMOS(低电流消耗),而且由于PFet比NFet拥有更高的导通阻抗(Rdson),必须优化热传递,以避免热能损坏。根据应用所需的功率,建议采用具有裸露焊盘的封装(如NCP360 μDFN)。器件数据手册中提供了RθJA图表,也可以联系安森美半导体销售代表了解进一步信息。
[p]
几种不同的保护等级
正如“电气特性和防护措施”小节所述那样,浪涌电流是造成器件电气损坏的根源之一,需要采用OVP器件来克服这一问题。为了避免任何类型的浪涌行为,OVP器件中通常都包含了软启动顺序。这个特殊顺序贯穿于PFet门的逐渐上升过程中,见图4。

图 4:克服浪涌的OVP器件的软启动过程。
即便出现Vusb或墙适配器快速输出上升(热插),在器件的Vout端也观察不到电压尖峰,这得益于4ms的软启动控制。这种保护的最关键特性是能以最快速度检测到任何过压情况,然后将内部FET开路。
OVP器件的关闭时间从突破OVLO阀值开始算到Vout引脚下降为止。NCP360尽管消耗电流极低,但具有极快的关闭时间。
典型值700ns/最大值1.5μs的关闭时间使得该器件成为当今市场上一流的器件,如图5所示。

图5:NCP360具有极快的关闭时间。
为了提供更高的保护等级,这些器件中可以加入过流保护(OCP)特性。通过提供这种额外的功能模块,充电电流或设备的负载电流不会超过内部编程好的限定值。为了符合USB规范,而瞬态电流又可能高达550mA,因此电流极限必须高于这个值。这个功能集成在更先进的型号NCP361之中。这两款产品都提供热保护功能。
解决方案
考虑到USB广泛应用于两个器件之间的通信,而且从现在起,还要为锂离子电池充电,平台制造商都会在设计中集成USB连接器。安森美半导体公司提供的NCP360和NCP361能够同时提高电子IC和最终用户的安全性。这些完全集成的解决方案符合USB1.0和2.0版规范,电流消耗非常低,而且具有实际市场上最快的关闭时间性能。
为了覆盖满足中国新充电标准的大多数应用要求,安森美半导体公司提供了多种不同的OVLO型号。其OVP或OVP+OCP版本可以提供μDFN和TSOP5两种不同封装,后者在解决方案成本和热性能方面具有折衷性能。
作者:Bernard Remaury
低压电源应用及系统工程师
安森美半导体公司
Bernard.remaury@onsemi.com
射频工程师养成培训教程套装,助您快速成为一名优秀射频工程师...

