- 易迪拓培训,专注于微波、射频、天线设计工程师的培养
汽车电子保护电路设计
汽车环境对电子产品而言是非常苛刻的:任何连接到12V电源上的电路都必须工作在9V至16V的标称电压范围内,其它需要迫切应对的问题包括负载突降、冷车发动、电池反向、双电池助推、尖峰信号、噪声和极宽的温度范围。在负载突降时,交流发电机的输出电压迅速升高到60V或更高的电压;冷车发动指的是在低温时起动汽车,这会引起电池电压下降至6V或更低;电池反向是在激活一个没电的电池时,由于粗心地将电缆极性接反造成的。很多牵引车都配备两个串联起来的12V电池,以在寒冷的天气中帮助起动一个电池没电的汽车。这将使电气系统的电压范围提高到了28V,直到汽车起动且牵引车司机断开跨接电缆为止。
考虑到汽车电气系统由大电流电动机、继电器、螺线管、车灯和不断颤动的开关触点组成,因此出现尖峰信号和噪声就一点也不奇怪了。另外,交流发电机是采用斩波励磁调整的三相电机,有时会以非常大的电流对电池充电。因此,对于工作在汽车环境中的电路设计来说,尤其是需要适应在负载突降和双电池助推情况下产生的高输入电压电路。
无源保护电路
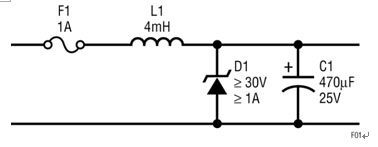
用于汽车电子产品的无源保护网络如图1所示。与此相同或类似的电路广泛用于保护与汽车 12V 总线连接的各种系统。这种网络防止高压尖峰、持续过压、电池反向和电流过度消耗造成损害。图1的电流保护作用很明显,如果负载电流超过1A的时间很长,保险丝F1就会熔化。D1与F1结合防止电池反向连接造成损害,大电流流经正向偏置的D1并烧断保险丝。电解电容器大约在额定电压的150%时有一个有趣的特性:随着终端电压的提高,这种电容消耗的电流也越来越大,就C1而言,它在输入持续升高时起箝位作用(最终烧断保险丝)。双电池助推时的电压为28V左右,这不会烧断保险丝,因为C1 25V的额定值足够高,额外消耗的电流很少。电感器增加了很小的电阻,以限制峰值故障电流以及输入瞬态的转换率,从而在存在尖峰时帮助C1实现箝位。
无源网络的主要缺点是它依靠烧断保险丝来防止过流、过压和电池反向造成损害。另一个缺点是,它依靠电解电容实现箝位。这种电容器老化以后,电解质会变干,等效串联电阻(ESR)提高的特性也就消失了,这会损害箝位效果。有时D1采用大的齐纳二极管以帮助这个电容器发挥作用。人们已经设计出了有源电路来克服这些缺点。
有源电路
图2显示了一个有源解决方案,该方案用于屏蔽敏感电路,使其免受变化不定的12V汽车系统的影响。采用LT16 1来驱动输入N沟道MOSFET,而上述提供无源解决方案就不具备这种附加保护:首先,LT16 1在输入低于9V时断开负载,以防在低输入电压时系统失灵,并在起动时或充电系统出现故障时,减少系统向非关键负载提供宝贵的电流的机会;其次,LT16 1在首次加电时逐渐升高输出电压,对负载实行软启动;第三,通过限流和定时断路器保护输出免受过载和短路影响。如果发生电流故障,断路器就以1至2Hz的速率自动重新尝试建立连接,可以设定保护电路上行线路保险丝的容限,让它在LT16 1的下行线路出现电流故障时不熔化;最后,图2所示电路隔离出现在输入端的过压状态,同时提供箝位输出,以便负载电路在出现过压时能继续正常工作。
在12V输入的通常情况下,LT16 1将MOSFET的栅极充电至大约20V以充分提升MOSFET的电压,并向负载提供电源。27V齐纳二极管D1的两端分别连接栅极与地,但是在9至16V的工作电压范围内不起作用。当输入升高到超过16V时,LT16 1继续给MOSFET的栅极充电,试图保持MOSFET完全接通。如果输入升得太高,齐纳二极管就会对MOSFET的栅极箝位,并将输出电压限制在大约24V。LT16 1本身在其输入端能够处理高达100V的电压,而且不受栅极箝位动作的影响。栅极箝位电路比无源解决方案的箝位电路精确得多,而且简单地通过选择一个具有合适击穿电压的D1,就可以轻松调整栅极箝位电路以满足负载要求。
图2所示电路在负载电流高达1A左右时工作得很好,但是就更高的负载电流而言,推荐使用图3所示电路来防止MOSFET过度消耗功率。如果过压状态持续存在,如电气系统由两个串联电池供电的时间超过通常所需时间,或负载突降后电流慢速上升以及MOSFET较小时,那么过度消耗功率是有风险的。输出由D1和D2取样,如果输入超过16.7V,那么就向“SENSE”引脚反馈一个信号,以将输出稳定在16.7V。这里的调节比图1所示电路的调节更精确,并且可以通过选择合适的齐纳二极管轻松定制,以满足负载的需求。

图 1:以简单性为特点的无源保护网络

图 2:过压瞬态保护器将输出箝位在24V左右,如果输入降至低于9V就断接
总的功耗由“TIMER”引脚限制,这个引脚记录MOSFET调节输出所用的总时长。如果过压状态持续超过15ms,那么LT16 1就停机并允许MOSFET停止输出调节。在大约半秒钟以后,该电路尝试重新启动。这种重启周期一直持续,直到过压状态消失并恢复正常工作为止。处理过流故障的方法与图2描述的方法相同。
电池反向保护
简单地增加一个串联二极管,就可以给图2或图3所示电路增加电池反向保护功能。

图 3:调整箝位电压以在输入浪涌上升时箝位,保护MOSFET免受功率过度消耗的影响
在大多数情况下,采用普通p-n二极管就可以,如果正向压降很重要,可以选择肖特基二极管。在隔离二极管中的功耗不可接受的关键应用中,图4所示的简单电路就可以解决这个问题。

图 4:用于图2和图3的电池反向保护
在正常工作情况下,MOSFET Q2的体二极管正向偏置,并传送功率至LT16 1。LT16 1接通时,Q2栅极获得驱动,从而完全接通。如果输入反向,那么Q3的射极就被拉低至低于地电平,Q3接通,从而将Q2的栅极拉低并保持其接近Q2的源极电平。在这种情况下,Q2保持断开状态,并隔离反向输入,使其不能到达LT16 1和负载电路。微安级电流流经1MΩ电阻,到达LT16 1的“GATE”引脚。
高压LDO,可延长电池寿命" target=_blank>LDO 用作电压限幅器
最高输入电压额定值为25V或更低的降压稳压器(如LT1616)一般不考虑用于汽车应用。然而,如果与 LT3012B/LT3013B等低压差(LDO)线性稳压器结合使用,在输入电压上的缺点就可以轻松克服。这种尺寸小、效率高的组合如图5所示,可以在汽车环境中提供3.3V输出。

图 5:LT3013B用作电压限幅器
LT3013B拥有4V至80V的宽输入电压范围,并集成了电池反向保护功能,无需特殊电压限制或箝位电路,因此节省了成本和电路板面积。在以适中的负载电流工作时,LDO稳压器的效率近似等于VOUT/VIN。如果VOUT比VIN低得多,那么LDO的效率就会下降。例如,将12V输入降至3.3V输出时,效率仅为28%。
在图5中,通过让LT3013B在正常输入电压范围内以低压差方式工作实现更高的效率。在这种情况下,LT3013B的输出电压设定为24V。该LDO的输出电压仅比VIN低400mV,它以97%的效率为LT1616降压型稳压器供电,而且电压恰好在正常工作电压范围的中间。在负载突降情况下,VIN可能迅速升至高达80V,但是在VIN超过24.4V时,LT3013B将调整它的输出,并将其有效地“限制”在24V,这刚好在LT1616开关的额定电压范围内。如果VIN上升至高于24.4V,该LDO的效率会下降,但是这种情况持续时间很短,不会产生什么不良后果。
LT1616将LT3013B受到限制的输出转换为3.3V。在12V输入时,该开关的效率大约为80%。在冷车发动时,汽车的电压可能降低至5V。在这种情况下,LT1616的输入电压为4.6V,恰好处于它的工作电压范围之内。LT3013B LDO稳压器与LT1616开关结合,在不牺牲效率的前提下,可在12V汽车电气系统典型的宽工作电压范围内提供稳定的3.3V输出。
一个集成度更高的解决方案是LT3437。LT3437是一个200kHz的单片降压型稳压器,它的输入电压范围为3.3V至80V。其在无负载时的100uA低静态电流是今天始终保持接通系统所必需的。可以在LT3437的输入端串联一个低成本的二极管以提供电池反向保护。
作者:
Mitchell Lee
Hua Bai
Jeff Witt
凌力尔特公司
射频工程师养成培训教程套装,助您快速成为一名优秀射频工程师...
天线设计工程师培训课程套装,资深专家授课,让天线设计不再难...
上一篇:如何延长基于微控制器设计的电池寿命?
下一篇:无线设备中的可编程电池充电技术

