- 易迪拓培训,专注于微波、射频、天线设计工程师的培养
适合LIN总线控制车门区域应用的高级电源管理器件
在汽车舒适性电子产品中,车门区域模块(DZM)已经成为得到广泛认可的解决方案:一个典型的模块负责控制电动窗、外视镜(包括加热部件和用于x-y位置调整和折叠的电机)、门锁、搁脚处/外部照明以及转向指示灯。图1显示了当前在路面上行驶的各种汽车中所见到的标准高端前门模块的典型系统架构。
在这些模块的内部还包含电源管理功能和一个收发器。一般需要用后者“唤醒”DZM模块,并识别点火锁的钥匙以及通常的诊断通信。根据成本和技术要求,收发器可以是CAN或LIN。随着对前门的速度、控制和诊断复杂性要求的增加,并基于高速或车体要求,大多数情况会选用CAN总线。而后门电子器件明显趋向于LIN,因为后门的功能种类明显减少。最终使用LIN可以降低模块成本,这也是车身应用中主要的驱动因素之一(如图2所示)。
车门区域非常紧凑,对空间的约束很苛刻:门体容易受到强烈的震动影响、空间狭小、工厂的工人不方便操作。此外,能布署到门的线束需要受到限制,因为门与车体是分离的。尽管有这些限制,功能的数量还是在不断地增加;如果考虑到车镜,这些约束会更严格。为降低成本,门模块特定功能的实现需要一定的灵活性,可以根据特殊用户规范进行裁剪。例如,汽车制造商可能规定一个或者两个发动机锁,带或不带折叠镜。其他的变化取决于车辆划分以及载荷在前门和后门之间的分布。
ST是这种特殊应用产品开发的领导企业,提供了一系列令人印象深刻的器件,这些器件目前基本表征了这些特殊的汽车产品。ST公司的系统级芯片技术可以实现具有高集成度的复杂汽车方案,例如完整的车门模块器件L9950就能提供高端前门需要的大部分功能。L9950传动装置驱动器可以用来控制车镜的调整、折叠和展开,而高级车锁系统可以用来驱动门锁和发动机锁定。还有五个内部的高端驱动器可以用来控制不同的负载,例如照明灯、LED和车镜除霜器。复杂的诊断算法允许通过读取折叠器、车锁电机和除霜器信息来监控数字和模拟负载状态,并做出正确响应。所有负载的状态都可以通过标准的SPI来访问,并通过一个可编程的电流监控器输出。

图1:当前在路面上行驶的各种汽车中所见到的标准高端前门模块的典型系统架构图。
[p]

图2:针对车门区域应用的典型网络拓扑结构
ST公司全系列产品中还包含不同的产品型号(L9951、L9953和L9954),它们都可接受SPI驱动,并具有不同的输出配置。这些器件在管脚和软件上完全兼容,适合于后门或中端的前门,全部采用PowerSSO-36封装,并具有以下一些优势:
1. 传动装置驱动器系列可覆盖各种前门型号;
2. 灵活的系列方法;
3. 硬件(HW)兼容性/管脚到管脚;
4. 软件(SW)兼容性;
5. 器件可以使用相同的软件进行改变;
6. 所有的物理管脚/输出都可以通过相同的SPI位控制;
7. 可以通过相同的状态位指示来自相同物理管脚/输出的每个诊断信息;
8. 同样的PCB可以用于不同型号车门;
9. 可以用相应驱动器在客户的生产线上加以定义;
10. 用户侧只需要开发、验证和维护一块PCB。
在优化模块的电流吸收特性时需要特别注意,尤其是在汽车没有启动时(点火钥匙处于关闭状态)。即使现在先进的稳压器能提供非常低的静态电流,最新的BCD器件通过优化只消耗很少的电池功率,整个模块的电流吸收情况也不能满足汽车制造商最近对整体功耗的要求。要解决这个棘手的问题,需要在电路板上实现专用的、先进的电流吸收控制。这就是为什么ST开发了全新L9952的原因:它是一个全新的器件,专门设计用于提供车门模块的电源管理。
[p]

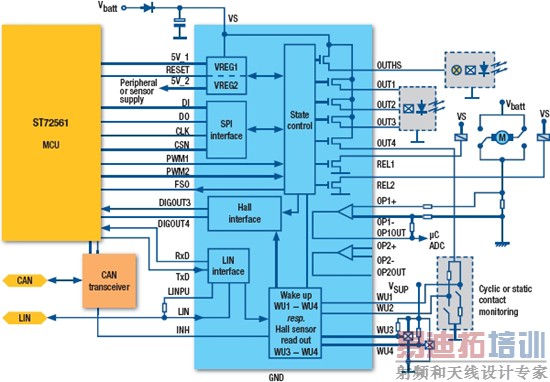
图3:带嵌入式LIN收发器的L9952电源管理器件
1. 5V低压差稳压器,给微处理器(μC)供电/250mA;
2. 5V低压差稳压器,给外设供电/100mA;
3. 非常低的待机电流;
a. VBATT待机时为7μA
b. V1待机时为45μA
c. 循环唤醒时为75μA
4. 车窗看门狗;
5. 故障保护输出;
6. 带循环接触监测的唤醒逻辑;
7. 兼容LIN2.0和兼容SAEJ2602的物理层;
8. 用于模式控制和诊断的24位SPI接口;
9. 用于车窗开启和LED的输出驱动继电器(允许PWM);
10. 所有输出短路和过温保护;
11. 用于监测GND兼容电流的两个运算放大器;
12. 高温告警和过热关断;
13. 欠压和过压关断。
[p]
如上所述,L9952包含用于整个车门区域模块的电源管理功能。目的是满足在不同睡眠模式下所要求的静态电流,这是汽车制造商所要求或规定的。典型值为每个模块100μA,但要求越来越高,甚至在更多的系统功能下需要达到更低的值,例如循环读出接触状态。
L9952的电源管理功能概念用事实加以描述的话,就是μC可以工作在停止或暂停模式,或者甚至可以通过5V电源切换来关闭。要求接触状态读出(例如在锁或车把手内)通过电源管理器件本身执行。因此器件可以工作在循环模式或静态读出接触状态的配置,具体取决于汽车制造商的标准和目标静态电流。在进入睡眠模式之前,通过SPI对相应的设置进行编程,然后L9952就可以独立工作了。循环接触电源和读出的时基在电源管理器件内部通过利用一个集成的RC振荡器自动产生。
此外,用于唤醒输入的滤波策略(去抖动)可以在不额外使用微控制器的情况下,利用一个内部时基得以实现。这对于避免任何因为EMC噪声产生的唤醒事件来说很重要,因为EMC噪声在恶劣的汽车环境中无处不在。如果发生一个唤醒事件,系统将自动启动。
如前面所述以及在图2中显示的那样,一个明显的趋势是LIN节点将成为前门以及后门模块的一个部分。一个方面,由于成本的问题,越来越多的后门通过LIN总线控制,前门作为作为主控节点,后门设置为从节点。另外有个趋势;用于控制门中不同功能的按键板作为一个机电LIN节点加以实现。因此需要将物理层嵌入进L9952。物理层本身符合LIN2.0标准,并与SAEJ2602标准兼容。
对标准的符合性以及EMC性能已经获得独立机构的认证,LIN物理层最初由像大众、奥迪和戴姆勒克莱斯勒这样的汽车制造商发布。可以在主模式下配置LIN总线,对于前门的实例,前门用作后门的主节点,或者处于从模式。在主模式中,所需要的上拉电阻可以由可开关LINUP(LIN上拉)输出提供,这样一来,在LIN总线短路到地时可以断开上拉电阻,从而避免增加静态电流。
除了电源管理功能和LIN物理层外,L9952中还嵌入了其它一些功能,也是车门区域应用的特征。目的是利用高集成度和针对典型负载的最优化单控制模块来降低成本,而不是使用标准器件。使用这种特殊应用标准产品(ASSP)方法可以显著地减小PCB面积,从而带来价格方面的优势。需要指出的是,创新不仅仅是在硅片层面通过在单块硅片上集成不同的功能来实现,还在于像PowerSSO-36这样新型、高性能、小尺寸和高级电源封装技术的开发和产业化。相比于传统的塑料封装,这种裸露焊盘封装的引入有助于节省PCB空间,同时提供优越的热性能。
在未来的开发过程中,CAN也倾向于集成到即将推出的新型电源管理器件内,以获得像传动装置驱动器那样灵活成功的方法。这是ST公司的ASSP方法在汽车车身应用中的自然延续。因此,业界共同的目标是优化系统成本、不断地减少总的模块静态电流,这是不仅仅在车门区域应用中才会遇到的最具挑战性的问题。
作者:Manuel Gaertner
技术行销经理
Giovanni Luca Torrisi
市场高级技术工程师
意法半导体公司
射频工程师养成培训教程套装,助您快速成为一名优秀射频工程师...

