- 易迪拓培训,专注于微波、射频、天线设计工程师的培养
采用4mm x 4mm QFN封装的完整两节AA电池/USB电源管理器(05-100)
引言
对于消费类手持式设备而言,历史悠久的两节AA(碱性或镍氢电池)电源便是其最常用的电池解决方案,尤其是在GPS导航装置、数码相机和MP3播放机中。AA电池购买方便、成本较低、而且具有高功率密度。在这些便携式设备中,有许多都采用了插入式交流适配器,并提供了一根USB总线(用于数据传输)作为电池电源的补充。USB总线还可被用来供电。问题是如何在这三种截然不同的电源(两节AA电池、交流适配器和USB)之间实现无缝切换。LTC3456便是一款适合的解决方案。
LTC3456是一款完整的系统电源IC,可实现AC交流适配器、USB和两节AA电池之间功率通量的无缝管理,并符合USB电源标准,所有这些功能均集成在一个4mm x 4mm QFN封装之内(图1)。该器件生成了两个单独的电源轨:一个3.3V(固定)主电源和一个1.8V(可调)内核电源。此外,LTC3456还包含一个全功能USB电源管理器、一个用于给存储插件供电的热插拔(Hot Swap)输出和一个适合用作低电池电量比较器或LDO控制器的独立增益部件。该器件还生成了一个始终处于运行状态的VMAX输出,该输出适合于为诸如实时时钟等即使在停机期间也必需处于工作状态的关键部件输送功率。

图1 LTC3456是一款采用微型4mm x 4mm封装的完整系统电源管理IC

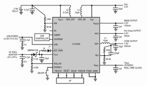
图2 基于LTC3456的完整电源解决方案,包括一个1.8V输出(用于处理器内核)、一个3.3V输出(用于I/O)、一个3.3V热插拔电源(用于存储插件)和一个VMAX输出(用于RTC)
LTC3456
LTC3456包含四个工作效率高达92%的高效1MHz固定频率开关稳压器。图2示出了LTC3456的一种典型应用。便携式应用中所使用的大多数处理器都需要双电源电压。这些电压可以是3.3V(用于I/O电路)和1.5V或1.8V(用于处理器内核)。此外,处理器还有可能要求电源以一种特定的顺序启动,以防止发生处理器闭锁或错误起动。通常,内核电源必须在I/O电源之前上升。
LTC3456具有用于内核和主输出的内置电源排序功能。上电时,VINT输出(一个固定的3.3V电源)率先执行上电操作。它负责向大部分内部电路供电。应对该输出端上的外部负载大小加以限制。可调范围为0.8V至1.8V的内核输出随后上升,接着是VMAIN输出。VMAIN输出(一个固定的3.3V电源)在内核输出进入调节状态之后延迟0.8ms(典型值)上电。VMAIN输出由VINT输出通过一个内部0.4Ω(典型值)PMOS开关而产生,并可被用来向I/O电路供电。0.8ms延迟为处理器在外围电路上电之前完成系统时钟的稳定和内部寄存器的装载提供了充足的时间。
LTC3456产生了一个可调范围为0.8V至1.8V的内核输出,该输出适于为新型低电压处理器(ARM等)供电。LTC3456控制电路允许内核输出的工作占空比达到100%。当内核输出由电池来供电时,它提供了低压降操作,从而延长了电池的使用寿命。当由电池供电时,主转换器和内核转换器均提供了突发模式操作(可利用MODE引脚来选择),因而在轻负载条件下实现了高效率。在采用电池供电的情况下,内核转换器具有超过92%的效率。当由USB/墙上电源来供电时,突发模式操作被停用。当由USB来供电时,主转换器实现了高达90%的效率。
LTC3456具有一个适于为闪存卡供电的内置热插拔输出。该热插拔输出具有短路和反向电压隔离功能。它允许在系统上进行存储插件的带电插拔。它具有一个适合向闪存卡供电的120mA(典型值)内置电流限值。
[p]LTC3456提供了针对主输出和内核输出的短路保护功能。它还为所有的输出(VMAX输出除外)提供了输出断接功能。在停机模式中,内核输出、主输出和热插拔输出均被放电至地。在VBATT、VINT、VEXT和USB电压中,VMAX输出是最高的。该输出可被用来提供1mA的最大输出电流。即使在IC处于停机模式的情况下,VMAX输出也将保持运行状态,因而适于向实时时钟等关键系统部件供电。

表1 LTC3456 PowerPath工作模式和特点概要
PowerPath控制
LTC3456包含一个专有的PowerPath控制电路,可实现系统电源之间的无缝切换(从两节AA电池至USB/墙上电源,反之亦然)。图3示出了内部电源通路的简化方框图。AC适配器和USB总线通过VEXT引脚向开关稳压器供电。LTC3456包含一个全功能USB电源管理器,以利用USBHP和SUSPEND引脚的状态来控制来自USB引脚的功率通量。流经USB引脚的电流被精确地限制为100mA或500mA(视USBHP引脚的状态而定)。通过把SUSPEND引脚拉至高电平可停用所有的USB功能。
当必须提升两节AA电池电压(1.8V至3.2V)以生成3.3V输出、以及必须对USB/墙上电源(4V至5.5V)进行降压操作以生成相同电压时,DC-DC转换将是一项特别具有挑战性的工作。LTC3456通过BOOST和BUCK2转换器完成了这项任务。这是生成3.3V电源轨最为有效的方式。当从电池或USB/交流适配器来生成3.3V输出时,LTC3456实现了高于90%的效率。内核输出(1.8V)是通过BUCK1(由USB/墙上电源来供电)和BUCK3(由电池来供电)转换器来生成的。LTC3456的独特拓扑结构可利用单个电感器来生成1.8V电源轨,从而节省了成本和空间。当从电池来生成1.8V输出时,它实现了92%以上的效率。表1列出了LTC3456不同的工作模式。
便携式设备需要实现从电池电源至USB或墙上电源的无缝切换(反之亦然)以确保平稳的系统运作。例如,一位用户正在一个连接了USB电缆的便携式MP3播放机上播放音乐。如果USB电缆被猛然从设备上拉脱,则用户应能够继续聆听音乐,而不会觉察到任何中断现象。LTC3456通过实现系统电源的无缝切换而使这种愿望成为可能。当SUSPEND引脚被从低电平拉至高电平时,USB电源不可用。主输出和内核输出在切换时均呈现出小于 %的总偏差,从而实现了至处理器内核和外围电路的无缝切换。
与微处理器的简易连接
LTC3456简化了与微处理器的连接。PWRON、PWRKEY、PBSTAT和/RESET引脚向处理器提供了全部所需的系统信息,并简化了电源排序。PWRON、PWRKEY和PBSTAT键控使IC的有序上电和停机任务得以简化。LTC3456的数据表包含时序图,并提供了与其操作有关的详细信息。
LTC3456还具有上电复位电路(通过 /RESET引脚来使用),该电路在上电和停机期间处于运行状态。为在上电时把处理器保持在其复位状态,该上电复位电路是必需的,而且,在所有的系统电源实现稳定之前,它必须阻止处理器起动操作。LTC3456的内置上电复位电路负责监视VINT(3.3V)和内核(0.8V)电压,并通过 /RESET引脚与处理器相连。在初始上电期间,/RESET引脚被保持于低电平。当主输出和内核输出均进入调节状态时,一个复位延迟定时器将起动。在 /RESET被释放和处理器被允许退出复位状态并开始操作之前,提供了一个完整的262ms超时。这262ms超时延迟为处理器对内部寄存器/RAM进行初始化提供了充足的时间。在断电期间,/RESET 引脚被再次拉至低电平。这将防止微处理器进入任何随机操作模式。
当采用电池或外部电源来供电时,/RESET电路的工作情况相似。在VCORE进入调节状态之后,/RESET引脚将在一个262ms的延迟时间里保持低电平。当IC关断时,VMAIN和VCORE输出均与输入电源断接,并被放电至地。这将防止输出被固定于一个不确定的逻辑电平状态而对微处理器的运作产生不利的影响。它还确保输出在上电期间以一种可预测的方式上升。

图3 用于说明内部PowerPath的LTC3456简化方框图
[p]
图4 一种用于GPS导航系统、采用两节AA电池来供电的完整电源。注意,独立增益部件(AIN和AO引脚)被配置为一个LDO控制器,以生成一个2.8V辅助输出
电压监视
LTC3456具有一个可被用于低电池电量检测的片内增益部件,低电池电量跳变点由布设在AIN引脚上的两个电阻器(图2)来设定。AIN引脚的标称电压为0.8V。AO引脚是一个漏极开路逻辑输出,用于在AIN引脚电压降至0.8V以下时吸收电流。也可通过增益部件的配置来驱动一个外部PNP或PMOS晶体管,以生成一个辅助电压。
此外,LTC3456还具有板载电压比较器电路,以利用 /EXT_PWR引脚上的一个状态输出来检测USB或墙上电源的接入。/EXT_PWR引脚的漏极开路逻辑输出能够吸收高达5mA的电流,故适合于驱动一个外部LED。该板载电压检测器连续监视USB电压和交流适配器电压的状态(通过WALLFB引脚)。当USB或墙上电源可用并处于调节状态时,/EXT_PWR引脚被拉至低电平。
便携式GPS导航装置电源
当今的便携式GPS导航装置采用两节AA电池或一个交流适配器作为工作电源,并备有一根USB总线(用于数据传输)。对电源而言,长电池寿命和小系统尺寸是关键要求。GPS导航装置中所使用的微处理器通常需要至少两种不同的电压源:一般是3.3V(用于I/O电路)和1.5V或1.8V(用于处理器内核)。这种导航装置可能还需要一个2.8V的辅助电源电压,用于给LCD显示控制器IC施加偏压。
图4示出了一种用于便携式GPS导航装置的完整、紧凑而高效的电源。VMAIN(固定3.3V)负责向I/O电路供电。用于处理器内核的电源VCORE被设定为1.8V,并可通过改变反馈电阻器阻值比来调节。3.3V热插拔输出负责向闪存卡供电。LTC3456包含一个独立增益部件(AIN和AO引脚),可被用作一个低电池电量指示器或一个LDO控制器。图4中的电路示出了被用作一个LDO的增益部件,并由一个外部PNP来从主输出生成一个2.8V的辅助输出电压。该2.8V辅助电源被用于给一个LCD控制器IC供电。LTC3456的VMAX输出即使在停机期间仍然处于工作状态,并被用来向一个实时时钟供电。
结语
LTC3456是一款完整的系统电源管理IC,它实现了对一个AC适配器、USB电缆和两节AA电池电源之间的功率通量的无缝管理。包括一个集成化USB电源管理器、高效DC-DC转换器、一个热插拔控制器和一个低电池电量指示器在内的众多部件均被集成在一个4mm x 4mm QFN封装之内。外部元件的数目和总系统成本得到了最大限度地削减。简单性、设计灵活性、高集成度和小外形尺寸使得LTC3456成为许多便携式USB设备供电方案的理想选择。■
射频工程师养成培训教程套装,助您快速成为一名优秀射频工程师...
天线设计工程师培训课程套装,资深专家授课,让天线设计不再难...
上一篇:爱普生携手英飞凌开发出单芯片GPS技术
下一篇:如何消除液晶显示器内的“吱吱”声

