- 易迪拓培训,专注于微波、射频、天线设计工程师的培养
应用降压转换控制器建立高性能多路输出开关电源(06-100)
前言
电脑调制解调器、基站及消费类各种终端设备的发展,对其电源的种类与特性有了新的需求, 就是说要求应用高性能、特殊的、多路、多频输出开关电源及多路输出电压与电流的电源模块的迫切性愈来愈高。从而必然带来的对DC-DC开关电源控制器的应用也产生了新变化。为此本文将以应用开关电源降压控制器SC2463建立高性能多路输出(3.3V、2.6V、1.8V、1.2V)开关电源为例及具有多路输出电压与电流的电源模块的特征应用作分析说明。
应用SC2463建立高性能多路输出开关电源
SC2463芯片为一种高性能多输出开关电源降压转换控制器。
SC2463提供了4.5V至30V的宽输入电压范围,两个可设置达700KHz开关频率的开关转换器,能提供高达15A输出电流及低至0.5V输出电压。它还提供了二个正输出电压线性调节器。
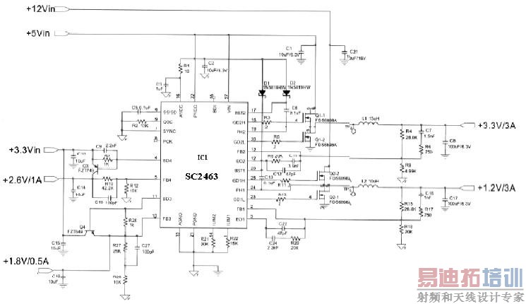
图1示出用SC2463建立的3.3V、2.6V、1.8V、1.2V四路输出电压的电路图。

降压式开关电源功率器件基本上是由滤波电感,输出滤波电容,输入滤波电容和功率场效应管所组成。
[p]电感选择
输出电感的选择基于输出DC和瞬态的要求。较大的电感值可减小输出纹波电流和纹波电压,但在负载瞬变过程中改变电感电流的时间会加长。较小的电感值可得到低的直流损耗,但是交流磁芯损耗和交流绕线电阻损耗会变大。折衷的方法是选择电感纹波电流峰值至峰值在输出负载电流额定值的20%到30%之间。
假定电感纹波电流(峰值至峰值)是负载直流电流的20%,那么输出电感值为:

以图1中开关转换器为例,VIN=5V,Vo=3.3V,Io=3A,fs=150KHz,由此计算出来的电感值是12.5H。可选用市场上很容易采购到的15H/5A表面贴电感。
输出电容
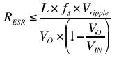
输出电容应按照输出电压纹波和负载动态变化要求来选择。输出电感产生的纹波电流会在输出电容串联等效电阻(ESR)上产生输出电压纹波(VRIPPLE)。为了满足输出电压纹波要求,输出电容寄生串联电阻(ESR)必须满足下式:

以图1为例, VIN=5V,Vo=3.3V,fs=150KHz,L=15H,VRIPPLE=50mV,那么计算出来的ESR值是100mΩ。在本例中采用了一个ESR为mΩ,电容量为100pF钽电容。
[p]功率场效应管
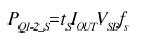
场效应管是通过它的内阻(RDSON),栅极电容及电荷(Qg)和封装热阻(θJA)这3个参数来选择的。利用SC2463 1A内置驱动器,一个栅极电容 为25nC的场效应管(FDS6898A)会产生大约25nS的开关升/降时间(ts=25nC/1A)。ts会在上端场效应管开关时产生开关损耗:

由于在上端和下端场效应管之间无重叠传导,流过下端场效应管漏极和源极之间的寄生二极管或管总会在下端场效应管导通之前导通。下端场效应管导通电压仅为一个在漏极和源极之间二极管的电压(VSD=0.7V)。此下端场效应管开关损耗为:
下端场效应管的栅极损耗(PQl-2_GATE)也可由此近似公式得到:

下端场效应管在导通时的损耗为:

在死区时间内Q1-2的损耗是在它寄生二极管上的传导损耗(PQl-2_D):

其中tDEAD是电源控制芯片上下端场效应管驱动的死区时间。SC2463的死区时间约为100ns。
Q2总损耗(PQ2)是它的栅极损耗、传导损耗、开关损耗和寄生二极管传导损耗的总和。以图1为例,FDS6898A上下端导通内阻都是14mΩ,整 个FDS6898损耗为0.34W。
场效应管的结温可由下式计算:
从FDS6898A手册上可查到它最大的结温至室温热阻是78~C/W(qJA),如果图1电源环境最高温度是450℃,那么Q1工作结温(TQ1_ J)为72℃(45+78×0.34)。这温度远小于FDS6898A 150℃的结温限制。这里假设Q1被直接焊在二盎司铜层和一平方英寸面积的PCB散热焊盘上。如果需要更进一步降低Q1的结温,可以增加PCB散热焊盘面积或将Q1套上外加的散热器。另外,芯片到散热焊盘的焊接,封装芯片材料,热接触面,热结合性能,可得到的有效散热区域和环境空气流动状况(自然或强制对流)都对场效应管晶片的温升都有很大的关系。实际温度的测量和验证是场效应管热设计的关键。
[p]图1中开关转换器(12V→1.2V/3A)中的功率器件可用同样方式来设计。
由于SC2463是一个高性能多输出降压转换控制器。它可以被配置用在不同的电源管理应用中,即有多路输出电压需求的ADSI电源,需要正负电压的混合信号电源,电脑调制解调器电源,基站电源及通用的多路输出电压的电源系统等领域。
具有多路电源输出电压与电流的开关电源模块
APSl004是—款高效率5通道电源管理单元,专门针对数码相机设计,亦可用于数码摄像机,掌上电脑等其他便携式设备的电源。图2所示为APSl004内部框图与多路电源输出电压、电流负载示意图。

APSl004包括以下通道:
·升压转换器:用于3.3V主电源输出,效率高达95%,内置功率开关管,可在0.7V至5.5V输入电压范围工作,输出电压在2.7V至5.5V范围可调。
·降压型转换器:用于1.5V DSP内核供电,效率高达92%,可与升压型转换器组合成效率高达87%的升压-降压转换器,或者直接从电池进行降压转换。
·辅助PWM控制器-升型控制器,用于5V马达驱动。
·辅助PWM控制器-升压控制器,用于15V LCD供电。
·辅助PWM控制器-升压控制器,与外部功率开关管及变压器配合,用于产生-7.5V和+15VCCD偏置。
所有通道工作在同—开关频率,此开关频率可通过外部电阻调节,以方便在外部器件尺寸、成本和效率之间进行优化。器件内置有软启动,Power-OK输出,过载保护等。
APSl004作为数码相机的电源应用范例示于图3。

结语
多路、多频电源控制器的型号与规格很多,对于多输出的电压应用非常适合。它的高集成度减少了线路板面积,降低了产品的成本。,芯片中内置的输出电压启动顺序满足了许多系统芯片的上电要求。为此在选择上应视终端与各通信设备的要求及指标来确定。
射频工程师养成培训教程套装,助您快速成为一名优秀射频工程师...

