- 易迪拓培训,专注于微波、射频、天线设计工程师的培养
自激开关电源设计的注意事项
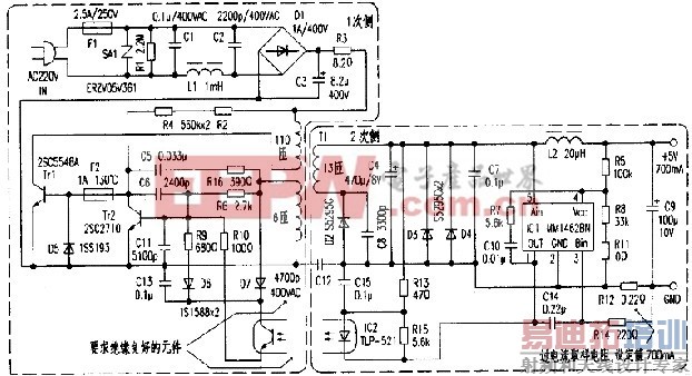
在设计和制作开关电源时。必须注意一些常识。下面以附图所示的自激式开关电源为例加以说明。
1.一次侧和二次侧的绝缘
必须重视交流侧和二次侧的绝缘。对这一问题各国都有相应的规定。如对一次侧和二次侧的相邻印刷电路的间隔(平面距离)为3mm,一次侧和二次侧相邻元件的空间距离为5mm等,并利用变压器来作电气绝缘。
连接一次侧和二次侧的元件有三个,即图中的变压器T1、电容器C12、光耦合器IC2,它们必须满足各自的安全规格。对变压器T1,主要关注其初次级间的绝缘层。C12用于去除来自电源线的噪声,需选用交流电容器。并有足够的耐压,其容量不能过大。否则会增大泄漏电流。
2.一次侧元件不能有短路隐患
图中一次侧的浪涌电压吸收器SAl、Rl、Cl、C2、整流桥Dl直接承受交流市电,如果发生短路可能引起火灾。C1、C2用于降低共模噪声,要使用交流电容器。并保证其耐压大于交流市电电压的倍,如对220V电压可选400V交流耐压。
3.电路中的保护措施不能省略
图中的熔断器F1,在电路发生短路时及时熔断,切断交源以免发生火灾,应选用快速熔断型:而F2是保护开关管Trl的温度熔断器。应紧贴Trl安装。
此外。ICl内藏过电流限制电路,通过R12上的电压降检测出过电流;SA1可吸收外部过电压。
4.注意出口产品的安全规路
用于出口的开关电源,设计时应按进口国的安全标准进行设计、生产。除了进行绝缘和泄漏的检测外。要保证当电容器短路时其他部件不会损坏,不慎插入外壳的金属杆不会引起触电和短路。

射频工程师养成培训教程套装,助您快速成为一名优秀射频工程师...
天线设计工程师培训课程套装,资深专家授课,让天线设计不再难...
上一篇:UniFET?II
MOSFET功率转换器[飞兆半导体]
下一篇:双输出同步降压型
DC/DC
控制器[凌力尔特]

