- 易迪拓培训,专注于微波、射频、天线设计工程师的培养
开关电源控制芯片M51995及其应用
1引言
M51995A是一专门为AC/DC变换设计的离线式开关电源初级PWM控制芯片。该芯片内置大容量图腾柱电路,可以直接驱动MOSFET。M51995A不仅具有高频振荡和快速输出能力,而且具有快速响应的电流限制功能。它的另一大特点是过流时采用断续方式工作。芯片的主要特征如下:
S500kHz工作频率;
S输出电流达±2A,输出上升时间60μs,下降时间40μs;
S起动电流小,典型值为90μA;
S起动电压和关闭电压间压差大:起动电压为16V,关闭电压为10V;
S改进图腾柱输出方法,穿透电流小;
S过流保护采用断续方式工作;
S用逐脉冲方法快速限制电流;
S欠压、过压锁存电路。
2管脚排列及说明
管脚排列见图1。
各引脚定义如下:
COLLECTOR:图腾柱输出集电极
Vout:图腾柱输出
EMITTER:图腾柱输出发射极
VF:VF控制端
ON/OFF:工作使能端
OVP:过压保护端
DET:检测端
F/B:电压反馈端
T-ON:计时电阻ON端
CF:计时电容端
T-OFF:计时电阻OFF端
CT:断续方式工作检测电容端
GND:芯片地
CLM-:负压过流检测端
CLM+:正压过流检测端

图1M51995AP管脚排列

图2M51995A的原理框图
Vcc:芯片供电端
3工作原理
M51995A的原理框图如图2所示。它主要由振荡器、反馈电压检测变换、PWM比较、PWM锁存、过压锁存、欠压锁存、断续工作电路、断续方式和振荡控制电路、驱动输出及内部基准电压等部分组成。[p] [p]
的状态在接下来的死区时间里被复位,所以电流限制电路在每个周期都可以起作用,被称为“逐脉冲电流限制”。为了消除寄生电容引起的噪声电压的影响,需要使用RC组成的低通滤波器,如图7所示。

(a)CLM+的情况(b)CLM-的情况
图7CLM+/CLM-的连接

图8断续方式和振荡控制电路时序

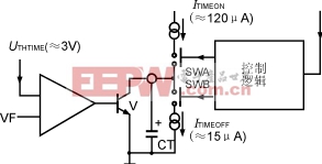
图9断续方式工作电路图
当内部限流电路工作时,断续方式和振荡控制电路开始工作,即输出高电平。图8为时序图,在断续方式和振荡控制电路输出为高电平并且VF端电压下降到低于约3V的临界值时,断续方式电路开始工作。图9为断续方式电路的原理图。当VF端电压高于UTHTIME时,晶体管V导通,CT端电位接近于GND;当VF端电压低于UTHTIME时,晶体管V截止,CT将被充放电。SWA闭合而SWB断开时,CT被120μA的电流充电,SWB闭合而SBA断开时,CT被15μA的电流放电,所以CT端呈三角波。只有在CT端电压上升期才会产生输出脉冲。显然CT端的三角波频率要远远低于开关振荡频率。这样功率电路中包括次级整流二极管在内的元器件可被有效保护,以防过流引起的过热。当断续方式不用时,建议CT端接地。
(5)辅助功能部分
DET端可被用来控制输出电压。DET端和F/B端之间的电路与并联型可调电压基准芯片431非常相似,当DET端电压高于2.5V时运放具有吸收电流能力,而当DET端电压低于2.5V时输出为高阻。DET端和F/B端相互具有反相特性,所以建议在它们之间串接电阻和电容以利相位补偿。
OVP和ON/OFF端子可方便地用来实现过压保护和开关芯片工作。两者都具有迟滞特性。在过压保护及OFF状态下,芯片的工作电流均由起动电路提供。ON/OFF端为低电平时芯片才工作,阈值电压为2.4V。当OVP端高于750mV的阈值电压时芯片进入过压保护状态(OVP)。为了复位OVP状态,须使OVP端电压低于阈值电压或使VCC低于OVP复位供电电压(典型值为9V)。

图10M51995AP在正激式变换器的中的应用
4典型应用
图10和图11分别为M51995AP在正激式和反激

图11M51995AP在反激式变换器的中的应用
式变换器中的应用。在正激式变换器中,交流输入经全波整流和平滑滤波后进行开关变换。次级为多组输出,而稳压控制则是对主输出来进行的。采样和误差放大采用431用基准芯片和光耦以提高输出精度和隔离初级和次级电压。过流检测使用电流检测变压器。电源可由外部信号进行开关。Ron推荐为10k到75k,Roff推荐为2k到30k;电源电压推荐为12V到17V;流过R1起动电阻的起动电流推荐300μA以上以稳定起动。
射频工程师养成培训教程套装,助您快速成为一名优秀射频工程师...
天线设计工程师培训课程套装,资深专家授课,让天线设计不再难...
上一篇:从入门到精通三极管的波形识别
下一篇:自动平衡式交流稳流电源设计

