- Ò×µÏÍØÅàѵ,רעÓÚ΢²¨¡¢É䯵¡¢ÌìÏßÉè¼Æ¹¤³ÌʦµÄÅàÑø
LinkSwitchϵÁкãѹ/ºãÁ÷ʽµ¥Æ¬¿ª¹ØµçÔ´µÄÓ¦ÓÃ
0 ÒýÑÔ
ºãѹ£¯ºãÁ÷£¨CV£¯CC£©Ê½¿ª¹ØµçÔ´ÊÇ×î³£ÓõÄÒ»ÖÖÌØÖÖµçÔ´¡£2002Äê9Ô£¬PI¹«Ë¾ÂÊÏÈÍÆ³öÁËLinkSwitchϵÁУ¨°üº¬LNK500¡¢LNK501£©¸ßЧÂʺãѹ£¯ºãÁ÷ʽÈý¶Ëµ¥Æ¬¿ª¹ØµçԴоƬ£¬ËüÊÇÊÀ½çÉϵÚÒ»¸öרÃÅΪȡ´ú4WÒÔÏÂС¹¦ÂÊÏßÐÔÎÈѹµçÔ´¶øÑÐÖÆµÄ¸ß¼¯³É¶È¡¢µÍ³É±¾¡¢¸ßѹ¹¦ÂÊת»»Ð¾Æ¬¡£2004Äê3Ô£¬¸Ã¹«Ë¾ÓÖÑÐÖÆ³öLNK520Ðͺãѹ»òºãѹ£¯ºãÁ÷ʽÈý¶Ëµ¥Æ¬¿ª¹ØµçÔ´¡£ÓÉLinkSwitch¹¹³ÉµÄºãѹ£¯ºãÁ÷ʽ¿ª¹ØµçÔ´£¬¼Û¸ñ¿°ÓëÏßÐÔµçÔ´ÏàæÇÃÀ¡£Ëü±È´«Í³µÄÏßÐÔµçÔ´Ìå»ýС£¬ÖØÁ¿Çá£¬ÌØ±ðÊʺÏÓڵͳɱ¾µç³Ø³äµçÆ÷¡£ÕâÖÖ¿ª¹ØµçÔ´¿ÉÔÚºãѹ¡¢ºãÁ÷Á½ÖÖ¹¤×÷ģʽÏÂ×Ô¶¯×ª»»£¬±ÈÓÃTOPSwitch£¢ò¹¹³ÉµÄºãѹ£¯ºãÁ÷Ê½ÌØÖÖ¿ª¹ØµçÔ´´óÔ¼¿É½ÚÊ¡20¸öÔªÆ÷¼þ¡£µ±¶î¶¨Êä³ö¹¦ÂÊΪ3Wʱ£¬LinkSwitchÔÊÐí²ÉÓÃEE13ÐÍ´Åо£¬ÒÔ½øÒ»²½¼õС¿ª¹ØµçÔ´µÄÌå»ý¡£
LinkSwitchϵÁе¥Æ¬¿ª¹ØµçÔ´¿ÉÌæ´úÏßÐÔµçÔ´£¬¹ã·ºÓÃÓÚ¸÷ÖÖ¸öÈ˵ç×ÓÉ豸£¨ÊÖ»ú¡¢ÎÞÉþµç»°¡¢ÕÆÉϵçÄÔ¡¢ÊýÂëÏà»ú¡¢MP3²¥·ÅÆ÷¡¢µç¶¯ÌêÐëµ¶µÈ£©µÄµç³Ø³äµçÆ÷»òµçÔ´ÊÊÅäÆ÷£¬Ò²¿ÉÒÔÓ¦ÓÃÔÚµçÊÓ»úµÈ¼ÒÓõçÆ÷µÄ´ý»úµçÔ´¼°¸÷ÖÖ¸¨ÖúµçÔ´ÖС£
1 LinkSwitchϵÁе¥Æ¬¿ª¹ØµçÔ´µÄÐÔÄÜÌØµã
1£©LinkSwitchϵÁвúÆ·²ÉÓÃPI¹«Ë¾µÄEcoSmartR¼¼Êõ£¬½«700V¹¦ÂÊMOSFET¡¢PWM¿ØÖÆÆ÷¡¢¸ßѹÆô¶¯¡¢µçÁ÷ÏÞÖÆºÍ¹ýÈȱ£»¤µÈµç·¼¯³ÉÔÚÒ»¸öоƬÖС£¸ÃоƬֻÓÐ3¸öÒý½Å£¬¶ÔLNK500¡¢LNK501¶øÑÔ£¬½öÐëÅä14¸öÍâΧԪÆ÷¼þ£¬¼´¿É¹¹³É¾ßÓкãѹ£¯ºãÁ÷£¨CV/CC£©Êä³öÌØÐÔµÄÌØÖÖ¿ª¹ØµçÔ´¡£ÓÃ×öµçÔ´ÊÊÅäÆ÷ʱ£¬LinkSwitch¹¤×÷ÔÚºãÑ¹Çø£¬¿ÉΪ¸ºÔØÌṩÎȶ¨µÄµçѹ£¬´ËʱºãÁ÷ÇøÓÃÀ´Ìṩ¹ýÔØ±£»¤¼°¶Ì·ʱµÄ×Ô¶¯ÖØÆô¶¯±£»¤¡£×öµç³Ø³äµçÆ÷ʱ£¬LinkSwitch¹¤×÷ÔÚºãÁ÷Çø£¬³äµçÍê±Ï×Ô¶¯×ªÈëºãÑ¹Çø£»ÈôÔÚ³äµç¹ý³ÌÖÐÒò¸ºÔضÌ·¶øÊ¹Êä³öµçѹ½µÖÁ2VÒÔÏ£¬Ôò½øÈë×Ô¶¯ÖØÆô¶¯½×¶Î¡£ÓëÏßÐÔÎÈѹµçÔ´Ïà±È£¬Æä¹¦ºÄ¿É½µµÍ70£¥¡£
2£©LNK500¡¢LNK501ÔÚ¿í·¶Î§ÊäÈ루½»Á÷85¡«265V£©Ê±µÄ×î´óÊä³ö¹¦ÂÊΪ3W£¬½»Á÷230V¹Ì¶¨ÊäÈëʱµÄ×î´óÊä³ö¹¦ÂÊΪ4W¡£Í¨³£½«LinkSwitchÉè¼ÆÔÚ²»Á¬ÐøÄ£Ê½Ï¹¤×÷¡£ÀûÓùâñî·´À¡¼¼Êõ¿ÉÌá¸ßºãѹÊä³öµÄ¾«¶ÈºÍÎȶ¨¶È£¬¶øÀûÓÃÍⲿÎÈѹ¹Ü½øÐжþ´ÎÎÈѹÄܸÄÉÆºãÁ÷ÌØÐÔ¡£
3£©¸ÃÆ÷¼þ²ÉÓÃÐÂÓ±µÄ³õ¼¶ºãѹ¡¢ºãÁ÷¿ØÖÆ·½°¸£¬°üÀ¨³õ¼¶Ç¯Î»¡¢·´À¡¡¢ÄÚ²¿¹©µçºÍ»ØÂ·²¹³¥µÈµç·£¬¼«´óµØ¼ò»¯ÁËÍâΧµç·µÄÉè¼Æ¡£LNK500£¯501²»ÐèÒª¸¨ÖúÈÆ×é¼°Íⲿºãѹ£¯ºãÁ÷¿ØÖƵç·£¬ÍêÈ«Óɳõ¼¶¸ÐÓ¦µçѹUORÀ´¿ØÖƺãѹ£¯ºãÁ÷Êä³ö¡£
4£©¾ßÓÐÍêÉÆµÄ±£»¤¹¦ÄÜ£¬°üÀ¨¹ýÈȱ£»¤£¬¹ýµçÁ÷±£»¤£¬Êä³ö¶Ì·Çé¿öϵĹýÔØ±£»¤£¬¿ªÂ·¹ÊÕϱ£»¤ºÍÈíÆô¶¯¹¦ÄÜ¡£
5£©¹¦ÂÊMOSFETµÄ©¼«»÷´©µçѹΪ700V£¬¼«ÏÞµçÁ÷¹Ì¶¨Îª254mA£¬Â©£Ô´Í¨Ì¬µç×èΪ28Ω£¨µäÐÍÖµ£©£¬×î´óÕ¼¿Õ±ÈΪ77£¥¡£×Ô¶¯ÖØÆô¶¯ÆµÂÊΪ300Hz¡£¹ýÈȱ£»¤Î¶ÈΪ£«135¡æ£¬µ±Î¶ȽµÖÁ£«70¡æÊ±Ð¾Æ¬²Å»Ö¸´Õý³£¹¤×÷¡£
2 LinkSwitchϵÁе¥Æ¬¿ª¹ØµçÔ´µÄµäÐÍÓ¦ÓÃ
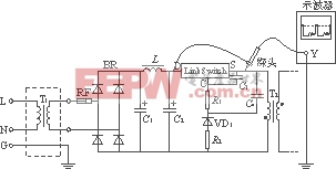
ÓÉLNK501¹¹³Éºãѹ£¯ºãÁ÷ʽµç³Ø³äµçÆ÷µÄµç·Èçͼ1Ëùʾ¡£¸Ãµç³Ø³äµçÆ÷µÄÖ÷Òª¼¼ÊõÖ¸±êÈçÏ£ººãÑ¹ÇøµÄ¶î¶¨Êä³öµçѹ U o=£«5.5V£¬ºãÁ÷ÇøµÄÊä³öµçÁ÷ I OM=500mA£¬×î´óÊä³ö¹¦ÂÊ P OM=2.75W£»µ±½»Á÷ÊäÈëµçѹ u =85¡«265Vʱ£¬µçԴЧÂÊ η ≥72£¥£»µ±½»Á÷ÊäÈëµçѹ u =230V»ò115Vʱ£¬¿ÕÔØ¹¦ºÄ·Ö±ðΪ260mW»ò200mW¡£
ͼ1 ÓÉLNK501¹¹³Éºãѹ£¯ºãÁ÷ʽµç³Ø³äµçÆ÷µÄµç·
RF£¨Fusible Resistor£©²ÉÓÃ10Ω¡¢1WµÄÈ۶ϵç×èÆ÷£¬µ±ÊäÈë¶Ë·¢Éú¶Ì·¹ÊÕÏʱÄÜÆðµ½¹ýÁ÷±£»¤×÷Óá£BRΪ1A¡¢600VµÄÕûÁ÷ÇÅ£¬Òà¿ÉÓÃ4Ö»1N4005Ð͹èÕûÁ÷¹ÜÀ´´úÌæ¡£ C 1¡¢ L ºÍ C 2¹¹³ÉπÐÍÂ˲¨Æ÷¡£LNK501µÄ¿ª¹ØÆµÂÊΪ42kHz£¬ÔÊÐíʹÓüòµ¥µÄEMIÂ˲¨Æ÷Â˳ýµç´Å¸ÉÈÅ£¬¶øÇÒÒ»°ã²»ÐèÒª³õ¼¶·µ»Ø¶ËÓë´Î¼¶·µ»Ø¶ËÖ®¼ä²¢ÁªÒ»Ö»°²È«µçÈÝ£¨Òà³ÆYµçÈÝ£©¡£
ÓÉ1A¡¢600VµÄ¹è¶þ¼«¹ÜVD1£¨1N4937£©ºÍ0.1μFµçÈÝÆ÷ C 4×é³Éǯλ±£»¤µç·£¬ÓÃÀ´ÎüÊÕÓɏ߯µ±äѹÆ÷©¸Ð²úÉúµÄ¼â·åµçѹ¡£³õ¼¶ÈÆ×éµÄ¸ÐÓ¦µçѹֵ£¨ U OR£©Òà³Æ´Î¼¶·´Éäµçѹ£¬ËüÓëÊä³öµçѹ U OÖ®¼ä´æÔÚÏÂÊö¹ØÏµÊ½£º U OR= n £¨ U O£« U F1£©£¨Ê½ÖÐ n Ϊ³õ¼¶Óë´Î¼¶µÄÔÑÊý±È£¬ U F1Ϊ´Î¼¶ÕûÁ÷¹ÜµÄѹ½µ£©¡£Õâ±íÃ÷ U ORÄÜ·´Ó³Êä³öµçѹµÄ¸ßµÍ¡£Òò´Ë£¬ÀûÓÃÈ¡ÑùµçÈÝ C 4Ëù»ñµÃµÄ·´À¡µçѹͬÑùÄÜ·´Ó³³öUOµÄ±ä»¯Çé¿ö¡£µç×è R 1µÄ×÷ÓþÍÊǽ« C 4Éϵķ´À¡µçѹת»»³É·´À¡µçÁ÷£¨¼´¿ØÖƶ˵çÁ÷ I C£©£¬½ø¶øÈ¥µ÷½ÚLNK501µÄÊä³öÕ¼¿Õ±È£¬ÊµÏÖÎÈѹĿµÄ¡£ÀûÓÃR2¿É½µµÍ¿ª¹ØÔëÉù¡£¸ù¾Ýʵ¼ÊÐèÒª»¹¿ÉÔÚ³õ¡¢´Î¼¶·µ»Ø¶ËÖ®¼ä²¢ÁªÒ»Ö»1000¡«2200pF¡¢ÄÍѹֵΪ1.5kVµÄ°²È«µçÈÝ C 6£¬½øÒ»²½ÒÖÖÆµç´Å¸ÉÈÅ£¬¾ßÌå½ÓÏß·½·¨Èçͼ1ÖÐÐéÏßËùʾ¡£
ÔÚºãÑ¹ÇøÓòÄÚ£¬Êä³öµçѹÊÜÕ¼¿Õ±È¿ØÖÆ¡£µ± I C>2mAʱ£¬½øÈëºãÑ¹Çø£¬Êä³öµçѹ¼°Õ¼¿Õ±Èͬʱ½µµÍ£»ÔÚ I C=2.3mAʱ£¬½øÐйýµçÁ÷±£»¤£¬Ê¹Õ¼¿Õ±È½µÖÁ30£¥¡£Èô U O½µµ½2VÒÔÏ£¬Ôò C 3·Åµç£¬Ê¹LNK501½øÈë×Ô¶¯ÖØÆô¶¯½×¶Î£¬Ñ¸ËÙ½«Êä³öµçÁ÷ÏÞÖÆÔÚ50mAÒÔÏ¡£Èôʵ¼ÊÊä³ö¹¦Âʳ¬¹ý P OM£¬Ôò U O↓→ U OR↓→ I C↓£¬´Ó¶øÏÞÖÆÁË©¼«µçÁ÷IDµÄ½øÒ»²½Ôö´ó¡£ÈôÒòÊä³ö¶Ë·¢Éú¶Ì·¹ÊÕ϶øµ¼ÖÂÊä³ö¹¦ÂʼÌÐøÔö´ó£¬Ôò I CϽµµ½0.9mA£¬ÆÈʹ¿ØÖƶ˵çÈÝ C c·Åµç£¬LNK501¾Í½øÈë×Ô¶¯ÖØÆô¶¯½×¶Î¡£ÉÏÊö×Ô¶¯±£»¤¹¦ÄÜÌá¸ßÁËµç³Ø³äµçÆ÷ÔÚ¹¤×÷ʱµÄ°²È«ÐÔ¡£ÔÚ¿ÕÔØ»òÇáÔØµÄÇé¿öÏ£¬Ð¾Æ¬µÄ¹¦ºÄËæ¿ª¹ØÆµÂʵĽµµÍ¶ø½µµÍ¡£
¸Ãºãѹ£¯ºãÁ÷ʽµç³Ø³äµçÆ÷µÄÊä³öÌØÐÔÈçͼ2Ëùʾ¡£Í¼2ÖеÄʵÏß´ú±í¼«ÏÞÖµ¡£´Î¼¶ÕûÁ÷¹ÜVD2²ÉÓÃ11DQ06ÐÍ1A£¯60VÐ¤ÌØ»ù¶þ¼«¹Ü£¬Òà¿ÉÓÃMBR160´úÌæ¡£

ͼ2 ÓÉLNK501¹¹³Éºãѹ£¯ºãÁ÷ʽµç³Ø³äµçÆ÷µÄÊä³öÌØÐÔ [p]
3 µç·Éè¼ÆÒªµã
3.1 ×î´óÊä³ö¹¦ÂÊ
LinkSwitchÔÚ½»Á÷85¡«265V¿í·¶Î§ÊäÈë¡¢½»Á÷230V¹Ì¶¨ÊäÈëʱµÄ×î´óÁ¬ÐøÊä³ö¹¦ÂÊ£¨ P OM£©·Ö±ðΪ3W¡¢4W¡£Îª´ïµ½×î´óÁ¬ÐøÊä³ö¹¦ÂÊ£¬Éè¼Æµç·ʱӦעÒâÒÔÏÂÊÂÏî¡£
1£©Éè¼ÆµÄÖ±Á÷ÊäÈëµçѹ×îСֵ U Imin≥90V¡£µ±½»Á÷ÊäÈëµçѹ u =85¡«265Vʱ£¬ÊäÈëÂ˲¨µçÈݵÄÈÝÁ¿¿É°´3μF/WµÄ±ÈÀýϵÊýÀ´Ñ¡È¡¡£¶ÔÓÚ½»Á÷230V»ò115V¹Ì¶¨ÊäÈëµçѹ£¬¿É°´1μF/WµÄ±ÈÀýϵÊýÀ´Ñ¡È¡¡£
2£©LinkSwitchÊÇרÃÅÉè¼ÆÔÚ²»Á¬ÐøÄ£Ê½Ï¹¤×÷µÄ£¬´Ëʱ³õ¼¶ÈÆ×é¸ÐÓ¦µçѹ U ORµÄ·¶Î§ÊÇ40¡«60V¡£ÈôÉè¼Æ³ÉÁ¬ÐøÄ£Ê½£¬»áµ¼Ö»·Â·¹¤×÷²»Îȶ¨¡£
3£©´Î¼¶ÕûÁ÷¹ÜÓ¦²ÉÓÃÐ¤ÌØ»ù¶þ¼«¹Ü¡£Í¼1ÖеÄVD2¾Í²ÉÓÃ1A/60VµÄÐ¤ÌØ»ù¶þ¼«¹Ü¡£
4£©Ô¤Ïȿɼٶ¨µçԴЧÂÊ η =70£¥¡£
5£©Ô´¼«Òý½Å±ØÐëÓëÓ¡ÖÆ°åÉϵĸ²Í²½Ó´¥Á¼ºÃ£¬ÒÔ±£Ö¤½«ÈÈÁ¿¼°Ê±É¢·¢³öÈ¥£¬Ê¹Ð¾Æ¬Î¶Ȳ»³¬¹ý£«100¡æ¡£
³ýÁËÊÜζÈÌõ¼þ¡¢Í¨·ç×´¿ö¡¢·â×°ÐÎʽ¡¢µçÔ´½á¹¹µÈÒòËØµÄÓ°ÏìÖ®Í⣬ÔÚ¸ø¶¨Ìõ¼þÏÂLinkSwitchµÄ×î´óÊä³ö¹¦ÂÊ»¹Óë¸ßƵ±äѹÆ÷´ÅоµÄ´óС¡¢µ¼´ÅÂÊ¡¢³õ¼¶µç¸ÐÈÝÁ¿¡¢×îСÊäÈëµçѹ¡¢ÊäÈëÂ˲¨µçÈݵÄÈÝÁ¿¡¢Êä³öµçѹ¡¢ÕûÁ÷¹Üѹ½µµÈ²ÎÊýÓйأ¬Õâ»áÔì³Éʵ¼ÊµÄ P OMÖµÓëÉè¼ÆÖµ²»ÏàµÈ¡£
3.2 ¸ßƵ±äѹÆ÷
ÔÚ·ÇÁ¬ÐøÄ£Ê½Ï£¬µ±¹¦ÂÊMOSFET¹Ø¶Ïʱ£¬ÒÑ´æ´¢ÔÚ¸ßÆµ±äѹÆ÷ÖеÄÄÜÁ¿¾Íת»»Îª´Î¼¶Êä³ö¡£Èô²»¿¼ÂǴμ¶ËðºÄµÄÇé¿öÏ£¬Ôò¸ßƵ±äѹÆ÷µÄ×î´óת»»¹¦ÂÊΪ
P M=0.5 L P I 2LIMIT f
ʽÖУº L PΪ³õ¼¶µç¸ÐÁ¿£»
I 2LIMIT f ΪϵÊý£¬Ëü´ú±í³õ¼¶¼«ÏÞµçÁ÷µÄƽ·½Ó뿪¹ØÆµÂʵij˻ý£¬ÆäµäÐÍֵΪ I 2LIMIT f =(254mA)2×42kHz=2710A2Hz¡£
P MËù¶ÔÓ¦µÄ¿ØÖƶ˵çÁ÷Óà I DCTÀ´±íʾ£¬ I DCT¿ÉÓÃÀ´É趨LinkSwitchµçÔ´µÄ×î´óÊä³ö¹¦Âʵã P OM¡£
µ±¿ª¹ØµçÔ´´ÓºãÁ÷Çø¿ªÊ¼¹¤×÷ʱ£¬³õ¼¶µç¸ÐÁ¿£¨ L P£©¶Ô·åÖµÊä³ö¹¦ÂÊ£¨ P OPK£©Æð¾ö¶¨×÷Ó㬸òÎÊýÓ¦¼ÓÒÔ¿ØÖÆ¡£Èô¹À¼ÆµÄ P OPKÖµÔÊÐíÓб20£¥µÄ±ä»¯Á¿£¬Ôò L PÖµÔÊÐíÆ«²î±10£¥£¬´ÅоµÄÆøÏ¶δ≥0.08mm¡£
Èô²ÉÓÃEE13ÐÍ´Åо£¬È¡δ=0.08mm£¬ L PÔÊÐíÓб10£¥µÄÆ«²î£¬³õ¼¶¸ÐÓ¦µçѹ U OR=40¡«60V£¬ÔòLinkSwitchµÄ×î´óÊä³ö¹¦Âʿɴï2.7W¡£Ñ¡Ôñ³ß´ç½Ï´óµÄ´ÅоÄÜÌáÉý¸ÐÓ¦µçѹ U OR£¬½ø¶øÌá¸ßÊä³ö¹¦ÂÊ¡£ÀýÈ磬ѡÔñEE16ÐÍ´Åоʱ£¬×î´óÊä³ö¹¦ÂÊΪ3W¡£Èç²»¿¼ÂÇ¿ÕÔØÊ±µÄ¹¦ÂÊËðºÄ£¬»¹¿É²ÉÓÃEE19ÐÍ´Åо£¬ÔÚ½»Á÷230VÊäÈëʱ£¬ U OR>70V£¬½«Êä³ö¹¦ÂÊÌá¸ßµ½5W¡£UOR»¹Ó°ÏìºãÁ÷Êä³öÌØÐÔÇúÏßµÄÏßÐÔ¶È¡£ÔÚÍê³ÉÉè¼ÆÇ°Ó¦¼ì²éºãÁ÷Êä³öÌØÐÔ¡£
3.3 Ó°ÏìÊä³öÌØÐÔµÄÒòËØ
LinkSwitchÊä³öÌØÐÔµÄÓàÁ¿ÓÉLinkSwitchµÄÓàÁ¿ÒÔ¼°Íⲿµç·À´¾ö¶¨¡£²ÉÓÃÈçͼ1Ëùʾµç·ʱ£¬×î´óÊä³ö¹¦ÂÊΪ2.75W£¬Êä³öµçѹµÄ±ä»¯Á¿Îª±10£¥£¬Êä³öµçÁ÷µÄ±ä»¯Á¿Îª±20£¥¡£Ó°ÏìÊä³öÌØÐÔµÄÒòËØÖ÷ÒªÓгõ¼¶Â©¸Ð¡¢´Î¼¶ÕûÁ÷¹ÜµÄѹ½µºÍÊä³öÒýÏßÉϵĵç×è¡£ÀýÈ磬µ±³õ¼¶Â©¸Ð´ïµ½50μHʱ½«µ¼Ö¿ÕÔØÊ±µÄÊä³öµçѹ´óÔ¼ÉÏÉý30£¥¡£Èç¹ûÔö¼Ó¹âñî·´À¡µç·²¢ÀûÓÃÍⲿÎÈѹ¹Ü½øÐжþ´ÎÎÈѹ£¬ÄÇôÕû¸ö¸ºÔØ·¶Î§ÄÚµÄÊä³öµçѹ±ä»¯Á¿¿É½µµÍµ½±5£¥¡£
3.4 ¹Ø¼üÔªÆ÷¼þµÄÑ¡Ôñ
ÏÂÃæÒÔͼ1ΪÀý£¬½éÉÜÑ¡ÔñÍâΧ¹Ø¼üÔªÆ÷¼þµÄÔÔò¡£
1£©Ç¯Î»¶þ¼«¹ÜVD1ӦѡÔñÄÍѹΪ600VÉõÖÁ¸ü¸ßµÄ¿ì»Ö¸´»ò³¬¿ì»Ö¸´¶þ¼«¹Ü£¬²»ÄÜÓÃÆÕͨµÄµÍËÙ¶þ¼«¹Ü¡£
2£©Ç¯Î»µçÈÝC4¿É²ÉÓÃ0.1μF¡¢100VµÄ½ðÊôĤ»òËÜÁϱ¡Ä¤µçÈÝ£¬ÈÝÁ¿Îó²îÔÚ±5£¥¡¢±10£¥»ò±20£¥¾ù¿É£¬µ«²»ÍƼöʹÓÃÌմɵçÈÝ£¬ÒòΪ¸ÃÖÖµçÈÝÊÜζȺ͵çѹ±ä»¯µÄÓ°Ïì½Ï´ó¡¢ÈÝÒ×ÒýÆðÊä³öµçѹµÄ²¨¶¯¡£
3£©¿ØÖƶ˵çÈÝ C 3¿ÉΪLinkSwitchµÄÉϵç¹ý³Ì»ò×Ô¶¯ÖØÆô¶¯½×¶ÎÌṩ¿ØÖƵçѹ¡£Éè¼Æµç³Ø³äµçÆ÷ʱ£¬ C 3ӦѡÔñ0.22μF¡¢10VµÄµçÈÝÆ÷£¬ÒÔ±£Ö¤ÓÐ×ã¹»µÄʱ¼äÈ¥Æô¶¯µç·¡£
4£©Ñ¡Ôñ·´À¡µç×è R 1µÄÔÔòÊÇÔÚ×î´óÊä³ö¹¦ÂÊʱÄÜʹ2.3mAµÄ·´À¡µçÁ÷Á÷Èë¿ØÖÆ¶Ë¡£ R 1µÄ׼ȷֵ»¹Òª¿´ËùÉè¼ÆµÄ U ORÖµ¡£Êʵ±Ôö´ó R 1Öµ¿É¸Ä±äµç³Ø³äµçÆ÷µÄÊä³öÌØÐÔ£¬Èçͼ3Ëùʾ¡£
ͼ3 Ôö´ó R 1Öµ¶ÔÊä³öÌØÐÔµÄÓ°Ïì [p]
ͼ3ÖеÄÐéÏß¿ò´ú±íµäÐ͵ÄÊä³öÌØÐÔÇúÏߣ¬ÊµÏß¿ò±íʾÔö´ó R 1ÖµÒÔºóµÄʵ¼Ê¹¤×÷Çø£¬ÐéÏß¼ýÍ··Ö±ð±íʾºãÑ¹Çø¼°ºãÁ÷ÇøµÄ±ä»¯·½Ïò¡£ÓÉͼ3¿É¼û£¬Ôö´ó R 1ÖµÄÜÌá¸ßƽ¾ùÊä³öµçѹ U O £¨ºãѹÇúÏßÏòÉÏÒÆ¶¯£©£¬¼õСƽ¾ùÊä³öµçÁ÷ I O£¨ºãÁ÷ÇúÏßÏò×óÒÆ¶¯£©¡£Æä±ä»¯ÌØÕ÷ÊÇ R FB↑→ U O↑→ I O↓¡£
5£©ÈçÐèÒªÔö¼Ó°²È«µçÈÝÂ˳ý´Î¼¶ÉϵÄ˲̬¸ÉÈÅ£¬Ó¦½«°²È«µçÈݲ¢ÁªÔÚ³õ¼¶µç··µ»Ø¶ËÓë´Î¼¶µç··µ»Ø¶ËÖ®¼ä¡£°²È«µçÈݵÄÈÝÁ¿ºÜС£¬µ«ÄÍѹֵ±ØÐë´ïµ½1.5kV²Å·ûºÏIEC±ê×¼¡£
3.5 ʾ²¨Æ÷µÄ½ÓÏß·½Ê½
ÔÚÓÃʾ²¨Æ÷¹Û²ìLinkSwitchµÄÊä³ö²¨ÐÎʱ£¬Èç¹û½«Ì½Õë½ÓÔ´¼«S£¬µØÏß½Ó³õ¼¶µÄ·µ»Ø¶Ë£¬ÄÇô̽ͷ·Ö²¼µçÈÝÉϵĵçºÉ¿ÉÄÜÔì³ÉÎó´¥·¢£¬Ê¹LinkSwitch´ïµ½¼«ÏÞµçÁ÷¡£ÕýÈ·µÄ·½·¨Êǰ´Í¼4Ëùʾ£¬½«Ì½Í·µÄµØÏß½ÓLinkSwitchµÄ©¼«D£¬ÒÔÖ±Á÷×÷Ϊ²Î¿¼µã¡£ÓÉÓÚ©¼«ÉÏÓÐÖ±Á÷¸ßѹ£¬Òò´Ë£¬ÔÚµçÔ´µÄ½øÏ߶˱ØÐë½Ó¸ôÀë±äѹÆ÷T1¡£
ʾ²¨Æ÷µÄÕýÈ·½ÓÏß·½Ê½
4 ½áÓï
LinkSwitchϵÁкãѹ£¯ºãÁ÷ʽÈý¶Ëµ¥Æ¬¿ª¹ØµçÔ´²ÉÓóõ¼¶ºãѹ¡¢ºãÁ÷¿ØÖÆ·½°¸£¬Ëü²»ÐèÒª¸¨ÖúÈÆ×é¼°Íⲿºãѹ£¯ºãÁ÷¿ØÖƵç·£¬¼«´óµØ¼ò»¯ÁËÍâΧµç·µÄÉè¼Æ£¬ÎªÊµÏÖС¹¦ÂÊCV£¯CCʽ¿ª¹ØµçÔ´µÄÓÅ»¯Éè¼Æ´´ÔìÁËÓÐÀûÌõ¼þ¡£
É䯵¹¤³ÌÊ¦Ñø³ÉÅàѵ½Ì³ÌÌ××°£¬ÖúÄú¿ìËÙ³ÉΪһÃûÓÅÐãÉ䯵¹¤³Ìʦ...
ÌìÏßÉè¼Æ¹¤³ÌʦÅàѵ¿Î³ÌÌ××°£¬×ÊÉîר¼ÒÊڿΣ¬ÈÃÌìÏßÉè¼Æ²»ÔÙÄÑ...
ÉÏһƪ£º¿ª¹ØµçÔ´µç´ÅɧÈŵÄÒÖÖÆ
ÏÂһƪ£º·Ö²¼Ê½·¢µçÖеĵçÁ¦µç×Ó¼¼Êõ
É䯵¹¤³ÌÊ¦Ñø³ÉÅàѵ¿Î³ÌÌ××°£¬×¨¼ÒÊڿΣ¬ÈÃÄú¿ìËÙ³ÉΪһÃûÓÅÐãµÄÉ䯵¹¤³Ìʦ¡¾More..¡¿
- ³õ¼¶É䯵¹¤³ÌÊ¦Ñø³ÉÅàѵ¿Î³ÌÌ××°
- Öм¶É䯵¹¤³ÌÊ¦Ñø³ÉÅàѵ¿Î³ÌÌ××°
- ¸ß¼¶É䯵¹¤³ÌÊ¦Ñø³ÉÅàѵ¿Î³ÌÌ××°
- SmithԲͼºÍÆ¥Åäµç·Éè¼ÆÅàѵ¿Î³Ì
- ʸÁ¿ÍøÂç·ÖÎöÒÇÅàѵ½Ì³Ì
- Agilent ADS ½ÌѧÅàѵ¿Î³ÌÌ××°
- ÌìÏß¹¤³ÌʦÅàѵ¿Î³ÌÌ××°
- ÊÖ»úÌìÏßÉè¼ÆÅàѵ
- 2.4GHzÀ¶ÑÀÌìÏßÉè¼ÆÅàѵ½Ì³Ì
- 13.56MHz NFCÌìÏߺÍRFIDÌìÏßÉè¼ÆÅàѵ
- WiFiÌìÏߺÍÉ䯵µç·Éè¼ÆÅàѵ¿Î³Ì
- HFSS½ÌѧÅàѵ¿Î³ÌÌ××°
- HFSSÌìÏßÉè¼ÆÅàѵ¿Î³ÌÌ××°
- CST΢²¨¹¤×÷ÊÒ½ÌѧÅàѵ¿Î³ÌÌ××°
- CSTÌìÏßÉè¼ÆÅàѵÊÓÆµ¿Î³ÌÌ××°
