- 易迪拓培训,专注于微波、射频、天线设计工程师的培养
交流异步电动机调速装置发展浅析
摘要:对比分析了交流异步电动机调速方式,对近期出现的高效调速方式及发展进行了重点阐述。
关键词:异步电动机;调速;节能
1 引言
交流异步电动机调速的研究始于20世纪60年代,已经取得了许多可喜的成果。近年来,电力电子技术、大规模集成电路和计算机技术的飞速发展,为交流调速技术的发展创造了有利条件,使交流电动机调速和控制提高到了一个新的水平。国内外都十分重视开发研究交流电动机的调速技术,目前在发达国家中,很多直流调速已经被交流调速所取代,从而避免了直流电动机换向困难、维修不便等缺点。世界上有60%左右的发电量是通过电动机消耗的。据统计,我国各类电动机的装机容量已超过4亿kW,其中异步电动机约占90%,拖动风机、水泵及压缩机类机械的电动机约1.3亿kW。在目前4亿kW的电动机负载中,约有50%的负载是变动的,其中的30%可以使用电动机调速。因此,就目前的市场容量考虑,约有6000万kW的调速电机市场。电动机只有在额定负载下运行效率才高,由于安全等方面的考虑,电动机常常处于低效运行状态。因此,电机调速节能一直被广泛关注。风机和泵类采用电动机调速装置来代替阀门和挡板调节流量,有明显节电效果。这是因为由交流电动机驱动的风机和泵类都是平方转矩负载。它们的流量与转速成正比、压力与转速的平方成正比,功率与转速的立方成正比。即电机转速降低1/2时,所需功率降至原来的1/8,由此可见调速节能的重要意义。
2 异步电动机调速方法
电动机的转速 n 与同步转速 n o之间的关系为:
n =(1- s ) n o=(1- s )60 f / p (1)
式中: s 为电动机转差率;
f 为电网频率;
p 为极对数。
式(1)说明,改变电动机的转速有三种方法,就是改变转差率 s 、改变频率 f 、改变极对数 p 。由此产生了多种调速方法。目前几种比较成熟的调速方法的主要特点、接线方式、输出特性曲线、能量流图等如表1所列。
表1中和本文中的符号代表的意义如下:PW—电网提供的有功功率, P 1—定子输入功率,Δ P 1—定子损耗功率(包括铜损和铁损), P 2—转子输入功率,Δ P 2—转子损耗功率(包括铜损和铁损), P S—转差功率,Δ P S—转差功率变换过程中损耗的功率, P B—逆变器反馈回电网的功率,Δ P B—逆变器损耗功率, P M—机械功率,Δ P M—机械损耗功率(包括磨擦和其它附加损耗), P SC—电机输出的机械功率, P TS—调速装置输入功率,Δ P TS—调速装置的损耗功率, P ZC—转差离合器输入功率,Δ P ZC—转差离合器的损耗功率, P TR—变压器输入功率,Δ P TR—变压器损耗功率, P e—双馈调速中超同步运行时扣除损耗之后的定子电磁功率。
表1 异步电动机调速方法性能综合比较表
2.1 改变转差率s的调速方法
1)调定子电压调速 异步电动机的转矩(在一定转差率下)与定子电压的平方成正比。即 M ∝ U 2( M —电磁转矩, U —定子电压)。改变定子电压就可以改变转矩及机械性能,从而实现调速。该方法采用晶闸管“交流开关”调节定子电压。其调速范围较宽,简单可靠,价格便宜,但低速时功率因数低、损耗大、效率低、发热严重。输出特性软,不能承受重载。
2)转子串接电阻调速 转子回路串接电阻可以改变转子电流,从而改变其机械特性曲线,达到调速的目的。但其调速性能不好,机械特性软,而且转差功率以热能的形式消耗在外接电阻上,效率太低。因此,渐渐被节能调速所取代。
3)电磁转差离合器调速 这种方法电机本身并不调速,而是通过改变与它相连的电磁离合器的励磁电流来实现调速的。电磁转差离合器控制筒单,运行可靠,调速精确、价格便宜,而且能平滑调速。但其机械特性中存在失控区,特性软。低速时损耗大、效率低。
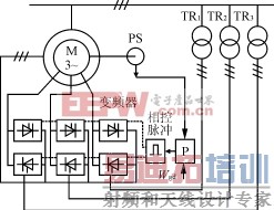
4)串级调速 通过在转子回路引入附加电势的方法。调节附加电势的大小,就可以调节电动机的转矩和转速。如图1所示,通常转子回路接有不可控的整流器,将转子感应电势经整流器变换成直流电势,从转子吸收转差功率 P S。转子侧直流附加电势由晶闸管逆变器产生(也有用直流电机等其它形式的)。逆变器所吸收的(扣除损耗的)转差功率 P B经变压器T反馈回电网。这种方法调速范围宽、结构简单、效率高、可靠性高。缺点是过载能力差(过载能力比原电动机降低17%),功率因数较低,谐波电流较大,还需专门的启动设备。1984年研制出的斩波式逆变器串级调速方法,可以大大降低无功损耗、提高功率因数、减少高次谐波分量,从而提高了调速效率。
图1 串级调速 [p]
5)双馈调速 也是采用在转子回路引入附加电势的方法。不同的是,它将能量分别馈入电动机的定子绕组和转子绕组。定子绕组接入工频电源,转子绕组接到频率、幅值、相位和相序都可以调节的独立的交流变频电源上。根据变频电源频率控制方法不同,双馈调速分为自控式(图3)和他控式(图2)两种。
图2 他控式双馈调速
图3 自控式双馈调速
自控工作方式中,转子侧变频电源的频率是通过系统内的调节环节,根据电动机的运行状态(由位置检测器PS测出)自动控制的。该方式稳定性好,适用于轧钢机之类的冲击负荷。
他控方式中,由专门的频率给定装置独立地控制变频器的输出频率。通常由独立的频率可调的低频三相正弦信号发生器产生给定信号。每个控制信号的给定值,对应一个确定的转速。
改变转子绕组电源的频率、幅值和相位,就可以调节电动机的转矩、转速、和无功功率。双馈调速不仅可以在低于同步转速以下运转,还可以在高于同步转速以上运转,具有优良的调速性能,过载能力大、转动惯量小、效率要高于串级调速。它在很宽的调速范围内都可以得到电动转矩和制动转矩。其突出优点就是在保证调速要求的同时,还可以独立地调节电动机定子侧的无功功率,使调速系统具有很高的功率因数。其功率转换是采用交—交变频器,直接进行能量交换,所以效率很高,是比较完善的调速装置。适用于多种生产机械,发展前途非常广阔。国外在20世纪80年代投入运行,我国上个世纪90年代开始应用。但它也存在谐波电流大的问题。
6)斩波式内反馈调速这是我国独有的,近十几年才兴起的新方法。它也是通过引入附加电势改变转差率的方法。它在串级调速的基础上又有所突破,把着眼点放在调速主体——电动机上,在电动机定子槽中通过多层嵌套方式安装了反馈调节绕组(这等于把逆变变压器和电动机巧妙地结合在一起)。内反馈调速的实质在于将部分转子功率 P S(转差功率,见图4),通过调速装置反馈给电动机内部的调节绕组,反馈的功率越多,则轴输出功率的就越少,电机转速越低,即通过改变反馈的转差功率的多少使电动机转速得以连续调节。而调节绕组接受反馈功率则意味P1的减少,电能的节省。
图4 斩波式内反馈调速装置主电路原理图
图中:1KM、2KM、3KM—开关, L 1、 L 2、 L 3—电抗器,R—整流桥,
I—逆变桥,S—关断桥,Sc—斩波晶闸管, R f—启动频敏电阻, C —电容,
D—逆阻二极管,F—保险,Load—电动机负载。 [p]
该方法是在常规串级调速的直流回路中,加入并联型直流斩波器。利用它对转子整流后的直流电流进行脉宽调制。控制斩波器的占空比就能调节直流侧的短路电流,从而间接地控制了反馈给调节绕组的转差功率,达到调速的目的。关断桥S的作用是关断斩波晶闸管Sc。逆阻二极管D、电感 L 2和电容 C 起隔离缓冲作用。加入斩波器使逆变器的触发角(β)不用调节,且固定在很小的角度,这样既大大提高了功率因数,减少了谐波电流对电网的污染,提高了系统的可靠性,又使逆变器的容量小很多(逆变器的容量=0.148 P 1)。因此,它具有结构简单、效率高、成本低、谐波幅值低的优点。但它只能在同步转速以下运行,而且不能利用原有的电动机,需购置专用的内反馈电动机(但却省掉了昂贵的逆变变压器)。在高电压、大容量的水泵、风机用绕线电动机调速中,显示出突出的优势。
2.2 改变极对数 p 的调速方法
通过改变定子绕组的接线来改变极对数,就改变了同步转速。它可以获得恒转矩调速特性和恒功率调速特性。这种方法效率高,操作筒单、成本低廉,机械特性硬。为得到好的调速精度与稳定性,常用速度反馈的控制方式。缺点是有级调速。它和调压调速结合起来形成“变极调压调速”。可以大大改善低速运行性能,扩大调速范围。
2.3 改变频率 f 的调速方法
变频调速是用变频电源改变电动机定子绕组的频率,从而改变同步转速来实现调速。这种方法具有高效率、宽范围和高精度的调速性能。规格系列齐全,可以满足各种不同需求,因而被广泛采用,是最具发展前途的理想调速方法。它可分为两大类:
1)交-直-交变频调速电网中的交流电先被整流成直流电,再通过逆变器逆变为频率可调的交流电。根据直流滤波方式不同,又分为电压型(电容器滤波)和电流型(电感滤波)两种。
2)交-交变频调速由于它只有一级功率变换,省去了直流环节,减少了损耗,进一步提高了效率。也因此结构复杂、额定工作频率较低,造价较高。但它能够提供比较逼近正弦的交流电流,可以四象限运行,常用于大容量的交流调速设备中(国外单台变频装置容量已超过10MW)。变频调速的不足之处是造价较高、结构复杂、低速时功率因数低、谐波较大。
3 调速性能分析
通过半导体电力变流器对电动机的电压、频率、功率进行调节来实现调速,虽具有转换效率高的优点,但也具有功率因数低、谐波电流大的缺点。所以,提高调速效率、提高功率因数、减少高次谐波、提高性能价格比始终是人们关注的重点。
3.1 调速效率
图5是异步电动机能量流图。其中 P 2和 P SC之间的功率差 P S,即转差功率是上述几种节能调速的着眼点。
图5 异步电动机能量流图
P
S=
P
2-
P
SC
=
Mn
o
-
Mn
=
M
(
n
o-
n
)=
sP
2 (2)
转差率调速系统的效率主要取决于 P S的利用情况。系统总效率η= P SC/ P W。参考图5,再比较表1中各种调速方式的能量流图不难看出,转子串电阻调速的效率最低,因为转差功率 P S都损耗在电阻发热上了。而且转差率 s 越大,效率越低(因为,若忽略定子损耗,则η= P SC/ P W≈ P SC/ P 2= n / n o=1- s )。串级调速、双馈调速和斩波式内反馈调速的效率较高,是因为其转子功率 P 2中都含有反馈功率,其中斩波式内反馈调速的效率最高,因为它少了一项逆变变压器损耗Δ P TR。其效率可达90%以上,见图6。
图6 效率曲线η= f ( s )
3.2 调速范围
电动机调速范围D=最高转数/最低转数。变频调速、定子调压调速和电磁转差离合器调速的调速范围较大( D =10),其次是双馈调速。其它各种调速方法的调速范围都较小。但调速范围的选择要根据电动机运行工况来确定。
3.3 高次谐波
在变频调速和采用转子回路引入附加电势的3种调速方法中都使用功率器件变换器。电动机转子侧接有整流器和逆变器,因而电流波形发生畸变,畸变电流中含有高次谐波分量。这不但降低了功率因数,也增大了噪声和发热损耗、产生干扰、污染电网。谐波还会引起电动机机械脉振现象。因此,抑制和消除谐波也是此类调速的重要课题,采用并联斩波技术就是一种有效抑制谐波的方法。
4 结语
变频调速适用范围广泛,在多台电动机同频拖动,或者调速范围大的低速大容量拖动系统中发挥着不可替代的作用。其调速范围广(100%~0%),调速精度高(±0.5%),节电效果好(多数为25%~50%),性能是其它各种交流调速技术所不能比拟的。但变频器的价格较高(一般为1000~1300元/kW,大容量、高精度调速还要高些)。
变极调速用于小容量、非平滑调速场合,需要增加的投资少(平均50元/kW),节电30%左右。
电磁转差离合器调速适用于要求有一定调速范围,又经常用于高速的场合。容量在0.55~630kW范围内,它的初始投资不高(比普通笼型电动机约高220元/kW)。
定子调压调速适用于小容量的短时与重复短时作深调速运行的负载。
双馈调速目前多用于超同步、高速运行的电动机或对传动的动、静态特性要求高的场合。
串级调速和斩波式内反馈调速在高电压、大中容量的平方转矩负载调速中应用较广(调速范围 D ≤2)。它们的节电率比变频调速稍低,价格也低于变频调速(串级调速大于1000元/kW、斩波式内反馈调速小于1000元/kW)。
随着新的控制理论(如矢量变换控制)和计算机技术的发展,更高性能的新型电动机调速系统必将不断涌现出来。新世纪的电动机调速技术将向着高效率、高性能、高精度、智能化、绿色化的方向发展。
射频工程师养成培训教程套装,助您快速成为一名优秀射频工程师...
天线设计工程师培训课程套装,资深专家授课,让天线设计不再难...
上一篇:非晶与超微晶材料的应用
下一篇:环形变压器及其应用

