- 易迪拓培训,专注于微波、射频、天线设计工程师的培养
PADS 3D view操作过程
录入:edatop.com 点击:

SOLIDWORK新建元器件的精确模型

保存为STL格式

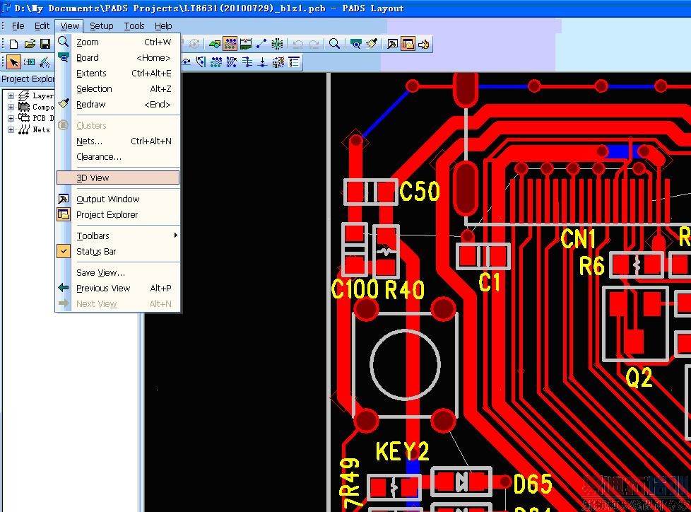
打开PADS中带的3D VIEW

界面如图所示,点击3D CELL IMPORT

选择器件封装,再打开刚才保存的STL元件

调整好器件的位置

效果如图

效果如图
欢迎广大的FPC同行们加入FPC超级群,有了群才有了更好的视野。
可以接触更多的FPC有经验人士,一个好的群, 要看大家怎么利用。
找工作?找供应商?学技术? 一切都只要你需要的,在群里都可以得到更好的解决。
FPC超级群:68991616
欢迎更多的FPC行业的朋友们加入!
《进群改名字》 FPC-部门-姓名
进来看看,支持一个!
比较摆,很直观,欣赏欣赏不错
呵呵,谢谢支持
不错,很强大。
thank you very much
个人觉得该功能实用性不强
呵呵,是的,我也这么认为,操作太麻烦了,而且没什么必要
射频工程师养成培训教程套装,助您快速成为一名优秀射频工程师...
射频和天线工程师培训课程详情>>

