- 易迪拓培训,专注于微波、射频、天线设计工程师的培养
类似QFP这种多管脚封装如何制作
录入:edatop.com 点击:
类似QFP这种多管脚封装制作时,焊盘应该加大多少合适,管脚中心距怎么确定准确,各位大侠谁有这方面资料!
高人呢?
现在都不用自己画了,给你一个封装生成软件,Mentor LPWizard,这可是最新的版本哦
http://www.brsbox.com/filebox/down/fc/f7597e5fb62437b3d20d7264b23a99ab
xx方法同pads9.0,用pads9.0以上的lic和替换mgls,dll。
这个软件的前身是IPC7351_LP, 自己去搜一下就知道了。
新版有70多M,如果不想下这么大的,可我的网盘下载旧版的。
drywell.ys168.com
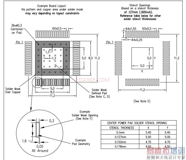
看官方给的数据手册上的说明,一般会给元件尺寸和LAYOUT尺寸,!有的还有钢网尺寸@^_^
这是一个QFP封装的,QFN的也差不多》
元件尺寸
封装尺寸 钢网尺寸
射频工程师养成培训教程套装,助您快速成为一名优秀射频工程师...
天线设计工程师培训课程套装,资深专家授课,让天线设计不再难...
上一篇:PADS2007怎样和ORCAD9.2同步?
下一篇:一个关于gerber的问题
射频和天线工程师培训课程详情>>

