- 易迪拓培训,专注于微波、射频、天线设计工程师的培养
用于电能计量应用的RS-485故障安全和信号丢失检测器
简介
电能计量通信端口常常使用RS-485接口,可能受到大共模噪声、地电位差和高压瞬变的影响。具体说来,通过主节点(中央数据收集点)与电表从节点之间的长电缆,这些危险因素可能会破坏数据通信,甚至引起RS-485接口永久损坏。
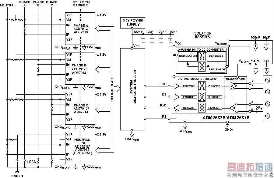
图1显示了三相电能计量从节点中的可能隔离域。隔离栅可以位于模拟前端(AFE)处或RS-485通信端口处。将三相AFE配合ADE7912或ADE7913使用,以隔离通信接口并测量A相、B相和C相上的电压和电流。RS-485收发器将三相从节点与主节点隔离开来,并允许主节点和电表从节点之间进行可靠的控制和数据传输。无论隔离栅放在何处,ADI公司的iCoupler 技术都能在有系统接地差异、共模噪声和电压瞬变的情况下实现可靠运行。
采用RS-485作为物理层的更高级电能计量标准,例如IEC 62052-11和IEC 62053-21(有功电能1类和2类交流静态瓦时电表),针对RS-485接收器在空闲总线(无有效信号)上工作的情况,规定了一个明确的输出状态。ADM2682E iCoupler信号和isoPower 隔离式RS-485收发器具备真正的故障安全特性,针对总线空闲、开路和短路状况会提供逻辑高电平接收器输出。若使用总线信号丢失(LOS)检测器电路,可以给RS-485节点增加其他系统诊断功能。

图1.位于隔离式AFE处或RS-485通信端口处的三相电能计量从节点的可能隔离域
故障安全和迟滞
总线空闲、开路和短路故障安全
ADM2682E /ADM2687E具备真正的故障安全特性,针对总线空闲、开路和短路状况接收器会输出逻辑高电平。
当RS-485 A和B引脚断开且没有端接电阻或其他节点时,开路故障安全特性会确保ADM2682E或ADM2687E接收器输出为高电平。ADI公司的所有RS-485收发器都有此特性。在ADM2682E A引脚上有一个内部上拉电阻。如果A引脚断开且浮空,则该上拉电阻会将A引脚上拉至 30 mV以上。在ADM2682E B引脚上也有一个下拉电阻。如果B引脚断开且浮空,则该下拉电阻会将B引脚下拉至-200 mV以下。这种情况下,A引脚电压大于B引脚电压,产生一个总线差分高电压,接收器输出为恒定逻辑高电平。
当两个节点驱动总线到相反电平时,或当总线线路短接在一起时,短路故障安全特性会确保ADM2682E或ADM2687E接收器输出为逻辑高电平。
总线空闲故障安全特性更为复杂;当没有节点驱动RS-485总线上的信号时,该特性会使ADM2682E或ADM2687E接收器输出逻辑高电平。第一种方法是使用故障安全RS-485收发器,其接收器偏移阈值为 30 mV(举例而言),而不是TIA/EIA-845-A RS-485标准的200 mV。具有总线空闲故障安全特性的ADI RS-485收发器也有短路故障安全特性。第二种方法是使用总线上的上拉和下拉电阻,确保一个最小差分电压。这种方法也称为有源端接法。根据电源电压和总线负载,计算所需的电阻值,包括端接电阻和接收器阻抗。

图2.ADM2682E或ADM2687E接收器故障安全特性
迟滞
TIA/EIA-845-A RS-485标准建议,RS-485收发器应采取措施防止接收器发生不稳定或振荡状况。接收器迟滞有助于增强其稳定性,并提供一种抗扰手段,这对长电缆布线和恶劣现场总线环境特别重要。
ADM2682E /ADM2687E数据手册规定接收器典型迟滞(ΔVHYS)(此处的“hys”大写)为15 mV,接收器差分输入阈值电压范围(VTH)为 200 mV至 30 mV。VTH是接收器输出电压(VRO)从高电平变为低电平或从低电平变为高电平的阈值。ΔVTH本质上是高电平到低电平的VTH(图3左侧)与低电平到高电平的VTH(图3右侧)之差。
接收器迟滞ΔVTH帮助确保接收器差分输入阈值电压(VTH)周围的噪声不会导致接收器输出发生杂散性逻辑高电平或逻辑低电平转换。

图3.ADM2682E或ADM2687E接收器迟滞
RS-485信号丢失(LOS)检测器
非隔离式实现方案
如果一个连接器断开与电表从节点的连接,或者一条RS-485电缆错误断开,LOS检测器就会提醒系统微控制器。图1显示系统隔离栅既可放在AFE处,也可放在RS-485通信端口处。如果隔离栅放在AFE处,系统设计人员可以实现非隔离式LOS检测器电路。
图4显示了一个非隔离式RS-485 LOS检测器电路。LOS检测器电路由第二个ADM3078E收发器构成,其用于实时监控总线状态。LOS检测器电路还包含一个简单的NC7S08 AND门,其连接到两个ADM3078E器件的RO引脚。NC7S08 AND门的输出随后由电阻R和电容C进行低通滤波。该低通滤波器的输出(即LOS逻辑信号)通过导线直连到系统微控制器。
在正常工作期间,ADM3078E接收器可以检测到来自RS-485总线的有效高电平输入,并通过RO接收器输出端输出一个逻辑高电平信号。针对总线、开路、短路和空闲状况,ADM3078E接收器故障安全特性也会输出一个逻辑高电平信号。当RS-485总线上长时间无信号时,LOS检测器电路会明确提醒系统微控制器。
图4所示的LOS电路包括两路ADM3078E接收器输出,即RO和,其连接到NC7S08 AND门。当RO和的逻辑状态相同时,AND门输出为逻辑高电平,表示总线电压为0 V(RS-485总线上无信号)。
两路ADM3078E接收器输出的传播延迟之差可能在NC7S08 AND门输出上引起杂散毛刺。ADM3078E数据手册显示,接收器传播延迟最大值为75 ns。在典型实验室测量中,接收器传播延迟可能是40 ns。典型实验室测量的RO输出和输出之间可能有35 ns的传播延迟差。此测量设置利用一个由27 电阻和220 pF电容形成的低通滤波器来补偿35 ns的典型差值。
添加一个ADM3078E节点来监控总线LOS,则会导致RS-485网络可支持的有效节点数减少。
系统设计人员必须考虑正常总线流量下的总线空闲时间,并在微控制器LOS故障提醒软件中设计一个时序延迟予以解决。该延迟用于防止总线空闲状况触发系统LOS故障误报。

图4.采用ADM3078E的非隔离式LOS检测器电路
图5显示了对应于图4所示电路的测量信号。针对RS-485总线上无信号的特定状况,系统微控制器得到的LOS逻辑输出为逻辑高电平。

图5.LOS检测器电路测量
隔离式实施方案
图1显示系统隔离栅既可放在AFE处,也可放在RS-485通信端口处。如果隔离栅不放在AFE处,系统设计人员可以实现隔离式LOS检测器电路。图6显示了一个隔离式RS-485 LOS检测器。

图6.采用ADM2682E的隔离式LOS检测器电路
射频工程师养成培训教程套装,助您快速成为一名优秀射频工程师...
天线设计工程师培训课程套装,资深专家授课,让天线设计不再难...
上一篇:差分运算放大器驱动器实现高分辨率ADC输入过压保护
下一篇:如何在车库门应用中使用单相交流感应电机和8位单片机完成低成本设计和分析

